#ГАЗ-66 - #GAZ-66 #Military Light Utility #Truck - #Katonai Könnyű Többcélú #Teherautó. BHTA - #Bakony #Hadtörténeti #Alapítvány: #Hajmáskér & Claudia#Cardinale & Gábor#Zsazsa (Wikipedia)
Refreshed! to-112%-29.05.2019.-Regulated:+++++++++:+++
above: HiRes! GAZ-66 Airborne Military LU Truck - ГАЗ-66
1970. ГОРЬКОВСКИЙ АВТОМОБИЛЬНЫЙ ЗАВОД (ГАЗ)
Description:The GAZ 66, produced at the Gorki Automobile Plant (Gorki Avtomobil'nyj Zavod) and introduced at the end of the 60s was the standard truck of the Warsaw Pact states. (also used by the National People's Army (NVA) of the former DDR). Owing to its outstanding cross-country mobility, this 4x4 vehicle with a tyre pressurisation system was used for transporting persons and supplies especially in rough terrain. Providing the drive was a 4250 cc 8-cylinder ZMZ 66 carburettor engine which, developing 85kW (115 hp) at 3200 rpm, made possible top speeds of up to 90 km/h. The maximum permissible cruising speed was around 75 km/h. The standard fuel consumption given as 36 l/100 km was seldom achieved. The two fuel tanks, each with a capacity of 105 l, allowed (in theory at least) a maximum distance range of 800 km. With an empty weight of 3640 kg, a payload of 2130 kg could be transported. The maximum total weight permitted was 5770 kg. The GAZ 66 was also available with different bodies which were mainly used as radio vehicles and vehicles for electronic combat. The crew consisted of a driver and co-driver. The GAZ 66 had a ground clearance of 310 mm, could cope with a 55 percent gradient, and had a climbing capability of 400 mm, a traversing capability of 600 mm and a fording capability of 900 mm. The specific ground pressure was 1.5 kp/cm2 and the turning circle around 19.5 m. The GAZ66 was available to the NVA from 1970.
Entered
service
|
1964
|
Configuration
|
4x4
|
Cab
seating
|
1 +
1 men
|
Dimensions
and weight
|
|
Weight
(empty)
|
3.44
t
|
Maximum
load
|
2 t
|
Length
|
5.65
m
|
Width
|
2.34 m
|
Height
|
2.44
m
|
Mobility
|
|
Engine
|
ZMZ
4.2-liter petrol
|
Engine
power
|
115
hp
|
Maximum
road speed
|
95
km/h
|
Range
|
875
km
|
Maneuverability
|
|
Gradient
|
67%
|
Side
slope
|
44%
|
Vertical
step
|
~
0.6 m
|
Trench
|
~
0.6 m
|
Fording
|
0.8
m
|
The GAZ-66
light utility truck entered production in 1964 at the Gor'kiy Automobile Plant,
where it replaced the earlier GAZ-63 on the lines. Originally
produced for both civilian and military use, the military versions
gradually became paramount. The overall design follows the usual
Soviet guidelines of relative simplicity, strength and versatility.
There are no design frills on the GAZ-66 as it is an orthodox
forward control design capable of being produced in, or modified
into, many different versions. This truck had been produced for 35 years.
It's production ceased in 1999. Nearly 1 000 000 of these trucks
were built. The GAZ-66 is still used by the Russian
Army, many ex-Warsaw Pact armed forces and wherever Soviet influence
has spread. Many are used throughout the Middle East and nations in
Africa.
The GAZ-66
was simple in design and technology. Also it was easy to maintain. The basic
cargo/utility model has an all-steel cargo body with an optional
canvas cover over bows mounted on a chassis frame that can be
arranged to carry any number of body styles. Cab is mounted over the
engine and provides seating for the driver and one passenger. Standard equipment
of the GAZ-66 includes a powerful cab heater and an engine pre-heater but these
are omitted on models intended for tropical use.
The GAZ-66
is powered by a 4.2-liter V8 petrol engine, developing 115 hp. Vehicle
has a full-time all-wheel drive. This truck made it's name for it's
superb cross-country mobility. A self-recovery winch was fitted on
some models. Models produced
from 1968 onwards, the GAZ-66A, have a central tyre pressure
system and may feature a soft-top cab. Vehicle can operate in
climatic conditions ranging from -50°C to +50°C.
The GAZ-66B
is modified version for the airborne forces. It has an opened cab with a
canvas cover. It's windscreen can be folded over the bonnet. This
military truck can be airdropped.
The
GAZ-66-40 was the final production model. It is powered by a
GAZ-5441 turbocharged diesel engine, developing 123 hp.
There are numerous
sub-variants of the GAZ-66, with or without winches, and with many equipped for
special roles such as NBC decontamination, oil supply vehicles and
numerous van-bodied versions for uses varying from command vehicles
to mobile offices and communications centers. The GAZ-66 is used to
carry the 82 mm Vasilyek automatic mortar, a vehicle/weapon
combination known as the 2B9.
A follow-on
GAZ-3308 Sadko was developed as a replacement,
however Russian Army preferred the
KamAZ-4350, which offers more payload. However the GAZ-66
remains in widespread use and full replacement may take some time.
above: NEW! MedRes! Kabin source: Pinterest
above: Hungarian Armed Forces' GAZ-66
below: GAZ-66B - ГАЗ-66Б
above: NEW! MedRes! Redhead Girl in GAZ-66 canvas/tarpaulin bikini - Vöröshajú csaj bikini ponyvafelsőben source: Femjoy.com
above: NEW! NoHigher! Zuzana Dabrinova famous czech modelká in recolored GAZ-66 canvas/tarpaulin top - átszínezett vízhatlan ponyvafelsőben source: VirtuaGirlHD .com

![]() |
| No Higher ! 120mm BM-12 variant |





above: NEW! HiRes! (Crop Vert!) Chief Mechanic of Motor-Pool source: www.mellbimbo.eu
above: 6 x 6 all-terrain truck
above: NEW! NoHigher! (Crop!) Supermodel in tarpaulin swimming-dress, Miranda Kerr cameltoe runway photo source: Pin Nude Celebs/www.pincelebs.net
En. text: Miranda May Kerr (/kɜːr/; born 20 April 1983) is an Australian model. Kerr rose to prominence in 2007 as one of the Victoria's Secret Angels. Kerr was the first Australian Victoria's Secret model and also represented the Australian department store chain David Jones. Kerr has launched her own brand of organic skincare products, KORA Organics, and has written a self-help book.
Kerr began modelling in the fashion industry when she was 13, winning the 1997 Dolly magazine model search competition. Since 2008, Kerr has consistently ranked on the Forbes list of highest earning models. ... https://en.wikipedia.org/wiki/Miranda_Kerr
Hu. text: Miranda May Kerr (Sydney, 1983. április 20. –) ausztrál modell. Többek között dolgozott a Victoria’s Secretnek és a Maybelline-nek. 2007-ben ő lett az első ausztrál angyala a Victoria’s Secretnek, valamint a David Jones áruházlánc reklámarca is volt. Kerr elindította saját kozmetikai cégét a KORS Organics-ot, és önsegítő könyvet is írt. ...
Ru. text: Мира́нда Мэй Керр (англ. Miranda May Kerr; 20 апреля 1983, Сидней, Австралия) — австралийская супермодель, известна как одна из бывших ангелов Victoria's Secret. ...
above: New! original photo MedRes! In front the BTR-50PU ACV rear GAZ-66 R-142 armor regiment communication vehicle, backround three UAZ-469 jeep, in Hungarian Army (MN) in period of Warsaw Pact. source: facebook.com
below three: NEW! Juci'bacsi CD coll: MedRes! R-142 "Deimosz" at "Kunság-83" gyakorlat - exercise
'Deimos'
below Left bottom: http://desantura.ru denisovets.narod.ru

above: NEW! MedRes! VHF R-123 URH radio station - állomás
above & below two: NEW! NoHigher! Hungarian R-142: The radio equipments. UHF, VHF, VF
NEW! NoHigher! LF Radio stations RH: above: R-111 below: R-130 RövidHullámú Ráls-ok.
above: NEW! NoHigher! R-326M URH surface to air Radio station - Föld - Levegő Rá.
above: NEW! NoHigher! a HiF - Híradófőnök #Zsa-Zsa in the very comfortable furniture in 'Deimos' for Boss of Communication; american Hu. descent - magyar származású star actress #Gábor Zsazsa / #Zsa-Zsa Gabor (Gábor Sári) source: Pinterest.com
En. text: Zsa Zsa Gabor (/ˈʒɑːʒɑː ˈɡɑːbɔːr, -ɡəˈbɔːr/ ZHAH-zhah GAH-bor, -gə-BOR; Hungarian: [ˈʒɒʒɒ ˈɡaːbor]; born Sári Gábor [ˈʃaːri ˈɡaːbor]; February 6, 1917 – December 18, 2016) was a Hungarian-American actress and socialite. Her sisters were actresses Eva and Magda Gabor.
Gabor began her stage career in Vienna and was crowned Miss Hungary in 1936. She emigrated from Hungary to the United States in 1941. Becoming a sought-after actress with "European flair and style", she was considered to have a personality that "exuded charm and grace". Her first film role was a supporting role in Lovely to Look At. She later acted in We're Not Married! and played one of her few leading roles in the John Huston-directed film, Moulin Rouge (1952). Huston would later describe her as a "creditable" actress.
Outside her acting career, Gabor was known for her extravagant Hollywood lifestyle, her glamorous personality, and her many marriages. In total, Gabor had nine husbands, including hotel magnate Conrad Hilton and actor George Sanders. She once stated, "Men have always liked me and I have always liked men. But I like a mannish man, a man who knows how to talk to and treat a woman—not just a man with muscles. ... https://en.wikipedia.org/wiki/Zsa_Zsa_Gabor
Hu. text: Gábor Zsazsa, angolul: Zsa Zsa Gabor, születési nevén: Gábor Sári (Budapest, 1917. február 6. – Los Angeles, Kalifornia, 2016. december 18.) Golden Globe-díjas magyar szépségkirálynő, modell és színésznő, a 20. század közepének egyik nagy szexszimbóluma. Egyike azon magyaroknak, akik csillagot kaptak a Hollywoodi Hírességek Sétányán.
Pályafutása 1936-ban kezdődött, amikor elnyerte a magyar szépségkirálynőknek járó Miss Hungary címet. Első nyilvános fellépése szintén ebben az évben volt, Ausztriában: énekelt a Der singende Traum (Az éneklő álom) című operettben. 1941-ben, Hollywoodba költözése után gyorsan hírnevet szerzett magának a színészi teljesítményével, szépségével, valamint botrányaival; többek között egyszeri letartóztatásával, és a híres milliomosokkal kötött házasságával. Kilencszer volt férjnél, hétszer vált el, egyik házasságát alig egy hónap múlva érvénytelenítették. Utolsó házassága 1986-tól haláláig tartott.
2002-ben autóbalesetet szenvedett, részben lebénult, így kerekesszékbe került. 2005–2007 között két agyvérzése volt, 2011-ben amputálni kellett jobb lábát térdtől lefelé egy fertőzés miatt. A színésznő majdnem megérte 100. születésnapját, 2016. december 18-án hunyt el Los Angelesben.
above: NEW! Pin-Up Girl on the Opposit Receiving Radio-Wirelles Station - Rádióállomáson
above: NEW! NoHigher! 'Antenne-Women with "Deimos Thermos" - Antennás Asszony "Deimosz Termosz"-al.' Hu. Retro: supermodel, Miss. Baranyai Gréti on the card calendar 1970's source: facebook/70-es 80-as évek manökenjei/Szedres Mariann former supermodel
above: NEW! NoHigher! Chief of Communication - Híradófőnök HIF by: W4B Watch4Beauty.com

above: NEW+! NoHigher! Fisherian Antenne tuning - Horgászos Antennahangolás source: www.femjoy.com
HiRes! GAZ-66 R-142 "Deimos" Radio Post chassis at goverment car inspection at Veszprém 2008.

above: HiRes! Juci'bácsi vezeti el a Veszprém megyei Autófelügyeletre, hogy le legyen vizsgáztatva. Épp akkor fájt ma bal könyököm és a kormányszervó nem ment így a "kenyérszervót" működtettem. Szegénykém akkor még igen gyengécske motorteljesítménnyell bírt főleg a Hétfő reggeli csúcsforgalomban a Házgyári úton külön felvidulást jelentett.
above: HiRes! at inspection.
Hu. text: Blogger: -Voltak érdekes jelenetek,m mert nem minden napos az ilyen autók vizsgáztatása. Na aztán ez a "vénember" (Én a kis mellénykémben,mert mentem utána be dolgozni a Hadkieg Pságra) -pattanjak ki a fülkéből mert be kell állni az aknákra. Én illendően megtettem és mosolyogtam magamban. A nagymellényű fővizsgabiztos beült, be sem tudta indítani nem hogy a kéziféket kiegedni és sebességbe rakni. Izzadt vele rendesen, aztán feladta. Izzadtan és mogorván odaszólt nekem, "no akkor üljön be aztán álljon be. Mi sem kellett több nekem az udvaron,tartottam egy kisteljesítményű manőver rodeót pár gázfröccs erejéig aztán lazán mint ahogy a Tüzelőállás elfoglalásakor normál rössel egyből az akna fölé álltam. Kipattantam és amellényem két kiszsebébe akasztva a hüvelykujjamat halvány mosollyal illetem. Na utána már nem volt nagy arc egyik gépjárműves szaki sem. Persze azt nem mondtam el Nekik, hogy Kiskunhalason ilyen autóim is voltak az ütegemben és a végsó áment mindig én mondtam ki a gép és harcjármű vezetőimre mint első o. BRDM Harcjármű vezető és tapasztalt "B" kategóriás jogsis. Tehát nem a ruha teszi a vénembert. No a vizsgán átment és ebéd után mentem is dolgozni a MH HKNyP Jókai utcai irodámba, mert Seregélyes Andris Hétfő reggel szólt, hogy menjek már segíteni neki Kádártáról bevinni a gépet mert neki nincs "C"-és jogsija. Én nagyon örültem ennek a lógásnak és igen jól esett mindenemnek.
above: NEW+! NoHigher! An Inspector - Egy Ellenőr ... with ??
above: NEW! HiRes! "Spherical Traffic Mirror - Közlöködési gümbtükör" Invitation to Fashion Photo Exhibition - Ruhadivat Meghívó Fotókiállításra by Fortepan.hu source: facebook/60-as, 70-es, 80-as évek manökenjei

above: NEW+! HiRes! Tyrewomen - Guminő source: VirtuaGirlHD
above: NEW! HiRes! Danish NATO Fire Control (Communication) centre from 1970's with Pin-Up Woman. Source: Google G+ Hu. collector: Mr. Bányiczki Zoltán Pin-Up expert. Danska photographer: Egon Hye: https://www.facebook.com/egon.hye/media
above: HiRes!
above: Preparation Pool-Service coach, On Front wall right the NBC control pult - Műhelykocsi bodegás változat. A front falon a fűtés-szellőzés és az ABV rendszer kezelőpultja.
below right: GAZ-66 "Topo" Field Artillery Topography variant with full grund navigation equipment.
ГАЗ-66 ТОПО топопривязчик
above: NEW! NoHigher! Hu. Army NKE "Zrínyi Miklós" Mily College arty student's ex. with "Topo" GAZ-66. source: NKE issue: 'Tüzérfigyelő' ("Arty watch") 2011./12
above: NEW! MedRes! "Topo": GAZ-66 1v17 (1v110) "Bereza"/"Masina-B" SOB Surveyor Vehicle - Bemérő gépkocsi


above left: The tankmaster.com right: Our incognito driver
Bemérési módszerek a tüzérségnél - Artillery Survey Method - Basic of Geodesy - Topography-топо measuring:
Технические характеристики автомобиля ГАЗ-66-11
Тип
|
Двухосный грузовой автомобиль
|
Грузоподъёмность
|
4 000 кг
|
Разрешенная максимальная масса
|
5 940 кг
|
Длина
|
5 806 мм (с лебёдкой)
|
Ширина
|
2 322 мм
|
Высота по тенту без нагрузки
|
2 520 мм
|
Высота по кабине с полной массой
|
2 490 мм
|
Колёсная база
|
3 300 мм
|
315 мм
|
|
Колея передних колес
|
1 800 мм
|
Колея задних колес
|
1 750 мм
|
Радиус поворота
|
9,5 м
|
Глубина преодолеваемого брода
(по дну) |
0,8 м
|
Двигатель
|
ЗМЗ-66-06 восьмицилиндровый четырёхтактный,
с жидкостным охлаждением |
Рабочий объём
|
4 254 см3
|
Мощность
|
120 л.с.
|
КПП
|
механическая 4-ступенчатая с синхронизаторами
на 3-й и 4-й передачах |
Раздаточная коробка
|
С понижающей передачей
и отключаемым передним мостом |
Hu. text: A GAZ-66 Tipusú gépjármű megkapta a "Kiváló minőség állami jelzését" ! Az 1966. évi Moszkvai "mezőgazdasági gépek és
berendezések" kiállításon és az 1967. évi Lipcsei nemzetközi Vásáron a GAZ-66 aranyéremmel
lett kitünteve - Label & Badge-marker of Excellent Product
GAZ-66 Tehergépjármű 4x4 V8
Össz. gördülőtömeg: 5470 kg
Saját tömeg: 3470 kg
Szálítható tömeg: 2000 kg
Vontatható tömeg: 2000 kg
Kerékképlet 4*4
Fajlagos teljesítmény: 15,56 kw/t
Hosszúság: 5655 mm
Szélesség: 2340 mm
Magasság: 2525 mm
Rakfelület mérete: 3330 mm*2050 mm
Hasmagasság: 315 mm
Terepszög elől/hátul: 42°/32°
Minimális fordulókörsugár: 9,5 m
Nyomtáv elől/hátul: 1800mm/1750mm
Tengelytáv: 3300 mm
Max. sebesség műúton: 90-95 km/h
Üzemanyagtartály térfogata: 210 l
Hatótáv műúton: 800 km
Lejtőmászó, kapaszkodó képesség: 30°
Gázlóképesség: 0,8 m
Kerékabroncsok száma/mérete: 4+1/12.00-18
Motor típusa: ZMZ-66 Motor rendszere: benzinüzemű, négyütemű, vízhűtéses Hengerek elrendezése/száma: V/8
Lökettérfogat: 4250ccm
Max. teljesítmény(kw/Le): 85/116 3200ford/perc
Max nyomaték: 29mkp /2500ford/perc
Üzemanyagfogyasztás 30-40km műúton: 24lit/100km
Sűrítési arány: 6,7
Gyújtási sorrend 1-5-4-2-6-3-7-8
Szikrahézag: min 0,6mm
Gyújtógyertyák A-11U vagy A 15B Hőérték 175C
Gyújtógyertyák A-11U vagy A 15B Hőérték 175C
Sebességváltómű: 4+1 fokozatú, kézikapcsolású (3-4 dik fokozat szinkronizált)
Tengelykapcsoló: egytárcsás, száraz
Fékrendszer: -üzemi: hidropneumatikus
-rögzítő: mechanikus
A GAZ-66 kormányműve hidraulikus rásegítővel(szervó), fékrendszere hidrovákuumos fékerősítővel rendelkezik, a sebességváltó harmadik és negyedik fokozata szinkronizált.
Elektromos rendszer: 12 V
Gyártó vállalat: Gorkij Autógyár(GAZ)
Alkalmazási helye: Magyarország, Szovjetúnió, VSZ tagországok, Egyiptom, Irán, Finnország:
above: NEW Pic! Juci'bacsi's scanned collection My "Zenit-E" photopaper: Hu. text: MN8920 36. G.Á. pct.tü.e. (Kiskunhalas) gyakorlaton Várpalotán. A 4. vegyes pct. üteg. településben a parancsnokságom alatt 1979-80. A platón a Figyelőpont OEM-2 sztereótávmérő műanyag ládája.
above: NEW!My collect: MedRes! I was "Juci" hdgy. - Lt. as 4st AT battery commander in Hosszú-völgy - Long valley at Várpalota-Gyulafirátót fire range. In backround Barna János szkv.- corporal during Camp establish 1979. "Pajzs-79" "Shield-79" VSz. - WP. coalition exercise.
above: NEW! GAZ-69 jeep and GAZ-66 truck in revolution of Praga Ruzhine Int. Airport 1968.
above: NEW! MedRes! Hungarian MN Exercise "Kunság-83" at Várpalota firing range in 1983.
above: NEW! MedRes! "Soldier must tolerate with persistence and manlike all of difficulties and
stress his military service." - Military Code of the USSR Rear label: "Kinds" 50 Km/h ZL 4061
"A katonának kitartással és férfiasan kell elviselnie a katonai szolgálat
minden nehézségét és nélkülözését." A Szovjetunió Fegyveres Erőinek
szabályzatából Hátsó tábla: "Gyerekek"
Translated - Fordította: ret. arty. Lt.Col. Salgó "Artybird"-"Artycsóka" Béla nyá. tüzér alez.
source: Pinterest: Artist: Художник Валерий Барыкин Russian Illustrator Valery Barykin successfully combines the vintage Pin Up Girls with Soviet art propaganda. Artist from Nizhny Novgorod reinterprets the poster style used to arouse Soviet citizens’ sense of civic responsibility, with Leninist literature and heavy machinery supplanted by buxom girls and booze.Russian Illustrator Valery Barykin successfully combines the vintage Pin Up Girls with Soviet art propaganda. Artist from Nizhny Novgorod reinterprets the poster style used to arouse Soviet citizens’ sense of civic responsibility, with Leninist literature and heavy machinery supplanted by buxom girls and booze.
above: NEW! NoHigher! Rerospestive; Valery Barykin: GAZ-51 "Molotov" action with "Cowgirl": "Let you sit in without it - Üljön be nélküle"
above: NEW! NoHigher! Pretty Women is waiting for dumped GAZ-66 on the foresty road - Csinos Nő vár az erdei úton a sáros GAZ-ra photo By: Boulder senior photography posing Smitten & Swoon Photography Boulder Photographer source: https://www.smittenandswoon.com/
above: HiRes! Hu. text: A hajmáskéri falunapon 2013 augusztusában a kastélykertben a már platóssá átalakított BHTA GAZz-al
above: NEW! NoHigher! Invitation sheet to 10th anniversary of BHTA's event
above: HiRes! GAZ-66 winch acessories
Specifications (GAZ-66-11)
Design:Cab-forward design, 2 seats cab + 21 passengers in back.
Payload: 2,000 kg (4,400 lb) plus the same weight trailer
Suspension: Solid axles with leaf springs Engine:
Type- ZMZ-66-06 V8 gasoline (carburetor) OHV engine
Displacement- 4,254 cc (Bore 92 mm (3.622 in), Stroke 80 mm (3.150 in))
Compression Ratio- 7.6:1
Output- 120 hp (89 kW) @ 3,200 rpm
Torque- 284.5 N·m (210 lbf·ft) @ 2,000-2200 rpm
Max. speed- 90 km/h (56 mph)(speed governed) Brakes:
Type- Drums, with hydraulic control, single circuit, servo assisted
Stopping distance from 20 mph- 27'
Measurements:
LxWxH- 5,805 mm (19 ft 1 in) x 2,525 mm (8 ft 3 in) x 2,490 mm (8 ft 2 in)(cab) / 2,520 mm (8 ft 3 in) (tent)
Wheelbase- 3,300 mm (129.92 in)
Track front/rear: 1,820 mm (71.65 in)/1,750 mm (68.90 in)
Curb weight: 3,440 kg (7,580 lb)
Fuel tanks- 2 x 105 l (23 imp gal; 28 US gal)
Fuel economy- 31.5 l/100 km (9 mpg-imp; 7 mpg-US) Maneuverability:
Turning circle- 9.5 m (31 ft)
Approach angle- 41 deg.
Departure angle- 32 deg
Max. Ascent angle - 31 - 37 deg (fully loaded)
Ground clearance- 315 mm (12 in)
Fording depth- 1 m (39 in) Tires:
Size- 12.00-18"
Pressure- Adjustable with central tyre inflation system from cab
















http://gaz66fanatics.mindenkilapja.hu/gallery/19822553/renderimages/17272316/gaz66-gepkonyv
http://forum.index.hu/Article/showArticle?go=96988348&t=9185531
http://www.russianmilitarytrucks.com/downloads.htm
LxWxH- 5,805 mm (19 ft 1 in) x 2,525 mm (8 ft 3 in) x 2,490 mm (8 ft 2 in)(cab) / 2,520 mm (8 ft 3 in) (tent)
Wheelbase- 3,300 mm (129.92 in)
Track front/rear: 1,820 mm (71.65 in)/1,750 mm (68.90 in)
Curb weight: 3,440 kg (7,580 lb)
Fuel tanks- 2 x 105 l (23 imp gal; 28 US gal)
Fuel economy- 31.5 l/100 km (9 mpg-imp; 7 mpg-US) Maneuverability:
Turning circle- 9.5 m (31 ft)
Approach angle- 41 deg.
Departure angle- 32 deg
Max. Ascent angle - 31 - 37 deg (fully loaded)
Ground clearance- 315 mm (12 in)
Fording depth- 1 m (39 in) Tires:
Size- 12.00-18"
Pressure- Adjustable with central tyre inflation system from cab

fent: kerékagy részletek


above: New three Pics! True Italiano Cardano shaft!: Claudia Cardinale, the10 Most Iconic Italian Beauties of All Time – Vogue, Roma-Cinecitta & Hollywood & Word starring actress. above: Right: She on the famous Ferrari-250 GT 'Lusso Berlinetta' classic sport car. retro classic beauty. Italian, Ennio Morricone music composer's Oh, 'Once Upon a Time in the West,' one of my favorite movies of all time. - Klaudia Kardinale ikonikus Olasz filmszínésznő a "Volt egyszer egy vadnyugat.'-ban
It. text: Claudia Cardinale, nome d'arte di Claude Joséphine Rose Cardinale (Tunisi, 15 aprile 1938), è un'attrice italiana.È l'attrice italiana più importante emersa negli anni sessanta e l'unica a conseguire una notorietà internazionale paragonabile a quella di Sophia Loren, o di Gina Lollobrigida, entrambe facenti parte della precedente generazione di attrici negli anni cinquanta. La stampa internazionale l'ha spesso definita la donna più bella del mondo durante quel decennio.
above: NEW! NoHigher! Demaged Russian cardano-shaft the due too Torque - Roncsolódott Russzki kardántengely a túlzott nyoaték miatt source: facebook
above: NEW! 'Rába' H-640 cardan 3D design - artwork http://rabachepel.tiu.ru
above: NEW! HiRes! Juci'bacsi's 'Air Art Graphics' designed Logo for Found of 'Bakony-mountan chain' Military History' -Hajmáskér- 'Bakony' Hadtörténeti Alapítvány.
above: HiRes! a BHTA a Hajmáskéri falunapi kiállítóhelyén 2013.
above: NEW! HiRes! Hungarian maquette about HDF Home-defender Ordnance Demolition & Minesweeper battalion - MH. 1. Honvéd tűzszerész és aknakutató zászlóalj Budapest 1995.

above: Right: www.denisovets.narod.ru photo: Roman Frolov



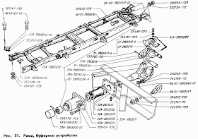
above: HiRes! chassis & undercarriage
above: HiRes Big! Schema of Wire circuit drawing
above: NEW pic! GAZ-66 as a mortar 120mm carrier
above: NEW! NoHigher! New target! - Új cél!
above: NEW! M 1:35 scale model Iraq GAZ-66 Army truck on plate ZU-23-2 AA-gun

![]() |
| HiRes! |
above & below: High precision Drawer: M-Hobby: Valery Dmitriev
above: NEW! HiRes! M 1:35 maquette scale line drawing 4 view artwork by: Valery Dmitryev

accelerator - sebességváltó gangolás
above: No Higher!
above: NEW! MedRes! Cabin: papermodel layout - papírmodell kivágós alaprajz

above: NEW! MedRes! sketch profile

above: NEW! MedRes!
above: cross section steering globoid mech.
above: 'Bendix-Weiss' pherical wrist forehead final drive


above: NEW!

above: NEW!
above: No Higher! Cross section drawing of Differential part

above: NEW! NoHigher! Juci'bacsi's scan collect from Deutsche - Germany Hobby magazin der technik 17.1.1983-14: General: Ausgleichsgetriebe - Differential gearbox - Differenciálmű (Általános)
http://www.telenir.net/tehnicheskie_nauki/avtomobili_sovetskoi_armii_1946_1991/p3.php#metkadoc18http://gaz66fanatics.mindenkilapja.hu/gallery/19822553/renderimages/17272316/gaz66-gepkonyv
http://forum.index.hu/Article/showArticle?go=96988348&t=9185531
http://www.russianmilitarytrucks.com/downloads.htm
above: NEW! NoHigher! Katerina in white tarpaulin top is waiting for a GAZ-66 in the forest road. source: getnaked.com
above & below: NEW! HiRes! Juci'bacsi Nikon "Coolpix" photo 2013.july. also FREE! Hu. UN - ENSz camo GAZ-66 in "Solar" Kft's inkurrencia storage-pool at Budapest, 'Csepel'-island - sziget
above: NEW! NoHigher! Water resistant Suit from UN GAZ-66 Canvas/Tarpaulin - Vízhatlan Ruha az ENSz-es GAZ-66 ponyvájából & Apple smart phone glass of red-vine style I'phone.
above: NEW! NoHigher! Oops Malfunction. Details of tarpaulin holes & mode of cord bandage.
above: NEW! NoHigher! Hu. text: 'Haditechnika' 1984. 1.szám: katonai Gépjárművek terepjárása: Gépjárművek mozgékonyságának modellezése. www.armedia.hu
above: all terrain capability

above: new! 'Freddy' - "Frédi" with full all terrain skill, from 'Flistone-family' Wiliam Hanah & Josef Barbara's Movie-Cartoon series.
above: NEW! NoHigher! Hu. topmodel, Miss. Zimány Linda with "Bendix-Weiss" system chrome bracelet - BW fajtájú króm karkötővel source: Origami
Only Hu. text: Zimány Linda (Nagykanizsa, 1986. március 29. –) modell, műsorvezető, jogász. ... https://hu.wikipedia.org/wiki/Zim%C3%A1ny_Linda
NEW! MedRes! GAZ-66 reconstruction to Hummer
above: NEW! NoHigher! Tarpaulin Top
United Nations
FIN!











































































































































VálaszTörlésReally i am impressed from this post....the person who created this post is a genius and knows how to keep the readers connected..
123 hp setup
Helo dear Liker, Sir! Thank you very much for your praise rows. I'm efforting with My hobby work. Best regards; Juci'bácsi - Juliet Uncle Sextant Blogger/Creator
VálaszTörlés