#Hubschrauber - #ВЕРТОЛЁТ; #Helicopter #Rotor-control - #Helikopter #ciklikus #forgószárnyvezérlés: EVK - Egyesített #Vezérlőkar, flcs. #Aerodynamics & #Cyclic method - I.M. #Burt-Reynolds. (Pics album)
18+Refreshed! to-126%-16.04.2021.-Regulated:++++++++++++++++++++++++++++++:+++:+++:++++:+++++:+
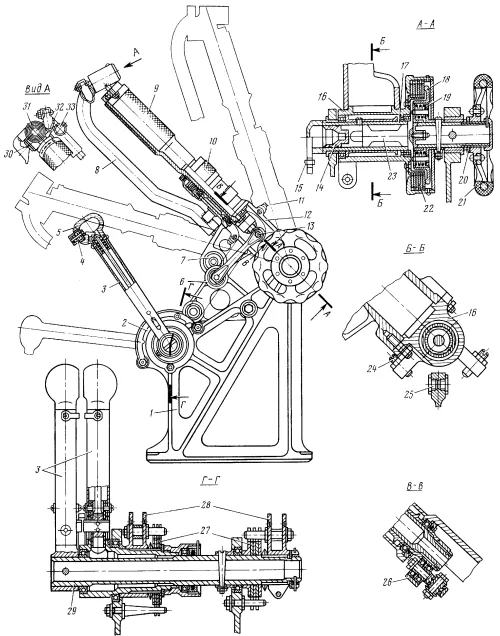
above: new pic! Hughes - McDonnel Douglas - Boeing MD-500 (OH-6 "Cayuse") 5 vectors
above: NEW! NoHigher! Rotorwind effect after start source: Pinterest.com cover DV003 www.elenco.com

above: NEW! Leonardo da Vinci's project plane: firs Helicopter - Hubschrauber - Fejcsavar
En. text: Leonardo di ser Piero da Vinci (Italian: [leoˈnardo di ˌsɛr ˈpjɛːro da (v)ˈvintʃi] (About this sound listen); 15 April 1452 – 2 May 1519), more commonly Leonardo da Vinci or simply Leonardo, was an Italian polymath of the Renaissance, whose areas of interest included invention, painting, sculpting, architecture, science, music, mathematics, engineering, literature, anatomy, geology, astronomy, botany, writing, history, and cartography. He has been variously called the father of palaeontology, ichnology, and architecture, and is widely considered one of the greatest painters of all time. Sometimes credited with the inventions of the parachute, helicopter and tank, he epitomised the Renaissance humanist ideal. ... https://en.wikipedia.org/wiki/Leonardo_da_Vinci
Hu. text: Leonardo di ser Piero da Vinci (1452. április 15. – 1519. május 2.) itáliai polihisztor. Leonardo festő, tudós, matematikus, hadmérnök, feltaláló, anatómus, szobrász, építész, zeneszerző, költő és író volt egy személyben.
above: NEW! NoHigher! Leonardo da Vinci's helicopter: 15th-century flight of fancy led ... source: Google/The Conversation

above: NEW! NoHigher! The Helicopter: A Hundred Years of Hovering source: WIRED
above: NEW! HiRes! #Swedish #worldwide #supermodel, #Elsa#Hosk in "#Leonardo" #windscrew style rotating #haute-couture suit, before #Chopard's #advert-wall source: http://celebritygalls.com
above: NEW! NoHigher! Aerial screw: #Leonardo da Vinci: The Mechanics of Genius! source: Science Museum-The Arts Desk
I Wish for You, Merry Christmas & Happy New Year! Best regards: the "Sextant" Blogger
above: NEW! HiRes! Bell-206 'Jet Ranger' & AMTRAK loco: July 17, 1979, Niantic, CT. Filming for the ABC-TV movie "Disaster on the Coastliner" on Amtrak's ex-NH Shore Line (recast in the movie as California). That's William Shatner to the right of the cameraman. (Dennis A. Livesey...is that you with the camera? 🙂 ) And yes, the F40 is moving. Black & white original. source: facebook/The Helicopter Page/Al CrossleyScans of the Day
above & below: NEW! NoHigher! Jet propulsion rotor USAF Howard Hughes XH-17 Flying Crane experimental helicopter ("Locomotive"!) H.#Hughes on right.

above & below: NEW! NoHi-MedRs! Hu. inventor Asbóth Oszkár coaxial helicopter 1920's
above: new! MedRes! Hughes S-300C / TH-55A "Osage" utility helicopter exploded draw by Mike Bardrocke illustration
above & below: NEW! MedRes! Line drawing S-300 by: Mike Bardrocke llustration
above: NEW! HiRes! WELCOME! Former commander HuAF Ret. avn. Lt.Col. Szántó "Zsazsa" Zsolt I.o. 'Aranykoszorús' oktató-berepülő pilóta nyá.rep.alez. 'Golden Winged' 1st. class Mi-24 "Hind" test pilot & instructor of 2nd Combat Helicopter squadron after battalion of (HuDF) MH 87.th "Bakony" Combat Hel. Rgt. Harcihelikopter Ezred Szentkirályszabadja LHSA Airfield/HuAFB after Szolnok LHSN MH. 86.th "Szolnok" IKJ AFB Hel. Reg. volt Mi-24 hchel.z.pk. in Schweizer-300CB that original type was Hughes-300C (TH-55 "Osage") at Budaőrs LHBS airfield as Civil Heli Instructor at 'Fly4Less' Limited -Kft. source: www.facebook.com
http://www.helikopter.hu/hu/helikoptereink/jelenlegi-helikoptereink/schweizer-300-cb-ha-sch.html

above Two: NEW! NoHigher! Cyrillic text princip for Mil Mi-1

above: NEW! Unmotivation Schematics!: of Heli's Aerodinamics bottom: Right: MedRes!

above: NEW! NoHigher! Cyrillic text: Vectors of Rotor aerodinamics

above Three: NEW! NoHigher! De. text: DDR - NDK NVA's dia-slide about Mi-8 aerodinamics
above Three! NEW+! MedRes! Mi-24 "Csőrike"-II on Air Show in Hu. source: facebook/akik nélkül nem lehetett volna magyar katonai repülés/Mr. Pénzes Károly
above: NEW! NoHigher! Mi-24 rotorhub under snow photo by: twower.livejournal.com
above: NEW! HiRes! Mil Mi-24 'Hind' mainrotorhub - főrotoragy in Slovakia Poprad ATE hangar photo: Jozef Schmidt source: facebook.com
above: NEW! NoHigher! Hungarian retro: Hu. supermodel Ms. Tálas Kati source: retromagyarfotomodellek.blogspot.com
Only Hu. text: Tálas Kati magyar modell, manöken, fotómodell, presszótulajdonos. Az 1970-es és 80-as évek híres és egyik legfoglalkoztatottabb manökenje. Poliglott (többnyelvű) személy, kiválóan beszél angolul, németül, olaszul, franciául és oroszul. ... https://hu.wikipedia.org/wiki/T%C3%A1las_Kati
above: NEW! NoHigher! IGOR IVAN SIKORSKY (1889-1972). American (Ukrainian-born) aeronautical
engineer. Sikorsky preparing to demonstrate a Vought - Sikorsky VS-300 helicopter,
Bridgeport, Connecticut, 20 May 1940. source: www.pinterest.com hu.wikipedia.org/Igor_Sikorsky
NEW! NoHigher! above: VS-300 model below: VS-300 rotorhead in museum?

above: NEW! MedRes! #Sikorsky Stratford between 70 years! Right: MedRes! Igor Sikorsky on Time magazine cover, 1953. - Игорь Сикорский на обложке журнала Time, 1953 год. source: Wikipedia/Time Magazin
En. text: Igor Ivanovich Sikorsky (Russian: И́горь Ива́нович Сико́рский, IPA: [ˈiɡərʲ ɪˈvanəvitʃ sʲɪˈkorskʲɪj], tr. Ígor' Ivánovič Sikórskij; May 25, 1889. Kiev, Russian Empire – October 26, 1972) was a Russian-American aviation pioneer in both helicopters and fixed-wing aircraft. His first success came with the S-2, the second aircraft of his design and construction. His fifth airplane, the S-5, won him national recognition as well as F.A.I. license number 64. His S-6-A received the highest award at the 1912 Moscow Aviation Exhibition, and in the fall of that year the aircraft won for its young designer, builder and pilot first prize in the military competition at Saint Petersburg.
After immigrating to the United States in 1919, Sikorsky founded the Sikorsky Aircraft Corporation in 1923, and developed the first of Pan American Airways' ocean-conquering flying boats in the 1930s.
In 1939, Sikorsky designed and flew the Vought-Sikorsky VS-300, the first viable American helicopter, which pioneered the rotor configuration used by most helicopters today. Sikorsky modified the design into the Sikorsky R-4, which became the world's first mass-produced helicopter in 1942. ... https://en.wikipedia.org/wiki/Igor_Sikorsky
S-47 (R-4)
Hu. text: Igor Sikorsky, orosz neve: Igor Ivanovics Szikorszkij; oroszul: Игорь Иванович Сикорский, Kijev, Orosz Birodalom, 1889. május 25. – Easton, Connecticut, USA 1972. október 26.) orosz származású amerikai helikopter- és repülőgép-tervező. Ő tervezte és építette a világ első többmotoros repülőgépét, a Russzkij Vityaz bombázót 1913-ban, valamint az első többmotoros utasszállító repülőgépet, az Ilja Muromecet 1914-ben. Ezután emigrált az Egyesült Államokba, és 1923-ban megalapította a Sikorsky Aircraft Corporationt és megépítette az első hidroplánt a Pan American Airways-nek 1930-ban. 1939-ben építette meg a Vought-Sikorsky VS-300-ast, ami az első repülni képes helikopter volt és a működési elvét a mai napig is alkalmazzák a helikoptergyártásban. A Sikorsky R-4-es volt az első sorozatban gyártott helikopter 1942-ben. ...
Ru. text: И́горь Ива́нович Сико́рский (англ. Igor Sikorsky, 25 мая (6 июня) 1889 год, Киев, Российская империя — 26 октября 1972, Истон, штат Коннектикут, США) — русский и американский авиаконструктор, учёный, изобретатель, философ. Создатель первых в мире: четырёхмоторного самолёта «Русский витязь» (1913 год), тяжёлого четырёхмоторного бомбардировщика и пассажирского самолёта «Илья Муромец» (1914 год), трансатлантического гидроплан], серийного вертолёта одновинтовой схемы (США, 1942 год). ...
above: NEW! NoHigher: #Sikorsky Igor Repository: #San Diego Air and Space Museum Archive source: Wikipedia
above: NEW! NoHigher! Sikorsky H-5/Westland 'Dragonfly'
above & below: NEW! MedRes! Hungarian licenced made by Hu. Armed Forces' DRRT's American N07 Sikorsky S-52 'Humingbird - Kolibri' HA-XBO - Hotel Alfa - X-ray Bravo Oscar experimental Liaison/Taxi helicopter. above: with former DRRT'd helicopter Test-pilot (left) Mr. ret.avn.Lt.Col. Papp "Papppisti" István ny.re.alez. below: in Tököl Air Base in experimental - kísérleti hangárban. source: Papp "Papppisti" István/facebook
Hungarian Bird - Sikorsky S-52 (Hummingbird) helikopter
https://youtu.be/5uu2ahYyoAo
Helikopterépítés a Dunai Repülőgépgyárban
NEW! NoHigher! above: (Crop vert.!) RAAF - Royal Australian Air Force S-55
below: UH-19 'Cickshaw'
above & below: NEW! NoHigher! One of the first flights of the Sikorsky VS-300 source: Wikipedia
above: NEW! HiRes! Original Caption: "Comdr. Frank A. Erickson, USCG & Dr. Igor Sikorsky, Sikorsky Helicopter HNS-1 C.G. #39040." USCG Photo #: 232-8 Photographer: U.S. Coast Guard - http://www.uscg.mil/history/WEBAIRCRAFT/AC_Sikorsky_HNS1.html
above: NEW! MedRes! Test flight with H-5 on Sikorsky's airfield in His Factory
above: NEW! HiRes! RESCUE Sikorsky H-5 utility - többcélú helicopter
above: NEW! NoHigher! Bell-30 testflight loading demonstration
NEW! NoHigher! above: RS-55A below: S-55C IAF - Indian Air Force
above: NEW! NoHigher! Sikorsky S-55 / Westland 'Whirwlind' Royal Navy
above: HiRes! #Sikorsky S-55 (H-19, Westland 'Whirlwind') cutaway drawing key.
above: NEW! Juci'bácsi's coll.: HiRes! Similar Mi-4 Westland "Whirlwind" (Sykorsky S-55/H-19 Chickasaw) source: Vass Balázs: Repülőgép és Heli típusok 1968.
above: HiRes! Mil Mi-4 rotorcontrol cutaway from, Hu. Vass Balázs: Repülőgéptípusok
above: NEW! MedRes! Vintage cutaway of Mi-4
above & below three: 1950's Soviet Mil Mi-4 Right: MedRes!

above: NEW! NoHigher! Indonesian NAVY's 'Angkatan Laut' Mi-4 source: Ian Allan book/facebook
above: NoHigher! Soviet Red Army, Mi-4 and T-54 medium tanks
above: NEW! NoHigher! Aeroflot (Russian: ПАО "Аэрофло́т – Росси́йские авиали́нии", PAO Aeroflot—Rossiyskiye avialinii) Mil Mi-4 demo flight over Dózsa György-út-alley in Budapest 1950s root: Fortepan.hu source: Pinterest
above: NEW! HiRes! Photo 10. may 2016: ret.avn.Maj. Jules Brandt "Szepi" Gyula nyá.rep.őrgy. "Helikufferes Szepi" (64 yo.) 1st Golden-wing class Mi-8/17 test & tutor pilot HuDf MH87.th "Bakony" Combat Helicopter Regiment - Harcihelikopter Ezred & author - szerző of History of MH.87. "B"HHE book (Szentkirályszabadja LHSA). Mil Mi-4 "Hound" in Czech Kbely-Praha Aviation Museum: Before the His "First Love" in former Sovietunion Kirgizistan - Frunze (now: Bishkek)! source: facebook
above: MedRes! Juci'bacsi's coll.: Mi-4 rotorhub: Mr. acf.eng. Vass Balázs okl.rep.mk. "Repülőgép és Helikopter Típusok" "Types of Aircraf and Helicopter" Műszaki Könyvkiadó - Technics Publisher Budapest, 1968.
above: NEW! NoHigher! SSH Bell-407 flexible rotorhead source: www.SuperScaleHelis.com
above & below: NEW! HiRes! Sikorsky S-92A 'Superhawk' in NHS - Norsk Helicopterservice er et luftfartsselskap stiftet i 2009 og eiet av Babcock International.
below: NEW! HiRes! American rotorhead ?? source: facebook.com
Majdnem a biztos halálba sétált a #Leicester-csatár
NEW+! Heli rotorcontrol paradise: Descending as vertical to Réunion forêt de Bélouve, de Grand Etang 'Jurassic Park' HeliPort under waterfall. above: MedRes! below: MedRes! Map of Reunion island - Carte - ile de la Réunion between Madagaskar island & Mauritius in Indian-ocean. JP: en.wikipedia.org/wiki/Jurassic_Park_(film)
Jurassic Park is a 1993 American science fiction adventure film directed by Steven Spielberg. The first installment of the Jurassic Park franchise, it is based on the 1990 novel of the same name by Michael Crichton, with a screenplay written by Crichton and David Koepp. The film is set on the fictional Isla Nublar, an islet located off Central America's Pacific Coast, near Costa Rica, where a billionaire philanthropist and a small team of genetic scientists have created awildlife park of cloned dinosaurs.above: NEW! NoHigher! #MBB - #Messerschmitt-Bölkow-Blohm - #Bölkow-#Kawasaki #BK-117/#Eurocopter #EC-135/#Airbus #H-125 on a #luxury-#Yacht stern #Heliport somwhere around the #Oceans.
above: NEW! HiRes! Precise rotorcontrolled landing by Sud-Aviation/#Airbus Industrie AS-350B "#Écureuil („Squirrel - Mókus”) " on the ' scalaria ' Air Challenge 2015. in Ober-Österreiche, area of '#Salzkammergut' at lake 'Wolfgangsee' close to #Salzburg
Doors of G.A. aircraft & hydroplanes; Do-27, Yak-12, L-200, C-172, DHC-2- Scalaria A.C.:
above: NEW! NoHigher! Swiss heli: Reward - Jutalom: Miss. Elke Lichtenegger for the good landing on stage by capt. Pilot of HeliAviation on '#Scalaria' Air Challenge source: Pinterest.com
above: NEW! HiRes! Swiss HB-ZLS, Helicopter Pilot Aero Friedrichshafen 2017. photo: Marcus Mühlestein source: http://beautyplanes.blogspot.com/
above: NEW! NoHigher! Bell-206 'Jet Ranger' Victoria's Secret pinky source: Pinterest!
above: NEW! HiRes! 'Red Bull Air Race' Budapest Bo-105: photo: Veres Viktor BLIKK Magazine source: facebook below: MedRes! photo: Aviation photo-artist -reporter: Leslie Angyal Samuel AVIATOR: 'RedBull' team's Messerschmitt - Bölkow - Blohm MBB Bo-105 at 'RedBull Air race-2015 Budapet' July 4, 5. over river Danube, precision rotor control.
WG13 Sea-Lynx: //indavideo.hu/video/Nem_konnyu_viharban_hajora_leszallni_egy_helikopterrel
above: NEW! HiRes! Bo 105 Rotorkopf - Упругое соединение на MBB Bo 105 source: Ru. Wikipedia
above: NEW! HiRes! Bo 105 Rotorkopf - Упругое соединение на MBB Bo 105 source: Ru. Wikipedia
above: NoHigher! Messerschmitt-Bölkow-Blohm MBB Bo-105 rotorhub.
above: NEW! HiRes! De. text: Detail view of the main rotor BO 105 with control rods. Karl Rachel PlemPlem - photographed in the Deutsches Museum, Munich / picture: Swashplate Bo105.jpg
Representation of the swashplate with inserted part designation // color-corrected, denoised. - De. text: Detailansicht des Hauptrotors BO 105 mit Steuerstangen. Karl Rachel PlemPlem - fotografiert im Deutschen Museum, München / Bild:Taumelscheibe Bo105.jpg
Darstellung der Taumelscheibe mit eingelegter Teilebenennung // farbkorrigiert, denoised - Hu. text: A vezérlőrudakkal ellátott BO 105 fő forgórész részlete. Karl Rachel PlemPlem - fényképezett a Müncheni Deutsches Múzeumban / kép: Swashplate Bo105.jpg. source: de. Wikipedia.org
MBB History: http://mbb.ag/de/unternehmen/historie
Airshow Budapest 2014 Highlights
above: NEW! MedRes! Bo-105 on back during looping figur. Photo: AVIATOR Angyal "Samuel" Laci (Leslie Angel) aviation-aerial photoartist.
NEW! item; Air & Water Parade in 20 August 2012
below: Juci'bácsi MTV-1 Buda Márton Riporter Narrátor-segédi fellépése a KIM (Közigazgatási és Igazságügyi Minisztérium) felső erkélyéről a hangja hallatszik.
Légi és Víziparádé 2012. augusztus 20. TV-1 közvetítés
above: NEW! NoHigher! #United-Technologies #Sikorsky HH-00 S.A.R. helicopter
above: NEW! HiRes! Windfan Controller in CO. Palm Springs photo: Ian L. Sitren
A basic safety rule to be followed at all times. Avoid looking at photographs of Sherry Goggin for more than 30 seconds or you may lose the ability to focus and concentrate on anything else for as long as 24 - 72 hours. There is no known cure at this time nor expected to be in the near future. From our photo shoot near the windmill farms and the bikini from her own Fit Girl Wear designs at http://fitgirlwear.com/ Much better on my Blog at http://wp.me/pH8pO-1eO
source: https://www.facebook.com/photo.php below: MedRes! by ILS
https://www.facebook.com/SecondFocus/
https://www.facebook.com/SecondFocus/
NEW+! above: MedRes! Autorotation flying Girl below: HiRes! A Pilot who is waiting for her - és a Pilóta aki várja Photo: Ian L. Sitren from Second Focus
above: NEW! HiRes! Three-bladed main rotor of an Aérospatiale SA-319 (Alouette III). Swash plate between gray and black bellows. - De. text: Dreiblättriger Hauptrotor einer Aérospatiale SA-319 (Alouette III). Taumelscheibe zwischen grauem und schwarzem Faltenbalg. (old dia-slide photo): source: de. Wikipedia

above: NEW! NoHigher! Flexrotor - Rugalmas forgószárnybekötésű rotor
above: NEW! MedRes! Rotorhub - Rotoragy below: NEW! NoHigher! Kamov Ka-60 'Kasatka' tailrotor
above: NEW+! NoHigher! EC-135 rotor control & drive system 3D graphics
above: MedRes! 3D technician graphics with French made M.D.'s "Solidworks" software.
above: NEW! HiRes! Miss Jana Following the Rotorhead prips ans sketchs.
above: new! Hires! FRirst Russian helicopter designer; Yuryev (Jurjev) rotorcontrol plan of Know-How 1915s below: NEW! NoHigher! Yuriev's helicopter
above: NEW+! HiRes! Tennis player world's champion Maria#Sharapova in Paris at 'Eiffel' tower.
En. text: Maria Yuryevna Sharapova (Russian: Мари́я Ю́рьевна Шара́пова; IPA: [mɐˈrʲijə ˈjʉrʲjɪvnə ʂɐˈrapəvə]; born April 19, 1987) is a Russian professional tennis player. A United States resident since 1994, Sharapova has competed on the WTA tour since 2001. She has been ranked world No. 1 in singles by the WTA on five separate occasions, for a total of 21 weeks. She is one of ten women, and the only Russian, to hold the career Grand Slam. She is also an Olympic medalist, having earned silver for Russia in women's singles at the 2012 Summer Olympics in London. ...
Ru. text: Мари́я Ю́рьевна Шара́пова (19 апреля 1987, Нягань, СССР) — российская теннисистка, экс первая ракетка мира, одна из десяти женщин в истории, кто обладает так называемым «карьерным шлемом» (выиграла все турниры Большого шлема в разные годы), одна из лидеров по рекламным заработкам среди спортсменов мира. Заслуженный мастер спорта России. С шести лет (1994) живет и тренируется в США.
- Пятикратная победительница турниров Большого шлема в одиночном разряде.
- Победительница 38 турниров WTA (35 — в одиночном разряде).
- Победительница итогового чемпионата WTA (2004) в одиночном разряде.
- Обладательница Кубка Федерации (2008) и финалистка (2015).
- Серебряный призёр Олимпийских игр 2012 года в одиночном разряде.
- Финалистка 2 юниорских турниров Большого шлема (Australian Open, Уимблдон-2002) в одиночном разряде.
- Самая молодая финалистка юниорского Australian Open в истории тенниса (14 лет 9 месяцев).
Eddig összesen huszonegy héten át vezette a világranglistát, ő volt az első orosz világelső a női teniszben.
Mindössze 17 évesen megnyerte a wimbledoni teniszbajnokságot, és ő lett Wimbledon harmadik legfiatalabb női bajnoka (Lottie Dod és Martina Hingis után). 2006-ban aratta élete második Grand Slam-győzelmét a US Openen, majd – miután 2007-ben döntőt játszott – 2008-ban megnyerte az Australian Opent is úgy, hogy az egész tornát szettveszteség nélkül játszotta le. Ő az eddigi egyetlen orosz teniszezőnő, aki nyerni tudott Wimbledonban és az Australian Openen. 2012-ben a Roland Garroson is veretlen maradt, ezzel teljesítette az úgynevezett karrier Grand Slamet, miután mind a négy Grand Slam-tornát megnyerte legalább egyszer. 2014-ben második címét is megszerezte a Roland Garroson. A női tenisz történetében ő a tizedik játékos, az open érában pedig a hatodik, akinek sikerült ez a bravúr. Eddig összesen 27 WTA-címet szerzett egyéniben, s hármat párosban.
A londoni olimpián ezüstérmet szerzett egyesben, miután a döntőben vereséget szenvedett Serena Williamstől.
2007-től kezdődően Sarapova a sérült jobb vállával bajlódott, és 2007októberében – három év után először – kiesett a ranglista legjobb öt játékosa közül. 2008-ban átesett egy műtéten, ami miatt 2009 májusáig nem teniszezhetett versenyszerűen. Sérülése miatt visszacsúszott a 126. helyre a WTA ranglistáján, de 2009-ben visszakapaszkodott az élvonalba, és az évet a ranglista 14. helyén zárta. 2012-es Roland Garros-győzelmének köszönhetően négy év elteltével újra a világranglista élére állt, de négy hét után elveszítette a vezető pozícióját.
Népszerűségét jelzi, hogy 2005-ben és 2008-ban a sportolók közül Sarapovára kerestek rá a Yahoo! honlapján a legtöbben. 2008 júliusában a pályán és azon kívül elért sikerei miatt ő volt a legjobban fizetett női sportoló 26 millió dolláros éves keresetével.
A tenisz mellett Sarapova modellként leszerződött az IMG modellügynökséghez, és több alkalommal is megbízták, például a Sports Illustrated is. Szerződése van többek közt a Nike, a Canon, a TAG Heuer, a Land Rover, a Colgate, a Gatorade, a Tropicana, a Head és a Sony Ericsson multinacionális cégekkel.
2016. januárban a szervezetében tiltott szert mutattak ki, melynek következtében két éves eltiltást kapott. Az eltiltás ellen fellebbezést nyújtott be a Nemzetközi Sportdöntőbírósághoz, amely a büntetést 15 hónapra csökkentette, így 2017. április 26-tól ismét versenyezhet.
above: NEW! NoHigher! Boris Nikolaevich Yuriev - tail rotor system designer
Первый официальный документ, где оно было зафиксировано - протокол заседания Технической Комиссии Центрального Совета ОСОАВИАХИМа под председательством Б. Н. Юрьева от 8 февраля 1929 года.
Boris N. Yur'ev (Yuriev) (1889 – 1957) built the first ever tail rotor helicopter. He was trained at the prestigious institute Zhukovsky institute, training straight from Nikolai Zhukovsky himself. Yuriev studied at the Imperial Moscow Technical School in 1907, and under Zhukovsky's lectures, he furthered his interests in aviation. Having a basic training in mathematics, Yuriev focused on the helicopter, first conducting systematic, configuration studies, followed by single rotor configuration sketches and eventually building one of each type of his designs. He was also behind a study program with the objective of producing a single-rotor helicopter using a single tail rotor in 1911. The first-ever tail rotor helicopter was built in 1912 by Yuriev and later received grants. He was also involved in the design of a "floatcopter" which is a boat with hovering and vertical flight capabilities. https://www.researchgate.net/publication/293536315_Boris_N_Yur'ev_tail-rotor_helicopter_pioneer
above: NEW+! HiRes! Jordan "Joca" Carver with French Aerospatiale AS-350B "Equerell" - "Mókus" Eurocopter/Airbus source: Hu. Google G+ collector: Mr. Bányiczki Zoltán Pin-Up expert.
Jordan Carver (30 de janeiro de 1986) é uma modelo glamour e atriz alemã, que mora atualmente nos Estados Unidos, onde tem maior fama. https://pt.wikipedia.org/wiki/Jordan_Carver
above: NEW! MedRes! Scene clip - Schnitt - Jelenet-Vágás: French made Sud Aviation SA-313 Alouette-II 'Lama' Gendarme heli on appron of Nice IAP in schnitt of the movie 'The day of the Jackal' pursuit scene by Deputy Commissioner Claude Lebel source: youtube
The Day of the Jackal is a 1973 British-French political thriller film directed by Fred Zinnemann and starring Edward Fox and Michel Lonsdale. Based on the 1971 novel The Day of the Jackal by Frederick Forsyth, the film is about a professional assassin known only as the "Jackal" who is hired to assassinate French president Charles de Gaulle in the summer of 1963.
The Day of the Jackal received positive reviews and went on to win the BAFTA Award for Best Editing (Ralph Kemplen), five additional BAFTA Award nominations, two Golden Globe Award nominations, and one Academy Award nomination. The film grossed $16,056,255 at the box office, and earned an additional $8,525,000 in North American rentals. The British Film Institute ranked it the 74th greatest British film of the 20th century. ...
190.) Citroën DS 19 & 21 "Pallas" ("Cápa"), Hydropneumatics suspension system. Française classical car. Général de Gaulle. Movie: The day of the Jackal - A Sakál napja, Fox, Fr. actoress: https://szextant.blogspot.com/2016/12/190-citroen-ds-19-21-pallas-capa.html
above: NEW! HiRes! (Crop!) Belgian army Alouette II source: Wikipedia
The Aérospatiale Alouette II (French pronunciation: [alwɛt], Lark; company designations SA 313 and SA 318) is a French light helicopter originally manufactured by Sud Aviation and later Aérospatiale. It was the first production helicopter powered by a gas turbine engine instead of the heavier conventional piston powerplant. ... https://en.wikipedia.org/wiki/A%C3%A9rospatiale_Alouette_II
above: NEW! HiRes! (Crop!) Closeup of a Turboméca Astazou IIAF turboshaft engin of a SA 318C Alouette II (Aérospatiale Alouette II) helicopter of Bundesgrenzschutz was the first federal police organization in West Germany. source: Wikipedia
above: NEW! HiRes! Fr. text: Rotor principal de l'Alouette-II au Deutsches Museum à Munich. L’auteur n’a pas pu être identifié automatiquement. Il est supposé qu'il s'agit de : Jaypee (étant donné la revendication de droit d’auteur). — La source n’a pas pu être reconnue automatiquement. « Travail personnel » supposé (étant donné la revendication de droit d’auteur).
Deutsches Museum Munich Photo: J.-P- Donzey. source: Fr. Wikipedia
above: NEW! MedRes! beginner Mil's cyrillic sketch below: MedRes! 'Zrinyi' publisher - HTF
above: NEW! NoHigher! Flexible rotorhead (Eurocopter)
above: NEW! NoHigher! EH-101 'Merlin' airframe materials
NEW! above: MedRes! Helicopter airframe below: NoHigher! helicopter basic & directional-flight
above: NEW! HiRes! Evolution of Helicopters source: pinterest
Bell HSL-1
above & below: NEW! NoHigher! Piaseczky HRP-1 1.) "Flying-banana" in Korea war 2.) Flying-banana-October.24, 1919-Frank Piasecki is born in Philadelphia
above: NEW! HiRes! Piasecki HRP-1 'Rescuer' (also called Harp) "Flying Banana" helicopter at Naval Air Station Key West minus exterior doped fabric skin. source: Wikipedia
Role: Tandem-rotor transport/rescue helicopter
Manufacturer: Piasecki Helicopter
Designer: Frank Piasecki
First flight: 1945 Introduction: 1947
Primary users: United States Navy
United States Coast Guard & United States Marine Corps
Number built: 28
above: NEW! HiRes! Juci'bacsi's scan collect: Attached Advert of 'Revell' kits also FREE!
above: NEW! NoHigher! H-21 landing to Heliport of "Texastower" sea radar platform
Piaseczky H-16 'Transporter'
Tin Toy & Budapest: http://szextant.blogspot.hu/2014/07/114-lemezjatekok-1-resz-kresz-palya.html
above & below: NEW! NoHigher! Piaseczky H-16 'Transporter'
above: NEW! NoHigher! Belvedere helicopter at Filton, Bristol, England. - Fr. text: Bristol 192 Belvedere à rotors contrarotatifs en tandem. source: Fr. Wikipedia
above: NEW! NoHigher! (Backround filled!) A banana is an edible fruit – botanically a berry – produced by several kinds of large herbaceous flowering plants in the genus Musa. - A banán a trópusokon elterjedt és termesztett egyszikű, lágy szárú, bár gyakran fatermetű növények nemzetsége a banánfélék (Musaceae) róluk elnevezett családjában. - Бана́н — название съедобных плодов культивируемых растений рода Банан (Musa); обычно под таковыми понимают Musa acuminata и Musa × paradisiaca, а также Musa balbisiana, Musa fehi, Musa troglodytarum и ряд других. source: Wikipedia
above: NEW! MedRes! (Crop Vert.!) A U.S. Coast Guard Piasecki HRP-1G Rescuer. The USCG operated three "Flying Bananas" (as they were colloqually known) starting in 1948. They were based at CGAS Elizabeth City, North Carolina, and used until 1951. CG-111826 crashed in 1951, the other two were returned to the U.S. Navy. source: Wikipedia
above: NEW+! NoHigher! Piaseczki - Vertol CH-21C 'Workhorse/Shawnee' source: warbirds
above: NEW! MedRes! (Crop vert.!) Renovated & overhauled CH-21 on display
above & below: NEW! NoHigher! Piaseczki - Boeing Vertol H-21C in GFR German ARMY/LandForces - Bundesheer ' HEER '
above: NEW! MedRes! Piaseczky H-21 'Work Horse' amblinannie drawing
NEW! above:HiRes! CH-46 Three-view outline drawing - Háromnézeti Jellegrajz below: MedRes! Made in South Korea: ACADEMY CH-46E
NEW!: Video: Anthology of birds of war egy új, Swedish pilot does crazy things with Chinook helicopter! című videót (január 31., 13:00) tett elérhetővé az idővonalán.
január 31., 13:00 https://www.facebook.com/anthologybirds/videos/
above: NEW! HiRes! (Assembled & Edited!) MARINES ' Amazons: "Hotshotsmak" after desert action. source: Czech made 'Coyotak' calendar web-demo

above: NEW! HiRes! (Assembled & Edited!) MARINES ' Amazons: "Hotshotsmak" after desert action. source: Czech made 'Coyotak' calendar web-demo

above: NEW! Left: MedRes! Swedish Armed Forces' CH-46s: Left: Svenska Army - FÖRSVARSTMAKTEN photo by: Daniel Karlsson Via by: Fineart America Right: MedRes! Swdish Air Force - FLUGVAPNET source: flickriver.com via: Pinterest.com
above: NEW! MedRes! US Marines CH-46 howering over SSN 'Ohio' class USN submarine Apra Harbor, Guam-Nov. 7, 2001 source: pinterest below: MedRes! Canadian S.A.R. RESCUE - SAUVETAGE CH-46 'Labrador' on cliff-richard
18+above: NEW! NoHigher! the victim in need of rescue, Lily - a megmentésre szoruló áldozat, Lily photo by: Andrei source: mellbimbo.eu
above: NEW! NoHigher! USN CH-46E 'Sea Knight' source: Pinterest.com
NEW! above: MedRes! Dirty Rotor turbulence - Koszos rotorörvény below: NoHigher! Burning
above: NEW! MedRes! Boeing-Vertol CH-46 cutaway by: FLIGHT I N T E R N A T I O N A L
above: NEW! HiRes! Spanish Army CH-47 'Chinook'. source: Es. Wikipedia
NEW! above: NoHigher! CH-47 "Glass-Cockpit" below: MedRes! source: Makettinfo.hu Boeing-Vertol CH-47D 'Chinook' tandem rotors
above: NEW! NoHigher! CH-47 rotorhead
above: NEW! NoHigher! Parts of RC model helicopter
RC- Model Helicopters: http://szextant.blogspot.hu/2014/10/139-model-helikopterek-rc-helicopter.html
above: HiRes! some rotorcontrol schematics below: NEW! NoHigher! Princips
above: NEW! NoHigher! Linkage of Controls below: NEW! NoHigher! Stabilizer

above: new! HiRes! Mil Mi-1 rotor control automat device
above: new! HiRes! Swashplate below: NEW! Rotorheads
below: three/Some: NEW! De. text princip pics
above Some: NEW! NoHigher! De. text DDR: princip of the NVA's Mi-8 dia-slides

above four: NEW! MedRes! Juci'bácsi's collect from 1970's: Hu. text: Hungarian princip from 'Military Technic' pamflet/booklet - 'Haditechnika Fiataloknak' füzet HM Zrínyi-kiadó 1970s
above: Hu. text: a forgószárny kúp-síkjának (rotorsík) dőlési szögeinek változása változása a kormányzás általi haladási irányok szerint. A lényeg, hogy merre mutat az eredő vektor (Emelőerő + Tolóerő=Eredőerő).

about: NEW! Show this "Coriolis" rotating power http://letigrecoda.tumblr.com/
above: NEW! MedRes! Helicopter rotor zones - Схема зон несущего винта во время полёта
source: Ru. Wikipedia
above: two: NEW! below: two: NEW! MedRes! below: NEW!

above: NEW! MedRes! cyrillic Theory below: Cyr. text
above: NEW! NoHigher! The cyclic hat by: Katherine Heigl 'Vanity Fair' magazine January 2008.
above: NEW! NoHigher! Ru. text: Распределение скоростей участков лопастей несущего винта в полёте на азимутах 90° и 270°. ω — угловая скорость вращения винта, R — длина лопастей, R•ω — окружная скорость конца лопасти - The distribution of the speeds of the sections of the rotor blades in flight at azimuths of 90 ° and 270 °. ω is the angular speed of rotation of the screw, R is the length of the blades, R • ω is the peripheral speed of the end of the blade - A rotorlapátok szakaszai sebességének eloszlása repülés közben 90 ° és 270 ° azimutoknál. ω a csavar forgási sebessége szögben, R a pengék hossza, R • ω a penge végének kerületi sebessége.
above: NEW! NoHigher! Helicopter rotor joints - Смещение центра масс винта, вызванное поворотом лопастей в вертикальных шарнирах (1 — положение центра масс до поворота лопастей, 2 — после поворота лопастей). source: Ru. Wikipedia

above: NEW! NoHigher! Different speeds of different rotor blade sections - De. text: Unterschiedliche Geschwindigkeiten von verschiedenen Rotorblattabschnitten Gif. source: de. Wikipedia
above: NEW! NoHigher! Schematic representation of the dependence of buoyancy on the radius of rotation - De. text: Schematische Darstellung der Abhängigkeit des Auftriebes vom Umlaufradius. - Hu. text: A felhajtóerő függvényének sematikus ábrázolása a forgás sugara alapján. gif
source: de. Wikipedia
above: NEW! relatives below: NEW! Showing the rotating sectors.
above: NEW! NoHigher! DDR - NVA - National VolksArmee dia-slide of Mi-8 aerodinamics
above: NEW! NoHigher Gif: Flexible junction rotorhead control by washplate source: pinterest
above: NEW! NoHigher! Swashplate style skirt by Victoria's Secret couture fashion on Swedish supermodel Romee Strijd
above: NEW! HiRes! Focke-Achgelis Fa 330 „Bachstelze“ in 'Smithsonian' NASM - National Air and Space Museum in Washington D.C. 2009.
The Focke-Achgelis Fa 330 Bachstelze (English: Wagtail) was a type of rotary-wing kite, known as a rotor kite. They were towed behind German U-boats during World War II to allow a lookout to see further. ... https://en.wikipedia.org/wiki/Focke-Achgelis_Fa_330
above: NEW! MedRes! Balett Cyclic: Model: Audrey Adams by Curtis Noble photography source: www.facebook.com/pg/CurtisNoblePhotography/photos
above: NoHigher! Mi-8 rotorhub Electricity contactor/collector & distributor anti icing and contour lights on blades' tip - Elektromos kollektor a fsz. jégtelenítéshez és a lapát kontúrfényekhez.
Mi-8 VR-8 reduktor
Forgószárnyvezérlő Automata - VR-8 gearbox - Rotor Control
above three: NEW! HiRes! Line Cross-Drawings
NoHigher! above: NEW! Mi-8 transmission below: schema of Mil Mi-17 rotors drive and RPMs

above: NEW! NoHigher! DDR NVA's Mi-8 aerodinamics dia-slides
below: NEW! en. WIKIPEDIA: Main Rotor
En. text: From the Wikipedia.org: A helicopter main rotor or rotor system is the combination of several rotary wings (rotor blades) and a control system that generates the aerodynamic lift force that supports the weight of the helicopter, and the thrust that counteracts aerodynamic drag in forward flight. Each main rotor is mounted on a vertical mast over the top of the helicopter, as opposed to a helicopter tail rotor, which connects through a combination of drive shaft(s) and gearboxes along the tail boom. The blade pitch is typically controlled by a swashplate connected to the helicopter flight controls. Helicopters are one example of rotary-wing aircraft (rotorcraft). The name is derived from the Greek words helix, helik-, meaning spiral; and pteron meaning wing.
De. text: Der Hauptrotor ist die zwei- oder mehrblättrige dynamische Systemkomponente eines Hubschraubers, die durch ihre Drehung um die Rotorachse den Auftrieb sowie durch zyklische Änderung des Anstellwinkels der Rotorblätter dessen Steuerung und Vortrieb sicherstellt. Der Hauptrotor besteht grundsätzlich aus der Rotorwelle (1), der Taumelscheibe (2), den Steuerstangen (4 und 10), dem Rotorkopf mit der Rotornabe (6), den Rotorblatthaltern mit den Drehgelenken (7) und den Rotorblättern (9).
Hinweis: Alle in diesem Artikel in Klammern angegebenen Zahlen beziehen sich auf die Legende in der nebenstehenden Grafik. ... https://de.wikipedia.org/wiki/Hauptrotor
Fr. text: Le rotor principal est l'élément composé de plusieurs pales qui par sa rotation permet la sustentation, le pilotage et la propulsion d'un hélicoptère. Selon le type d'hélicoptère, le rotor peut être de type rigide, semi rigide ou articulé, il peut être un rotor tripale, quadripale. Le rotor doit permettre : l'entraînement des pales en rotation, l'articulation de battement, l'articulation de traînée et l'articulation de changement de pas. ... https://fr.wikipedia.org/wiki/Rotor_principal
Es. text: Un rotor de helicóptero es la parte rotativa de un helicóptero que genera la sustentación aerodinámica. El rotor de helicóptero, también llamado el sistema rotor, normalmente hace referencia al rotor principal del helicóptero que está montado en un mástil vertical sobre la parte superior del helicóptero, aunque también puede referirse al rotor de cola. Un rotor generalmente está compuesto de dos o más palas. En los helicópteros, el rotor principal proporciona tanto la fuerza de sustentación como la de empuje, mientras que el rotor de cola proporciona empuje para compensar el par motor que genera el rotor principal. ...
Ru. text: Несущий (основной) винт — воздушный винт с вертикальной осью вращения, обеспечивающий подъёмную силу винтокрылому летательному аппарату (как правило, вертолётам), позволяющий выполнять управляемый горизонтальный полёт и совершать посадку. Основная функция такого винта — «нести» летательный аппарат, что и отражено в названии. Также его весьма часто называют просто ротором.
Кроме вертолётов, несущие винты имеются у автожиров, винтокрылов, конвертопланов и у летающих платформ. ... https://ru.wikipedia.org/wiki/Nesusiy-Vint
Zh. text: 旋翼(英語:Rotor)是直升机上产生升力的主要旋转组件,同时也可为直升机提供推进力和操纵力。旋翼並非螺旋槳,雖然二者原理近乎相同,但名稱上有別。直升機有分主旋翼以及尾旋翼,主旋翼提供升力作為飛行的動力,基本構成由主齒輪箱傳遞動力的大軸、主旋翼頭、抑震系統。在槳葉數目由基本的二葉、三葉、四葉、五葉至最高八葉。...
Ja. text: ヘリコプターのメイン・ローターまたはローター系統は、数枚の回転する翼(ローター・ブレード)に操縦系統を組み合わせ、ヘリコプターの重量を支える揚力と空気抵抗に打ち勝って前方に進む推力を生み出す。メイン・ローターは、ヘリコプターから垂直に伸びたマストに取り付けられる。一方、テール・ローターは、テール・ブームに配置され、ドライブシャフトおよびギアボックスを介して駆動される。ブレード・ピッチの制御は、ヘリコプターの操縦装置に接続されているスワッシュ・プレートによって行われるのが一般的である。ヘリコプターは回転翼機の1つの形態であり、その名前は「らせん」を意味する「ヘリコ」と「翼」を意味する「プタロン」というギリシャ語に由来している。...
above: HiRes! (Crop!) A decorated Japanese Taketombo in Tokyo Japan. bamboo-copter. The toy consists of a rotor attached to a stick. Haragayato - Photo taken by Haragayato using a FinePix F30, and edited. - Ja. text: ローターに棒が付けられた、日本の竹とんぼ source: Wikipedia
History and development: The use of a rotor for vertical flight has existed since 400 BC in the form of the bamboo-copter, an ancient Chinese toy. The bamboo-copter is spun by rolling a stick attached to a rotor. The spinning creates lift, and the toy flies when released. The philosopher Ge Hong's book the Baopuzi (Master Who Embraces Simplicity), written around 317, describes the apocryphal use of a possible rotor in aircraft: "Some have made flying cars [feiche 飛車] with wood from the inner part of the jujube tree, using ox-leather (straps) fastened to returning blades so as to set the machine in motion." Leonardo da Vinci designed a machine known as an "aerial screw" with a rotor based on a water screw. The Russian polymath Mikhail Lomonosov developed a rotor based on the Chinese toy. The French naturalist Christian de Launoy constructed his rotor out of turkey feathers. Sir George Cayley, inspired by the Chinese toy in his childhood, created multiple vertical flight machines with rotors made of tin sheets. Alphonse Pénaud would later develop the coaxial rotor model helicopter toys in 1870, powered by rubber bands. One of these toys, given as a gift by their father, would inspire the Wright brothers to pursue the dream of flight.
Before development of powered helicopters in the mid 20th century, autogyro pioneer Juan de la Cierva researched and developed many of the fundamentals of the rotor. De la Cierva is credited with successful development of multi-bladed, fully articulated rotor systems. This system, in its various modified forms, is the basis of most multi-bladed helicopter rotor systems.
The first successful attempt at a single-lift rotor helicopter design used a four-blade main rotor, as designed by Soviet aeronautical engineers Boris N. Yuriev and Alexei M. Cheremukhin, both working at the Tsentralniy Aerogidrodinamicheskiy Institut (TsAGI, the Central Aerohydrodynamic Institute) near Moscow in the early 1930s. Their TsAGI 1-EA helicopter was able to fly in low altitude testing in 1931-32, with Cheremukhin flying it as high as 605 meters (1,985 ft) by mid-August 1932.
In the 1930s, Arthur Young improved the stability of two-bladed rotor systems with the introduction of a stabilizer bar. This system was used in several Bell and Hiller helicopter models. The Hiller system variant using airfoiled paddles at the flybar's ends has been used in many of the earliest designs of remote control model helicopters, from their 1970s origins onwards to the very early 21st century.
In the late 1940s, the making of helicopter rotor blades was a job that inspired John T. Parsons to be a pioneer of numerical control (NC). NC and CNC turned out to be an important new technology that later affected all machining industries.
above: HiRes! MH-60S 'Sea Hawk' Mission C.S.A.R. helicopter in training flight, participates in a training exercise near the aircraft carrier USS 'Carl Vinson' In the Pacific Ocean, Jan. 29, 2017. source: Wikipedia
Design Overview:
The helicopter rotor is powered by the engine, through the transmission, to the rotating mast. The mast is a cylindrical metal shaft that extends upward from—and is driven by—the transmission. At the top of the mast is the attachment point for the rotor blades called the hub. The rotor blades are then attached to the hub, and the hub can have 10-20 times the drag of the blade. Main rotor systems are classified according to how the main rotor blades are attached and move relative to the main rotor hub. There are three basic classifications: hingeless, teetering, and fully articulated, although some modern rotor systems use a combination of these classifications. A rotor is a finely tuned rotating mass, and different subtle adjustments reduce vibrations at different airspeeds. The rotors are designed to operate at a fixed RPM (within a narrow range of a few percent), but a few experimental aircraft used variable speed rotors.
above: HiRes! Tail rotor for an MH-60R 'Sea Hawk': 170808-N-HV059-015 SEA OF HEBRIDES (Aug. 8, 2017) Aviation Machinist's Mate 3rd Class David Montana conducts maintenance on the tail gear box of an MH-60-R Sea Hawk helicopter, attached to Helicopter Maritime Strike Squadron (HSM) 60, on the flight deck of the Ticonderoga-class guided-missile cruiser USS Leyte Gulf (CG 55), Aug. 8, 2017. Leyte Gulf is conducting naval operations in the U.S. 6th Fleet area of operations in support of U.S. national security interests in Europe. (U.S. Navy photo by Mass Communication Specialist 2nd Class Sonja Wickard/Released) source: Wikipedia
Unlike the small diameter fans used in turbofan jet engines, the main rotor on a helicopter has a large diameter that lets it accelerate a large volume of air. This permits a lower downwash velocity for a given amount of thrust. As it is more efficient at low speeds to accelerate a large amount of air by a small degree than a small amount of air by a large degree, a low disc loading (thrust per disc area) greatly increases the aircraft's energy efficiency, and this reduces the fuel use and permits reasonable range. The hover efficiency ("figure of merit") of a typical helicopter is around 60%. The inner third length of a rotor blade contributes very little to lift due to its low airspeed.
above: NoHigher! (Cropped & Edited!) The simple rotor of a Robinson R22. This picture taken by myself, Benet Allen 21:50, 23 December 2005 (UTC) source: Wikipedia
-The following are driven by the link rods from the rotating part of the swashplate.
- Pitch hinges, allowing the blades to twist about the axis extending from blade root to blade tip.
- Teeter hinge, allowing one blade to rise vertically while the other falls vertically. This motion occurs whenever translational relative wind is present, or in response to a cyclic control input.
- Scissor link and counterweight, carries the main shaft rotation down to the upper swashplate
- Rubber covers protect moving and stationary shafts
- Swashplates, transmitting cyclic and collective pitch to the blades (the top one rotates)
- Three non-rotating control rods transmit pitch information to the lower swashplate
- Main mast leading down to main gearbox
above: HiRes! (Cropped & Edited!) The rotor head of a Sikorsky S-92 source: Wikipedia
Swash plate: Controls vary the pitch of the main rotor blades cyclically throughout rotation. The pilot uses this to control the direction of the rotor thrust vector, which defines the part of the rotor disc where the maximum thrust develops. Collective pitch varies the magnitude of rotor thrust by increasing or decreasing thrust over the whole rotor disc at the same time. These blade pitch variations are controlled by tilting, raising, or lowering the swash plate with the flight controls. The vast majority of helicopters maintain a constant rotor speed (RPM) during flight, leaving the angle of attack of the blades as the sole means of adjusting thrust from the rotor.
The swash plate is two concentric disks or plates. One plate rotates with the mast, connected by idle links, while the other does not rotate. The rotating plate is also connected to the individual blades through pitch links and pitch horns. The non-rotating plate is connected to links that are manipulated by pilot controls—specifically, the collective and cyclic controls. The swash plate can shift vertically and tilt. Through shifting and tilting, the non-rotating plate controls the rotating plate, which in turn controls the individual blade pitch.
above: NoHigher! The first autogyro to fly successfully in 1923, invented by Juan de la Cierva, called the C.4, built by Juan de la Cierva y Codorníu from US Centennial of Flight web page. Original photo is owned by Hillel Aviation Museum. source: Wikipedia
Juan de la Cierva developed the fully articulating rotor for the autogyro. The basis of his design permitted successful helicopter development. In a fully articulated rotor system, each rotor blade is attached to the rotor hub through a series of hinges that let the blade move independently of the others. These rotor systems usually have three or more blades. The blades are allowed to flap, feather, and lead or lag independently of each other. The horizontal hinge, called the flapping hinge, allows the blade to move up and down. This movement is called flapping and is designed to compensate for dissymmetry of lift. The flapping hinge may be located at varying distances from the rotor hub, and there may be more than one hinge. The vertical hinge, called the lead-lag hinge or drag hinge, allows the blade to move back and forth. This movement is called lead-lag, dragging, or hunting. Dampers are usually used to prevent excess back and forth movement around the drag hinge. The purpose of the drag hinge and dampers is to compensate for acceleration and deceleration caused by the Coriolis effect. Later models have switched from using traditional bearings to elastomeric bearings. Elastomeric bearings are naturally fail-safe and their wear is gradual and visible. The metal-to-metal contact of older bearings and the need for lubrication is eliminated in this design. The third hinge in the fully articulated system is called the feathering hinge about the feathering axis. This hinge is responsible for the change in pitch of rotor blades excited via pilot input to the collective or cyclic.
Austrian Autogyro
above: NoHigher! Diagram of fully articulated main rotor head. Parts of fully articulated main rotor head of helicopters and the associated motions of the blades. source: Wikipedia
Fully articulated: A variation of the fully articulated system is the soft-in-plane rotor system. This type of rotor can be found on several aircraft produced by Bell Helicopter, such as the OH-58D Kiowa Warrior. This system is similar to the fully articulated type in that each blade has the ability to lead/lag and hunt independently of the other blades. The difference between a fully articulated system and soft-in-plane system is that the soft-in-plane system utilises a composite yoke. This yoke is attached to the mast and runs through the blade grips between the blades and the shear bearing inside the grip. This yoke does transfer some movement of one blade to another, usually opposing blades. While this is not fully articulated, the flight characteristics are very similar and maintenance time and cost are reduced.
above: NoHigher! Шарнирное соединение на Ми-8 - Mi-8MTV source: Ru. Wikipedia
Aircraft:
AgustaWestland AW109
Hughes TH-55 Osage
MD Helicopters MD 500
Sikorsky S-300
Guimbal Cabri G2
Rigid: The term "rigid rotor" usually refers to a hingeless rotor system with blades flexibly attached to the hub. Irv Culver of Lockheed developed one of the first rigid rotors, which was tested and developed on a series of helicopters in the 1960s and 1970s. In a rigid rotor system, each blade flaps and drags about flexible sections of the root. A rigid rotor system is mechanically simpler than a fully articulated rotor system. Loads from flapping and lead/lag forces are accommodated through rotor blades flexing, rather than through hinges. By flexing, the blades themselves compensate for the forces that previously required rugged hinges. The result is a rotor system that has less lag in control response because of the large hub moment typically generated. The rigid rotor system thus eliminates the danger of mast bumping inherent in teetering rotors.
Aircraft:
MBB Bo 105
Eurocopter EC135
HAL Dhruv/HAL Rudra
HAL Light Combat Helicopter
Sikorsky X2
Sikorsky S-97 Raider
Sikorsky–Boeing SB-1 Defiant
Westland Lynx
above: HiRes! Swiss Agusta A109K2 rescue helicopter. A rescue helicopter type Agusta A109K2 leaves Mount Pilatus after recovering a patient. source: Wikipedia
Semirigid: The semirigid rotor can also be referred to as a teetering or seesaw rotor. This system is normally composed of two blades that meet just under a common flapping or teetering hinge at the rotor shaft. This allows the blades to flap together in opposite motions like a seesaw. This underslinging of the blades below the teetering hinge, combined with an adequate dihedral or coning angle on the blades, minimizes variations in the radius of each blade's center of mass from the axis of rotation as the rotor turns, which in turn reduces the stress on the blades from lead and lag forces caused by the Coriolis effect. Secondary flapping hinges may also be provided to provide sufficient flexibility to minimize bouncing. Feathering is accomplished by the feathering hinge at the blade root, which allows changes to the pitch angle of the blade.
above: HiRes! (Cropped & Edited!) Semirigid rotor system with Flybar. NAVY's Bell 212/HH-1N rotor head source: Wikipedia
NEW! above: HiRes! (Crop!) ARMY Aviation's - Csapatrepülő Agusta-Westland 'WG.13 'Lynx'/'Super Lynx' equip .50 cal HMG below: NoHigher! Royal Navy 'Lynx' source: facebook
Flybar (stabilizer bar): The Lockheed rotor system used a control gyro, similar in principle to that of the Bell stabilizer bar, but designed for both hands-off stability and rapid control response of the hingeless rotor system.
In fly-by-wire helicopters or RC models, a microcontroller with gyroscope sensors and a Venturi sensor can replace the stabilizer. This flybar-less design has the advantage of easy reconfiguration and fewer mechanical parts. Even though a real RC helicopter with flybar must keep a gyroscope on each axis.
A number of engineers, among them Arthur M. Young in the U.S. and radio-control aeromodeler Dieter Schlüter in Germany, found that flight stability for helicopters could be achieved with a stabilizer bar, or flybar. The flybar has a weight or paddle (or both for added stability on smaller helicopters) at each end to maintain a constant plane of rotation. Through mechanical linkages, the stable rotation of the bar mixes with the swashplate movement to damp internal (steering) as well as external (wind) forces on the rotor. This makes it easier for the pilot to maintain control of the aircraft. Stanley Hiller arrived at a similar method to improve stability by adding short stubby airfoils, or paddles, at each end. However, Hiller's "Rotormatic" system also delivered cyclic control inputs to the main rotor as a sort of control rotor, and the paddles provided the added stability by damping the effects of external forces on the rotor.
Aircraft:
Bell 47
Bell 206/OH-58
Bell UH-1 Iroquois
Bell AH-1 Cobra
Robinson R22
Robinson R44
Robinson R66
above: NEW! NoHigher! (Crop!) Bell AH-1W "Huey Cobra"-"Whisky Cobra" source: facebook
Combination: Modern rotor systems may use the combined principles of the rotor systems mentioned above. Some rotor hubs incorporate a flexible hub, which allows for blade bending (flexing) without the need for bearings or hinges. These systems, called "flexures", are usually constructed from composite material. Elastomeric bearings may also be used in place of conventional roller bearings. Elastomeric bearings are constructed from a rubber type material and provide limited movement that is perfectly suited for helicopter applications. Flexures and elastomeric bearings require no lubrication and, therefore, require less maintenance. They also absorb vibration, which means less fatigue and longer service life for the helicopter components.
Aircraft:
Bell 407
Bell 430
Eurocopter AS350
Rotor configurations: Most helicopters have a single main rotor but require a separate rotor to overcome torque. This is accomplished through a variable-pitch antitorque rotor or tail rotor. This is the design that Igor Sikorsky settled on for his VS-300 helicopter, and it has become the recognized convention for helicopter design, although designs do vary. When viewed from above, the vast majority of helicopter rotors turn counter-clockwise; the rotors of French and Russian helicopters turn clockwise.
above: NoHigher! (Crop!) Antitorque: Torque effect on a helicopter. Description of helicopter torque effect. From the FAA Rotorcraft Flying Handbook. source: Wikipedia
above: NoHigher! Navy 'Lynx' HAS-3 during acrobatic demo
Single main rotor: With a single main rotor helicopter, the creation of torque as the engine turns the rotor creates a torque effect that causes the body of the helicopter to turn in the opposite direction of the rotor. To eliminate this effect, some sort of antitorque control must be used with a sufficient margin of power available to allow the helicopter to maintain its heading and provide yaw control. The three most common controls used today are the tail rotor, Eurocopter's Fenestron (also called a fantail), and MD Helicopters' NOTAR.
above: HiRes! (Cropped & Edited!) Tail rotor of an SA 330 Puma. ail rotor of an Aérospatiale Puma of the 801 Squadron of Air Forces (Spanish Air Force) in the Festa del Cel in Barcelona (España). source: Wikipedia
Tail rotor: The tail rotor is a smaller rotor mounted so that it rotates vertically or near-vertically at the end of the tail of a traditional single-rotor helicopter. The tail rotor's position and distance from the centre of gravity allow it to develop thrust in a direction opposite of the main rotor's rotation to counter the torque effect created by the main rotor. Tail rotors are simpler than main rotors since they require only collective changes in pitch to vary thrust. The pitch of the tail rotor blades is adjustable by the pilot via the anti-torque pedals, which also provide directional control by allowing the pilot to rotate the helicopter around its vertical axis, thereby changing the direction the craft is pointed.
above: HiRes! (Crop!) Es. text: Rotor de cola de tres palas en un DDR-NVA/Luftwaffe Mil Mi-24. source: Es. Wikipedia
Fenestron and FANTAIL are trademarks for a ducted fan mounted at the end of the tail boom of the helicopter and used in place of a tail rotor. Ducted fans have between eight and eighteen blades arranged with irregular spacing so that the noise is distributed over different frequencies. The housing is integral with the aircraft skin and allows a high rotational speed; therefore, a ducted fan can have a smaller size than a conventional tail rotor.
above: NoHigher! (Crop!) Fenestron on an EC 120B. The "Fenestron" (tail-rotor shrouding) of Eurocopter EC120B, built 2002, photographed at the Heli-Day, Kemble Airfield, England, in August 2003. source: Wikipedia
Ducted fan: The Fenestron was used for the first time at the end of the 1960s on the second experimental model of Sud Aviation's SA 340 and produced on the later model Aérospatiale SA 341 Gazelle. Besides Eurocopter and its predecessors, a ducted fan tail rotor was also used on the canceled military helicopter project, the United States Army's RAH-66 Comanche, as the FANTAIL.
above: NoHigher! Diagram showing the movement of air through the NOTAR system source: Wikipedia
NOTAR, an acronym for NO TAil Rotor, is a helicopter anti-torque system that eliminates the use of the tail rotor on a helicopter. Although the concept took some time to refine, the NOTAR system is simple in theory and provides antitorque the same way a wing develops lift by using the Coandă effect. A variable pitch fan is enclosed in the aft fuselage section immediately forward of the tail boom and is driven by the main rotor transmission. To provide the sideways force to counteract the clockwise torque produced by a counterclockwise-spinning main rotor (as seen from above the main rotor), the variable-pitch fan forces low pressure air through two slots on the right side of the tailboom, causing the downwash from the main rotor to hug the tailboom, producing lift and thus a measure of antitorque proportional to the amount of airflow from the rotorwash. This is augmented by a direct jet thruster which also provides directional yaw control, with the presence of a fixed-surface empennage near the end of the tail, incorporating vertical stabilizers.
Development of the NOTAR system dates back to 1975 when engineers at Hughes Helicopters began concept development work. In December 1981, Hughes flew an OH-6A fitted with NOTAR for the first time. A more heavily modified prototype demonstrator first flew in March 1986 and successfully completed an advanced flight-test program, validating the system for future application in helicopter design. There are currently three production helicopters that incorporate the NOTAR design, all produced by MD Helicopters. This antitorque design also improves safety by eliminating the possibility of personnel walking into the tail rotor.
A predecessor (of sorts) to this system existed in the form of Great Britain's Cierva W.9 helicopter, a late 1940s aircraft using the cooling fan from its piston engine to push air through a nozzle built into the tailboom to counteract rotor-torque.
above: HiRes! (Cropped & Edited!) A MD500N helicopter (G-SMAC, built 1992) at Kemble Airfield, Gloucestershire, England. source: Es. Wikipedia
The main rotor may be driven by tip jets. Such a system may be powered by high pressure air provided by a compressor. The air may or may not be mixed with fuel and burnt in ram-jets, pulse-jets, or rockets. Though this method is simple and eliminates torque reaction, prototypes that have been built are less fuel efficient than conventional helicopters. Except for tip jets driven by unburnt compressed air, very high noise levels is the single most important reason why tip jet powered rotors have not gained wide acceptance. However, research into noise suppression is ongoing and may help make this system viable.
Tip jets: There are several examples of tip jet powered rotorcraft. The Percival P.74 was under-powered and could not fly. The Hiller YH-32 Hornet had good lifting capability but performed poorly otherwise. Other aircraft used auxiliary thrust for translational flight so that the tip jets could be shut down while the rotor autorotated. The experimental Fairey Jet Gyrodyne, 48-seat Fairey Rotodyne passenger prototypes and McDonnell XV-1 compound gyroplanes flew well using this method. Perhaps the most unusual design of this type was the Rotary Rocket Roton ATV, which was originally envisioned to take off using a rocket-tipped rotor. The French Sud-Ouest Djinn used unburnt compressed air to drive the rotor, which minimized noise and helped it become the only tip jet driven rotor helicopter to enter production. The Hughes XH-17 had a tip jet-driven rotor, which remains the largest rotor ever fitted to a helicopter.
Dual rotors (counterrotating): Counterrotating rotors are rotorcraft configurations with a pair or more of large horizontal rotors that turn in opposite directions to counteract the torque effect on the aircraft without relying on an antitorque tail rotor. This lets the aircraft apply the power that would have driven a tail rotor to the main rotors, increasing lifting capacity. Primarily, three common configurations use the counterrotating effect on rotorcraft. Tandem rotors are two rotors—one mounted behind the other. Coaxial rotors are two rotors mounted one above the other on the same axis. Intermeshing rotors are two rotors mounted close to each other at a sufficient angle to let the rotors intermesh over the top of the aircraft. Another configuration—found on tiltrotors and some early helicopters—is called transverse rotors, where a pair of rotors are mounted at each end of a wing-type structure or outrigger.
above: MedRes! (Cropped vertical!) Boeing CH-47 Chinook: 'Soldiers from the 101st Airborne Division of Fort Campbell Ky., simulate a sling load of a Howitzer with an CH-47 Chinook helicopter at Fort Benning, Ga. source: Wikipedia
Tandem: Tandem rotors are two horizontal main rotor assemblies mounted one behind the other. Tandem rotors achieve pitch attitude changes to accelerate and decelerate the helicopter through a process called cyclic pitch. To pitch forward and accelerate, both rotors increase the pitch at the rear and reduce the pitch at the front (cyclic) keeping torque the same on both rotors, flying sideways is achieved by increasing the pitch on one side and reducing pitch on the other. Yaw control develops through opposing cyclic pitch in each rotor. To pivot right, the front rotor tilts right and the rear rotor tilts left. To pivot left, the front rotor tilts left and the rear rotor tilts right. All rotor power contributes to lift, and it is simpler to handle changes in the center of gravity fore-aft. However, it requires the expense of two large rotors rather than the more common one large main rotor and a much smaller tail rotor. The Boeing CH-47 Chinook is the most common tandem rotor helicopter.
above: French Breguet G-2 co-axial experimental helicopter
Nikolay Ilyich Kamov - Никола́й Ильи́ч Ка́мов
En. text: Nikolay Ilyich Kamov (Russian: Никола́й Ильи́ч Ка́мов; September 14, 1902 - November 24, 1973) was a Soviet aerospace engineer, a pioneer in the design of helicopters, and founder of the Kamov helicopter design bureau. ... https://en.wikipedia.org/wiki/Nikolay_Kamov
Ru. text: Никола́й Ильи́ч Ка́мов сентября 1902, Иркутск — 24 ноября 1973, Москва) — советский авиаконструктор, создатель вертолётов «Ка», доктор технических наук (1962). Герой Социалистического Труда (1972). Лауреат Государственной премии СССР (1972). ...
above: HiRes! (Cropped vertical!) Kamov Ka-50 'Akula - Shark' of the Russian Air Force, with coaxial rotors. source: Wikipedia
Coaxial: Coaxial rotors and Contra-rotating
Coaxial rotors are a pair of rotors mounted one above the other on the same shaft and turning in opposite directions. The advantage of the coaxial rotor is that, in forward flight, the lift provided by the advancing halves of each rotor compensates for the retreating half of the other, eliminating one of the key effects of dissymmetry of lift: retreating blade stall. However, other design considerations plague coaxial rotors. There is an increased mechanical complexity of the rotor system because it requires linkages and swashplates for two rotor systems. Also, because the rotors must rotate in opposite directions, the mast is more complex, and control linkages for pitch changes to the upper rotor system must pass through the lower rotor system.
above: HiRes! HH-43 'Huskie': U.S. Air Force fire protection specialists fight a fire as an HH-43B Huskie helicopter hovers overhead to create a continuous downward air current, assisting the crew members. The crew is assigned to Detachment 8, 38th Aerospace Rescue and Recovery Squadron, Cam Ranh Bay Air Base, Vietnam. source: Wikipedia
Intermeshing: Intermeshing rotors on a helicopter are a set of two rotors turning in opposite directions with each rotor mast mounted on the helicopter with a slight angle to the other so that the blades intermesh without colliding. This configuration is sometimes referred to as a synchropter. Intermeshing rotors have high stability and powerful lifting capability. The arrangement was pioneered in Nazi Germany in 1939 with Anton Flettner's successful Flettner Fl 265 design, and later placed in limited production as the successful Flettner Fl 282 Kolibri, used by the German Kriegsmarine in small numbers (24 airframes produced) as an experimental light anti-submarine warfare helicopter. During the Cold War, an American company, Kaman Aircraft, produced the HH-43 Huskie for USAF firefighting and rescue missions. The latest Kaman model, the Kaman K-MAX, is a dedicated sky crane design.
NEW! above: NoHigher! below: MedRes! Flettner Fl 282 'Kolibri' bottom: NoHigher! Rotormast


NEW! above: MedRes! below: NoHigher! Flettner Fl 282 'Kolibri' Hi-Tech cutaway model
below: #Transverse rotor system
above: HiRes! (Cropped vertical!) Mil Mi-12 photo: Maarten from Netherlands source: Wikipedia
Bratukhin 'Omega' Experimental Helicopter
above: NEW! HiRes! Juci'bácsi's scan collect, from Hu. text. eng. Vass Balázs; "Repülőgép és Helikopter Típusok" könyv MK - Műszaki Könyvkiadó, Budapest 1968.: Traverse rotor system. Courtesy FREE!
above: NoHigher! Mikhail Leontyevich Mil (Russian: Михаи́л Лео́нтьевич Миль; 22 November 1909 – 31 January 1970) vwas a Russian aerospace engineer and scientist. He was the founder and general designer of the Mil Moscow Helicopter Plant. Wikipedia
above: HiRes! Focke-Wulf Fw 61 in Transversal-Konfiguration. (Hanna Reitsch fliegt mit der Fw 61 V2) source: de. Wikipedia
Heinrich Focke
above & below: NoHigher! Focke - Achgelis Fa 223
Transverse: Transverse rotors are mounted on the end of wings or outriggers perpendicular to the body of the aircraft. Similar to tandem rotors and intermeshing rotors, the transverse rotor also uses differential collective pitch. But like the intermeshing rotors, the transverse rotors use the concept for changes in the roll attitude of the rotorcraft. This configuration is found on two of the first viable helicopters, the Focke-Wulf Fw 61 and the Focke-Achgelis Fa 223, as well as the world's largest helicopter ever built, the Mil Mi-12. It is also the configuration found on tiltrotors such as the Bell-Boeing V-22 Osprey and the AgustaWestland AW609.
above: NoHigher! de Bothezat helicopter, 1923 photo. Helicopter designed by George De Bothezat, making descent at McCook Field after remaining airborne for two minutes, 45 seconds. source: Wikipedia
Quadcopter: A quadcopter has four rotors in an "X" configuration designated as front-left, front-right, rear-left, and rear-right. Rotors to the left and right are in a transverse configuration while those in the front and to the rear are in a tandem configuration.
The main attraction of quadcopters is their mechanical simplicity, since a quadcopter using electric motors and fixed-pitch rotors has only four moving parts. Pitch, yaw and bank can be effected by changing the relative lift of different rotor pairs without changing total lift.

Aerodynamische Schränkung eines Rotorblattes - Geometrische Schränkung eines Rotorblattes
De. text: above: Three: MedRes! below: animation: HiRes! Rotorblätter sind über einen starren Rotorblatthalter mit der Rotorwelle verbunden. Dadurch wird der Schwerpunkt des Rotorblattes bezogen auf die Rotationsachse nach außen. Gif. Animation zum Blattvorlauf eines Rotorblattes source: de. Wikipedia
Rotorblätter sind über einen starren Rotorblatthalter mit der Rotorwelle verbunden. Dadurch wird der Schwerpunkt des Rotorblattes bezogen auf die Rotationsachse nach außen verschoben. Dieses wird in der o.a. Grafik aus Gründen der Vereinfachung nicht berücksichtigt. source: de. Wikipedia
Blade design: The blades of a helicopter are long, narrow airfoils with a high aspect ratio, a shape that minimizes drag from tip vortices (see the wings of a glider for comparison). They generally contain a degree of washout that reduces the lift generated at the tips, where the airflow is fastest and vortex generation would be a significant problem. Rotor blades are made out of various materials, including aluminium, composite structure, and steel or titanium, with abrasion shields along the leading edge.
Rotorcraft blades are traditionally passive; however, some helicopters include active components on their blades. The Kaman K-MAX uses trailing edge flaps for blade pitch control and the Hiller YH-32 Hornet was powered by ramjets mounted on the blade ends. As of 2010, research into active blade control through trailing edge flaps is underway. Tips of some helicopter blades can be specially designed to reduce turbulence and noise and to provide more efficient flying. An example of such tips are the tips of the BERP rotors created during the British Experimental Rotor Programme.
The two families of airfoils are;
- symmetrical airfoils
- asymmetrical airfoils
Symmetrical blades are very stable, which helps keep blade twisting and flight control loads to a minimum. This stability is achieved by keeping the center of pressure virtually unchanged as the angle of attack changes. Center of pressure is the imaginary point on the chord line where the resultant of all aerodynamic forces are considered to be concentrated. Today, designers use thinner airfoils and obtain the required rigidity by using composite materials.
In addition, some airfoils are asymmetrical in design, meaning the upper and lower surface do not have the same camber. Normally these airfoils would not be as stable, but this can be corrected by bending the trailing edge to produce the same characteristics as symmetrical airfoils. This is called "reflexing." Using this type of rotor blade allows the rotor system to operate at higher forward speeds. One of the reasons an asymmetrical rotor blade is not as stable is that the center of pressure changes with changes in angle of attack. When the center of pressure lifting force is behind the pivot point on a rotor blade, it tends to cause the rotor disc to pitch up. As the angle of attack increases, the center of pressure moves forward. If it moves ahead of the pivot point, the pitch of the rotor disc decreases. Since the angle of attack of the rotor blades is constantly changing during each cycle of rotation, the blades tend to flap, feather, lead, and lag to a greater degree.
Limitations and hazards: Helicopters with teetering rotors—for example the two-blade system on the Bell, Robinson and others—must not be subjected to a low-g condition because such rotor systems do not control the fuselage attitude. This can result in the fuselage assuming an attitude controlled by momentum and tail rotor thrust that causes the tail boom to intersect the main rotor tip-path plane or result in the blade roots contacting the main rotor drive shaft, causing the blades to separate from the hub (mast bumping).
above: HiRes! (Cropped vertical!) CH-47: "Kopp-Etchells" effect: Dust lights up the rotors of a CH-47 Chinook helicopter as paratroopers with 3rd Squadron, 73rd Cavalry Regiment load for an air assault mission near Combat Outpost Ab Band May 23, 2012, Ghazni Province, Afghanistan. The unit is part of the 82nd Airborne Division’s 1st Brigade Combat Team, which deployed to the area in March to help bring security to the areas along the country’s main road between Kabul and Kandahar. (U.S. Army photo by Sgt. Michael J. MacLeod). source: Wikipedia
Abrasion in sandy environments: When operating in sandy environments, sand hitting the moving rotor blades erodes their surface. This can damage the rotors and presents serious and costly maintenance problems.
Abrasion strips on helicopter rotor blades are made of metal, often titanium or nickel, which are very hard, but less hard than sand. When a helicopter flies low to the ground in desert environments, sand striking the rotor blade can cause erosion. At night, sand hitting the metal abrasion strip causes a visible corona or halo around the rotor blades. The effect is caused by the pyrophoric oxidation of eroded particles, and by triboluminescence whereby impact with the sand particles produces photoluminesce.
The combat photographer and journalist Michael Yon observed the effect while accompanying U.S. soldiers in Afghanistan. When he discovered that the effect had no name he coined the name "Kopp-Etchells Effect" after two soldiers who had died in the war, one American and one British.
above: NEW! MedRes! R/C Model Helicopter Main rotor: Three-bladed main rotor of a model helicopter. The construction principle is identical to the man-bearing helicopter. To display the module name, move the mouse pointer over the numbers. - De. text: Hauptrotor: Dreiblättriger Hauptrotor eines Modellhubschraubers. Das Aufbauprinzip ist identisch mit dem manntragender Hubschrauber. Zur Anzeige der Baugruppenbezeichnung den Mauszeiger über die Zahlen bewegen. - Hu. text: Fő forgórész: A modellhez tartozó háromlapátos fő forgórész. Az építési elv megegyezik az emberhordozó helikopterrel. A modulnév megjelenítéséhez vigye az egérmutatót a számok fölé. source: de. Wikipedia
above: NEW! NoHigher! UH-60 rotorhub
above: NEW! MedRes! Juci'bacsi's collect: Westland "Wessex" serial product source: Vass Balázs: Re és He Tip. 1968.
above: NEW! NoHigher! U.S. CG - Coast Guard - Parti Őrség Sikorsky UH-34 'Choctaw'
above: NEW! MedRes! Westland "Wessex"
above: NEW! NoHigher! #MARINES' Sikorsky UH-34 'Choctaw' source: NASM 'Smithsonian'

above: NEW! MedRes! Westland 'Wessex' turboshaft HC-2 in museum?
above: NEW! NoHigher! Classic #rotor-control from #Westland "#Wessex"?
above: NEW+! NoHigher! Bearings group - Csapágyak
above: NEW! NoHigher! English Westland "Wessex" rotorhead blowed drawing.
above: NEW! MedRes! cyrillic British Westland "Wessex" turbo HAS. Mk.3
above: NEW! MedRes! Servo lonkage control
above: NEW! HiRes! Sikorsky S-61L and S-61N are civil variants of the successful Sikorsky SH-3 'Sea King' helicopter. source: pagespeed.ic
above & below: NEW! HiRes! Sikorsky S-56/CH-37 'Mojave' photo: igor113.livejournal.com
above & below: NEW+! HiRes! HuAF MN 6690 87th CHR. Szentkirályszabadja airfield 1980s, repair hangar: Mi-8 rotorblade adjusting - Rotorlapát felrakás Right: capt. György Endre szds. és Nagy József R.I.P. ("Fausztom") below: Repair the VR-8 gearbox - reductor: György Endre, & Zsupek Józsi Sárk. Mech, Kpa.
60.) Ми-8 Миля ВЕРТОЛЁТ: ВР-8А Редуктор - Mil Mi-8 cargo helicopter VR-8A főReduktor - main Gearbox - Fordulatszámcsökkentő _ Cross Section Drawings - Kinetics - Metszet-rajzok - ЧЕРТЕЖИ - СХема -Компоновкa: https://szextant.blogspot.com/2014/03/60-8-8-mil-mi-8-cargo-helicopter-vr-8a.html
above: NEW! HiRes! Mil Mi-8 rotorhead - rotor/forgószárnyagy on MLE - Magyar Légierő MH.87. BHHE - HuAF 'Bakony' Harcihelikopter Ezred - Combat Helicopter Regiment HB LHSA Szentkirályszabadja Helicopter Base source: facebook.com
above: NEW! HiRes! Inspection and control of Mi-8 Hydraulic supply & control device in disbanded HuMoD Pestcountry machine Factory - PG - 'Pestvidéki Gépgyár/DRRT - Dunai Repülőgépjavító Rt. - Danubian Aircraft Preparation Joint Stock company. - in Tököl af. on Csepel-island close to Bup.
above: NEW+! HiRes! Maintenance on Mil Mi 171 in Slovakia Police Department (Poprad airport ATE hangar or Bratislava) Tail section to right!
Foto: www.urospodlogar.com, Uros Podlogar Photography Photo: Uros Podlogar: https://www.facebook.com/pg/UrosPodlogarPhotography/photos/?ref=page_internal
source: Hungarian Google G+ Collector: Mr. Bányiczki Zoltán Pin-Up Expert
above & below two: New Pics! HiRes! above: Mi-8 Hydraulic reservoir and control valves device
Hu. text: A Vezérlőautomata Rendeltetése: A fixen rögzített kormánymű alternáló mozgású rudazatainak (- Cyclic 1., 2., - Collective:1 3 rudazat axiális mozgásának továbbító szögbeni (90 fok) átkonvertálása és összegző koaxiális kiközvetítése a forgószárny ciklikus helyzetének megfelelően a forgószárnylapátok beállítási szögének (Béta) állításához a közvetítő függőleges lapátbeállító rudazatok által.
above: New! HiRes! Mi-8 rotorhub below: MedRes! Helisota, Kaunas
Helisota
HELISOTA Company profile:
Helisota is an international provider of integrated maintenance, repair and overhaul (MRO), training services for rotorcraft aviation. The company is an EASA Part 145 and Part 147 organization as well as an authorized Mil Helicopters, Robinson and Airbus Helicopters service center. Based on ISO 9001:2015 certified services and products, Helisota supports various government and private rotorcraft operators from 40 countries worldwide.
Helisota is a family member of Avia Solutions Group, the largest aerospace business group from Central & Eastern Europe with 47 companies providing aviation services and solutions worldwide. Avia Solutions Group unites a team of more than 3700 professionals, providing state-of-the-art solutions to aviation industry and beyond. ... https://www.helisota.com/en/about-us/company-profile

above: New Pics! MedRes! Mi-17 rotorhead. HELISOTA - Baltikum, Lett-ország, (Lithuania), Kaunas Europos Ave 5, LT-46329 Kaunas, Lithuania http://www.helisota.com/

below: three New! HiRes! Map of Baltikum & Lithuania and bottom: Kaunas city-map

above: MedRes! Kaunas city: Kaunas (/ˈkaʊnəs/; Lithuanian: [ˈkɐʊˑnɐs] is the second-largest city in Lithuania after Vilnius and the historical centre of Lithuanian economic, academic, and cultural life. - Kaunas Litvánia második legnagyobb települése, és korábbi ideiglenes fővárosa. ... https://en.wikipedia.org/wiki/Kaunas
Helisota
above & below: NEW! HiRes! Mi-8MTV/117 rotorhead - rotoragy source: www.trm2007.narod.ru
above: NEW! MedRes! Mi-8MTV/117 rotorhead: 'Coriolis' yaw/Lead-Lag Damper flexible hydraulics tube
NEW! above: MI-8 pitch control unit NoHigher! below: Left: HiRes! Ürmös photo www.oslo-info.com: Calendar reprint 2015. HuAF PinUps in Mi-8 at Balaton - Zánka Military Tech - Haditechnikai Park
![]() |
| NoHigher! Mi-8 'Hip' Collective Pitch Control - SAG |
above: NEW! HiRes! "She is the 'Helisota' eng.-Testpilot and with so many pitch-control throttle arms pulling, his arm is so muscular - Ő a cég mérnök-Berepülőpilótája, és a sok gázkar húzogatástól ilyen izmos a karja." source: mellbimbo.eu
above: NEW! MedRes! Mi-8MTV/Mi-17 in 'Helisota' works Lithuania, Kaunas source: Helisota
NEW! above: NoHigher! Mil-PZL-Mielec Mi-2 Swashplate - Vezérlőautomata
above & below: MedRes! Mil Mi-2 'Hoplite' - Necussiy Vint - Несущий винт вертолёта Ми-2 source: Wikipedia
above: NEW! HiRes! Mi-2: a little part of Juci'bácsi's 11 m long molino 6 pcs. about HuAF types from 1938 to 2013. for Kecskemét LHKE Airshow
38.) Plakátokon MLE - a Magyar Légierő története - HuAF History on Posters - 75 éves a Magyar Légierő - Anniversary of HuAF (Hungarian Air Force) Big Poster - Messerschmitt Bf.109G6 "Gustav" by Air Art & HM Zrínyi kiadó: https://szextant.blogspot.com/2014/02/plakatokon-mle-magyar-legiero-tortenete.html
above Two: NEW! NoHigher! Schema of Control - Vezérlési séma
above: NEW! "Lithuanian bloonde testpilots." Left: Piston engined Robinson R-55 below: NEW! NoHigher! below: Zimány Linda Hungarian photomodell & celeb and 'Miss Universe' winner at Las Vegas 2014. She is learnig for heli pilot on MD-500. and
above: NEW! NoHigher! Hu. supermodel Zimány Linda with Whirwlind Lollipop - Nyalókával
above: HiRes! She also at 'Battlefield' bc2 demo at festival with Aerospatiale - Yugoslavian (Mostar) SOKO SA-342 "Gazelle"/"Partizan".
above: NEW! NoHigher! and Her Instructors". Hughes / Boeing MH-6 (OH-6) "Littlebird"
above: NEW! NoHigher! 1st #Cavalry's girl source: Pinterest
above: NEW! NoHigher! The effect of rotorwind of Hughes/MD-500 - A rotorszél hatása
above: NEW! NoHigher! Mi-17 KKSz - KKC stabizator control - upravlenhia
above & below: NEW! NoHigher! Tail rotor thrust - Farokrotor vonóerő vektorok

above: NEW! MedRes! UH-1 Tailrotor forces right on slope - lejtőn
above: NEW! MedRes! Draw of Mi-8 Rudder pedal for antitorque tail rotor's angle of blades adjusting. below: NEW! NoHigher! Soviet tail rotor control of Mil system
above: NEW! HiRes! Hungarian Mi-24 Tail rotor repair from Left: György Endre, Nagy József ("Fauszt") R.I.P. és Kajtár Gáspár János in 1980s
HuAF - Hungarian Air Force's Mi-8 & Mi-24 Mechanikers & Enginers in MN 6690 87th "Bakony" Combat Helicopter Brigade/Regiment, Repair battalion/division "Hangar" on Szentkirályszabadja "Gift - Ajándék" LHSA Helicopter airfield/Base subordinated the Aviation Command -Börgönd- - MN Repülőcsapatok ("MLE") 87. Harcihelikopter dandár/ezred, javító osztály/zászlóalj "Hangár" Szksz. reptéren a CsRP - Csapatrepülő Parancsnokság -Börg.- alárendeltségében in1980's collector: ret. mech. avn. St.Sgt. Kajtár "Gázsi" Gáspár ny.rep.ftőrm. SHM mech. source: facebook.com/Gáspár János Kajtár
above: NEW! MedRes! Helisota , Lithuania, Kaunas: Mi-8 parts of tailrotorhub
above: NEW! MedRes! Renovated museal Mi-8T tailrotor hub on HuAF Pápa BRT - Hu.AFB photo & source: avn.Stsgt. Barka Tamás re.ftőrm - facebook.com
above: NEW! HiRes! Mil Mi-24 'Hind' tailrotorhub in Slovak, Poprad ATE - Aero-Technic Europe hangar photo: Jozef Schmidt source: facebook.com
above: New pic! Juci'bacsi's photo: HiRes! Mi-8's tail rotor at Doba Katona "Tesó" Józsi's museum.
18+above: HiRes! Wind-power rotor-manager, Emily Scott nude boobs source: EMI/ pincelebs.net
above: NEW! HiRes! Mi-8T tailrotor - faroklégcsavar photo & source: avn.Stsgt. Barka Tamás re.ftőrm - facebook.com
above: NEW! NoHigher! 'Merlin' tail rotor
above: NEW! Agusta-Westland AW-101 Norwegian 'SAR" (Norge 'Redningtjeneste') tail rotor.
above: NoHigher! Tailrotorhead
above: NEW! HiRes! SA-330 'Puma' tailrotor in museum
18+above: NEW! HiRes! "Fenestron" sortie Tail Rotor free blades cooling system in office photo by: David Dubnicskij-Dubnichkiy source: http://magazine.verse.hu/csodaszep-fotosorozat-a-nok-szepsegerol-18/
above: NEW! NoHigher! Tail rotor actuator unit - faroklégcsavar beállító kormánymű/vezérlőmű
above: NEW! HiRes! UH-60 tailrotor below: NEW! NoHigher! UH-60 rotor-clip - csukló
above: NEW! MedRes! In front of Sikorsky UH-60 "Black-Hawk"
above: NEW! HiRes! Female UH-60 female Army Aviation - Hds. repülők crew before departure by: Bonilla Roxby below: US NAVY SH-60 'Seahawk' on USS CVN-68 'Nimitz' supercarrier

NEW! above: HiRes! USS Nimitz's ASW SH-60 'Seahawk' U.S. Navy Photo by Mass Communication Specialist Seaman Apprentice Daniel P. Jackson Norgart below: NoHigher!
above: HiRes! (Rotated & Cropped vert. for max 1600px!) Österreiche, ÖBH 'BlackHawk' Zams Rotor source: Wikipedia
above: NEW! HiRes! (Rotated to CW 45deg.& Cropped!) SAF - Swedish Armed Forces - Svéd Fegyveres Erők UH-60 during to down slip. source: facebook
above: NEW! HiRes! Sikorsky HH-60G on USAFB Moody Légibázison photo: USAF-Moody
above: NoHigher! 3D (Solid Works - Catia) Sikorsky S70/ UH-60
above: HiRes! Sikorsky S-70/ UH-60 "Black Hawk" main rotorhead and tail rotorhead
NoHigher! above: Sikorsky UH-60 tail rotor inspection and maintenance
NoHigher! above: NEW! Sikorsky UH-60 'Blackhawk' rearview below: Blondy
above: NoHigher! Sikorsky UH-60 "Black Hawk" Pilot-cmdr. collective pitch between legs.
above: NEW! NoHigher! B-52H through the MH-60 'Pavehawk' C.S.A.R. windscreen - B-52H az MH-60 HK-M szélvédőjén keresztül source: PPS
above: NEW! HiRes! SH-60 'Glasscockpit' source: facebook
above: NEW! MedRes! U.S. ARMY's paradropper UH-60
above: NEW+! HiRes! U.S. NAVY SH-60 ASW source: Google G+ Hu. collector: Bányiczki Zoltán
above: NEW! MedRes! Sikorsky MH-53E 'Pave Low' Combat SAR helicopter during AAR before collision wit Fuel tube by rotor occasion of dangerous positive pitch control. My Screen Pic!
above: NEW+! MedRes! Sikorsky CH-53E "Sea Stallion" USMC by: Camerafan source: PPS
above: NEW! MedRes! Sikorsky S-65/ CH-53E "Super - Sea Stallion" main rotor source: pinterest:
above: NEW! Sikorsky S-65: MedRes! Main rotorhead
above: NEW! NoHigher! S-65 main rotorblades development. below Two: MedRes! Dimensions
above: NEW! MedRes! Sikorsky S-65 CH-53 "Sea Stallion" - "Tengeri Csődör" MH-53J "Pave Low III" - "Alacsony Ösvény" C.S.A.R. spec mission heli.
above & below: NEW! MedRes! Juci'bácsi's repro ORWO/Forte dia/slide photo copy from early 1980's: Sikorsky CH-53G 'Sea Stallion' General Electric T-64 GE-7 also Courtesy FREE!
above: NEW! NoHigher! Sikorsky RH-52 (CH-53 base S-65) US NAVY minesweeper

above: NEW! HiRes! Vintage articles: USS CVE 'Thetis Bay' as helicopter carrier 1959. - Stupid USM Cs quaunders payload to deliver foots loggers in CH-53.
above: NEW! NoHigher! Sikorsky S-64 'Skycrane' CH-54 'Tarhe' carrying house source: Wikipedia
above: NEW! HiRes! (Crop Vertical!) Royal Army's Agusta-Westland EH-101 'Merlin' hangs te mountain light 105 mm howitzer - hegyi könnyű-tarack. source: facebook
above: NEW! NoHigher! Swedish Armed Forces' Sikorsky S-92 'Superhawk' source: facebook
above: NEW! HiRes! AH-64 main rotorhead below: NEW! NoHigher! AH-64 source: Pinterest

above: NEW! MedRes! Hughes / Boeing AH-64D "Longbow Apache" 'Panzerkiller'
18+above: NEW! NoHigher! "Contour flight"
above: NEW! HiRes! #Bell #UH-1D '#Iriquois'/'#Huey' source: facebook
above: NEW! HiRes! Longbow Apache's rotorhead photo by: Hu. eng. Mr. Kővári "Stonefort" László from: Jetplanes.blog.hu chief editor
above: NEW! NoHigher! AH-64 linkage of controls

above: NEW! MedRes! AH-64 Cutaway drawing key by: FLIGHT I N T E R N A T I O N A L www.flightglobal.com

above: NEW! MedRes! AH-64 Cutaway drawing key by: FLIGHT I N T E R N A T I O N A L www.flightglobal.com
above: NoHigher! Hughes - McDonnell Douglas MD - Boeing AH-64D "Longbow Apache" attack helicopter - támadó helikopter
above: NEW+! MedRes! Hughes/MDD/Boeing AH-64D "Longbow Apache" blasted graphics
above & below: NEW! MedRes! Mi-17
above: two: NoHigher! NEW! Semi rigid
above: NEW! HiRes scanned pic from Juci'bacsi's
collection below: NoHigher! S-55B rotorhub
above: NEW! NoHigher! Lovers couple: "The R-4 pilot on freetime" by artist Andrew Loomis
above: NEW! MedRes! S-47 general informations
NEW! NoHigher! above: USAAF Sikorsky S-47 rotorhead below: S-47 (R-4) propulsion

NEW! NoHigher! above: Swash-plate by collective below: ... by cyclic

NEW! NoHigher! above: Swash-plate by collective below: ... by cyclic
above: Hu. text: a Vezérlőautomata-tányér üzemmódjai a kollektív és a ciklikus beállításokkal
above: NEW! NoHigher!#Rotorhead #demo from #assembly #LEGO #kit.
18+above: NEW! NoHigher! American star singer,#Lady#Gaga in cardano gimbal.
above: NEW! HiRes!
above two: MedRes! Marcel Dassault's 'Solidworks' CAD 3D rotorhead NEW! & below one 3D graphics mix: NEW! HiRes!
above: NEW! NoHigher! HuAF military AS-350B 'Écureuil' -4- at Szolnok Helikopter Base LHSN (This type was formerly in service in OMSZ as ambulance helicopter) photo: Dévényi Veronika
above: NEW! HiRes! (Crop!) Nose art decorated AS-350B 'Écureuil' in mountain source: Vertical
The Eurocopter AS350 Écureuil ("Squirrel - Mókus"), now Airbus Helicopters H125, is a single-engine light utility helicopter originally designed and manufactured in France by Aérospatiale and Eurocopter (now Airbus Helicopters). In North America, the AS350 is marketed as the AStar. The AS355 Ecureuil 2 is a twin-engine variant, marketed in North America as the TwinStar. The Eurocopter EC130 is a derivative of the AS350 airframe and is considered by the manufacturer to be part of the Écureuil single-engine family. ... https://en.wikipedia.org/wiki/Eurocopter_AS350_%C3%89cureuil
NEW! above: NoHigher! French 'Sud Aviation' SA-342 "Gazelle" rotorhead below: HiRes! IAF Museum SA-342 photo: AVIATOR Magazin' chief editor: Angyal László - Leslie Angel "Samuel"
https://en.wikipedia.org/wiki/A%C3%A9rospatiale_Gazelle
above: NEW! MedRes! SA-342 French Army's Light Aviation (ALAT), Army's Helicopters Squadron (EHADT) "Gazelle" at RIAT 2010. source: wikipedia
La Gazelle est un hélicoptère léger polyvalent de construction métallique conçu dans la deuxième moitié desannées 1960 par Sud-Aviation et produit en série à partir du début des années 1970 par la Société nationale industrielle aérospatiale (SNIAS ou Aérospatiale) en collaboration avec Westland Helicopters (Royaume-Uni). Déclinée en deux versions commerciales principales (nomenclatures SA 341 et SA 342), la majeure partie de sa production fut destinée aux armées (France, Tunisie, Maroc, Royaume-Uni, Yougoslavie, Égypte, Koweït, Irak (38 entre 1980 et 1988) mais elle connut aussi un succès certain dans les milieux civils. Malgré son ancienneté, cet hélicoptère forme encore en 2015 la force principale des hélicoptères de combat de plusieurs pays. fr.wikipedia.org/Sud-Aviation_SA340_Gazelle
above: NEW! & below: NEW! HiRes! former Yugoslavian SOKO SA-342 "Partizan"/"Gazelle" at Hu. Hajmáskér "Hidroplan-Nord" Kft. Limited Sud-Aviation & Bölkow Helicopter Service Photo: Ürmös István
above: NEW! HiRes! Competition Ürmös' PinUp photos for Hu. 'Playboy' magazine 2009. Deleted!
above: NEW! HiRes! Hungarian OMSz (Országos Mentőszolgálat) Miskolc airfield, Ambulance Eurocopter EC-135 (from leasing Austrian ADAC) with covered "Fenestron" tailrotor.

above: NEW! The homework "Fenestron" ventillation users: Left: HiRes! "Alaska"
above: NEW! HiRes! Danska "Fenestron Girl" by: Danish photographer, Egon Hye source: Hu. Google G+ colletor: Mr. Bányiczki Zoltán Pin-Up Expert core source: https://500px.com/hyen
above: NEW! HiRes! "#Lady #Fenestron": Bulgarian - American actress, #Nina#Dobrev for #CBS watch magazine, #photoshoot by: Jason Kim march-april 2019. source: Celebsdump.com
above: NEW! NoHigher! Boeing-Sikorsky RAH-66 'Comanche' stealth Recce & Attack helicopt.
above: NEW! HiRes! German world-supermodel, Claudia Schiffer 2015.
above: NEW! HiRes! Brazilian supermodel, Fan-celeb, #Alessandra#Ambrosio for #ELLE-magazine #Italia april 2019. source: celebsdump.com
above: NEW+! MedRes! Fenestron Fan-Lady source: www.index.hu
above: NEW+! MedRes! EC-135 'Fenestron' tail rotor system
above: NEW! MedRes! Scanned from Veszprémi 7 Nap news: ret. avn. Capt. Tóth "Mutyerka" Attila nyá. szds. (former MH 87th BHHE's "Hip"-pilot in OMSz EC-135 'Eurocopter' in THL-5C polish helmet at Balatonfüred MedEvac-Ambulance heliport. 2012. Photo: Melczer Zsolt.
above: NEW! HiRes! EuroCopter EC-135/Airbus H-145 Heli Girl, Aero Friedrichshafen 2018. photo by: Marcus Mühlestein http://beautyplanes.blogspot.com/
above: NEW! NoHigher! Eurocopter: Lower: heckrotor - "Fenestron" system Tailrotor Upper: parts of main rotorhead from Eurocopter
above: NEW! MedRes! Eurocopter EC 155B1 'Dauphin', Germany - Police JP7199794
The Eurocopter EC155 (now Airbus Helicopters H155) is a long-range medium-lift passenger transport helicopter developed by Eurocopter from its Dauphin family for civil aviation use. It is a twin-engined aircraft and can carry up to 13 passengers along with 1 or 2 crew, depending on customer configuration. The helicopter is marketed for passenger transport, offshore support, VIP corporate transport and casualty transport duties. In 2015, the EC155 was formally renamed to the H155, in line with Eurocopter's corporate rebranding as Airbus Helicopters. ... https://en.wikipedia.org/wiki/Eurocopter_EC155
above: NEW+! HiRes! Eurocopter EC-135 and F1 Girls: Car Fever Switzerland 2015_Helicopter Girls Photo by: Marcel Mühlestein Photography: source: http://beautyplanes.blogspot.hu
above: NEW! MedRes! Juci'bácsi's collect: Austria SA-316 "Alouette-III" Militärluftfahrzeugtechnik in Österreiche Heer.
above: new! MedRes! Enstrom-480 rotorhead with similar model-Girl to Hollywood star Jennifer Lopez's fetch/alterego
above: NEW! NoHigher! The new rotorcontrollers have arrived to Enstrom rotor
above: Flexible blades junction - Rugalmas lapátbekötés below: NEW!
below: NEW! NoHigher! Bell-407 STARFLEX rotorhead
Below: Following the Hobby-Kit home garage helicopters
above: NEW! Porsche - VW - Volkswagen "Bug" ("Bogár") sufnihelikopter below: NEW! Left: NoHigher! VW "Bug" Right: MedRes! VW T10 "Camper" microbus/van
above: NEW+! NoHigher! Garden-copter from #UAZ-452 source: facebook
En. text: The UAZ-452 is a family of off-road vans produced at the Ulyanovsk Automobile Plant (UAZ) since 1965. Its predecessor model UAZ-450 (produced between 1958-1966) was based on the chassis and engine of the GAZ-69 jeep, and was the first "forward control" vehicle of this type to be built in the Soviet Union and Russia.
Vehicles produced between 1965–1979 were equipped with old-style lights: turn signal lights were colorless (white), rear lights were round, and the back of the body was rounder. Subsequent post-1979 models got amber (yellow) signal lights, and rear lights were slightly bigger and rectangular.
In 1985 the van was upgraded and spun off into separate submodels: 39625, 3962, 3303, 3909 and 2206. The upgrade consisted of lighting fixtures that met modern international requirements, alarms, a new instrument panel, and a new speedometer. The brakes were redesigned. The engine was also upgraded, and its power output increased to 99 hp against the previous 78 hp.
In the early 2000s, the model was given new plastic side mirrors taken from the GAZ GAZelle van, headrests on front seats; and new passenger seats for a minibus version (2206) were also given headrests. The pickup truck (version 3303) was fitted with a metal body instead of a wooden one. ... https://en.wikipedia.org/wiki/UAZ-452
Ru. text: УАЗ-2206/3741/3909/39094/3962/3303 — семейство советских и российских полноприводных грузо-пассажирских автомобилей повышенной проходимости, производящихся на Ульяновском автомобильном заводе. Серийный выпуск УАЗ-452 начат в 1965 году. ...
![]() |
| Baumgartl Heliofly |
above: NEW! NoHigher! Goodyear 'Gizmo'
NEW! above: HiRes! #Dornier #Do-32 #Deutschland source: wikipedia below: MedRes! Left: Hiller HOE-1 propulsion driven rotor Right: #Hiller YROE source: #NASM'#Smithsonian's collect
above: NoHigher! Piaseczky PV-1 source: NASM - National Air & Space Museum
above: NEW! NoHigher! Retro helicopter advertisement
above: NEW! NoHigher! English Fairey with Mr. Johnny Morton

above: Three: NEW+! HiRes! Juci'bacsi's collect: De. text:Hobby-Copter source: Deutsch Hobby magazine 1960 Mai Nr.5: from legacy of R.I.P. VBKM -Budapest- eng. Miller József
above: NEW! NoHigher! English Fairey with Mr. Johnny Morton

above: Three: NEW+! HiRes! Juci'bacsi's collect: De. text:Hobby-Copter source: Deutsch Hobby magazine 1960 Mai Nr.5: from legacy of R.I.P. VBKM -Budapest- eng. Miller József

above: NEW! Left: Folded mini-copter Right: NEW! Manned copter below: NEW! GEN H-460
above: NEW! NoHigher! Kamov Ka-56 EVACH

above: NEW! Left: MedRes! Mechanic Illustrated: "Horse" copter - "Lóheli" with propulsion drive. Right: MedRes! Kamov Ka-56 Fighter-Pilot rescue/evacTaschen Folder-packing Minicopter.
above: NEW! HiRes! Juci'bácsi's scan collect, from Hu. text. eng. Vass Balázs; "Repülőgép és Helikopter Típusok" könyv - book MK - Műszaki Könyvkiadó, Budapest 1968.: Jet propulsion (Fr. So Djinn) rotor systems. Courtesy FREE!
above: NEW! NoHigher! Juci'bácsi's scan collect from 1968.: Dornier Do-132 propulsion drive helicopter source: Hu. edition t68 'Technika' Magazin booklet MK - Műszaki Könyvkiadó Budapest 1968.
above: NEW! NoHigher! Spherical linkage junction - Gömbcsuklós forgószárnysík döntés
above & below: NEW! MedRes! Ka-50 Lingage of blade - Lapátbekötés & 'Coriolis'-effect Friction Damper - Előre-hátra csapkodás csillapító-dörzsfék
above & below Three: NEW! MedRes! Cross section of linkage of blade - lapátbekötés metszetek
above: new! HiRes! Lean-to construction coaxial helicopter - Sufni-konstrukciós helikopter
above: NEW! MedRes! ret.Lt.Col. Márta Bandi nyá. alez. former Ka-26, Mi-2 gw. 1st class pilot & sqn. cmdr. at Börgönd. MH88th Liaison Helicopter Regiment. below: NEW! Mosquito Xe
above: NEW! NoHigher! SHERIFF Copter
above: NEW! MedRes! "Facebook face" hobby helicopter source: facebook.com
above: NEW+! NoHigher! Quattro mini Heli-Drone EHang-184 for passenger carrier source: Argentin: http://www.zona-militar.com
above: NEW! HiRes! Juci'bacsi's photo: Austrian Autogyro at Tokorcs airfield near Celldömölk 2007.

NEW! above: MedRes! Photo by Ricoh: ret. eng.avn.Lt.Col. Soós "Luigi" Lajos nyá.mk.rep.alez. (He is President of VREVE Veszpremer of Veterany Aviators & Paramens Assoc.- Veteránrepülők és Ejtőernyősök Veszprémi Egyesülete) airfield Börgönd reptér Veterany Meet in hangar 2015. aug. Autogiro rotor control & drive mechanism. below: NoHigher! Left:Other autogyro rotorhubs

above: NEW! HiRes! Autogyro rotorhead
above: NEW! HiRes! (Crop!) Robinson R-22 in #NASM - "#Smithsonian" National Air and Space Museum in #Washington D.C.
NEW! above: HiRes! The simple Rotor hub of a Robinson R44 'Raven' source: Wikipedia
NEW! above: NoHigher! below: MedRes! R-44 rotorhead component source: www.copters.com

above: MedRes! #Robinson #R44 (#Estonian AF)
The Robinson R44 is a four-seat light helicopter produced by Robinson Helicopter Company since 1992. Based on the company's two-seat Robinson R22, the R44 features hydraulically assisted flight controls. It was first flown on 31 March 1990 and received FAA certification in December 1992, with the first delivery in February 1993.
The R44 has been the world's best-selling general aviation (GA) helicopter every year since 1999. It is the most-produced GA aircraft of the 21st century, with 5,805 deliveries from 2000–2017. ... https://en.wikipedia.org/wiki/Robinson_R44
above: NoHigher! Hungarian R-44 blondy pilotess kadet in David & Clark headphone. R-44 heli szimulátor: www.szimulator.com Hu.
above: NoHigher! after cyclic mode (Robinson R-44) pily-girl
NEW! "After maintenance": above: NoHigher! R-44 tailrotor by: Heliflyschool.com below: HiRes! Tailrotor source: Wikimedia Commons
NEW! above: NoHigher! below: MedRes! R-44 tailrotor component source: www.copters.com

HiRes! above: NEW+! Playboyrotor R-44 'Raven'-'Holló' controls handle
above: Photo by Loren Kahle
NEW! MedRes! Robinson R-44 over New York City ? source: facebook.com
above: NEW+! HiRes! "Degree of the Fear" - "A rettegés foka"
Fearing in R-44: Miss Kindly Myers model by: Devin Williams Photography (Littlebit Cropped from left due maintan of good resolution!) source: Hungarian Google G+ collector: Mr. Bányiczki Zoltán Pin-Up expert
above & below (Vert. Crop!): NoHigher! Fashion photos with R44 'Raven' source: Pinterest
Following: Coaxial Rotorcontrol as Kamov style
above: NEW! Kamov Ka-18
above: NEW+! MedRes! The Pokémon style: Heli Co-Axial Rotor New Minion Sensor Flying Fairy RC Helicopter Plane Kids Toy Gift Despicable ME2 Free shipping Flying.
above: NEW! NoHigher! Patented Co-Axial rotor system
NEW! above: NoHigher! below: MedRes! Yak-EG "Shutka" OKB Yakovleva CoAxial
above: NEW! HiRes! Barishevskii Ka-10
above: New! HiRes! US Patent: coaxial rotor-control
above: NEW+! HiRes! (Cropped from down due maintaining the resolution) Promo girls on the Kamov Ka-29 ('Helix- B') RF-34194 / 38 yellow Russian Navy Marines Fire Support Helicopter. source: Hu. Google G+ Collector: Mr. Bányiczki Zoltán Pin-Up expert.

above: Kamov Left: MRes! Ka-27 helikopterek Koaxiális forgószárny vezérlése. Right: HiR!
above: NEW! HiRes! Hungarian Flying Crane Ka-32 on Budaőrs LHBD airfield. source: ret. avn. Col. Vida Károly ny.re.ezds. former Head of Board-technician crews/facebook.com
above: NEW! NoHigher! Two view drawing of Ka-27
NoHigher! above: NEW! Ka-26 controls below: NEW! Ka-50 'Akula' rotorhead
above: MedRes! Ka-50 rotorhead

above: four New Pics! Control of the Coaxial rotor system Right: HiRes! Kamov
above: NEW! NoHigher! Ka-26 rotor-head and control roods
30.) Kamov Ka-26 - Вертолета Камов Ка-26 - ВЕРТОЛЁТ - Helicopter (Russian) Instrument Panel and RNÁ - RSz "Kukacbombázó": https://szextant.blogspot.com/2014/02/30-kamov-ka-26-26-helicopter-russian.html
above: NEW! NoHigher! Pitch control levers: Ka-26 EVK Egyesített Vezérlőkar ('Sag-Gaz') photo: Igor113 www.livejournal.com
above: NEW+! HiRes! New Kamov Photo: @Vkatmandu source: heli russia 2013. EXPO
above: koax system 3D
similars: http://andrewworks.blogspot.hu/
NEW+! MedRes! NAVY Co-Axial Torpedo Launcher Heli-Drone rotor Danger-Areas
above: NEW+! NoHigher! Co-axial rotorcontrol engineer at Her gome before christmas day.
above: NEW! NoHigher! Hiller-copter XH-44 for shopping source: NASM Washington D.C.
above: NEW! NoHigher! (Crop!) Focke-Achgelis FA-330 'Bachstelze' in Museum?
above: NEW! HiRes! (Crop!) Focke Achgelis FA 330 'Bachstelze' U-Boot onboard foldable Recce-Copter on roof of the NASM below: NoHigher! FA 330 Drawing source: Wikipedia
above: NEW! HiRes! Focke-Achgelis Fa-330 'Bachstelze' U-Boot board heli Deutsches Museum
above: NEW! NoHigher! Flettner Fl 282 syncropter below: NEW! source: facebook/Ádász Zoltán

Flettner Fl-282 'Kolibri' syncropter
NEW! NoHigher! above: Kaman K-225 below: Kellett XR-8 synchropters source: NASM
NEW! above: Kellett XR-8 below: Kaman K-125

above: NEW! MedRes! U.S. MC - Marine Corps MARINES Kaman HH-1 Kaman Photo via: Sean Carroll
above: NEW! NoHigher! USAF Kaman HH-43 'Huskie' cockpit source: facebook/Ádász Zoltán

NEW! above: HiRes! below: NoHigher! Charles H. Kaman
Charles Huron Kaman (/kəˈmɑːn/ kə-MAHN; June 15, 1919. Bloomfield, Connecticut, U.S. – January 31, 2011.) was an American aeronautical engineer, businessman, inventor and philanthropist, known for his work in rotary-wing flight[2] and also in musical instrument design via the Kaman Music Corporation. ... https://en.wikipedia.org/wiki/Charles_Kaman
NEW! above: MedRes! Kaman K-1200 'K-Max' "Flying crane"
above: NEW+! HiRes! Juci'bacsi's scan collection: USAF's Kaman H-43B "Huskie" S.A.R. Rescue Helicopter/Syncropter, scale 1:32 from Italeri Catalogue 1981. also Courtesy FREE! (I had got it) below: NEW! NoHigher! USAF RESCUE Kaman H-43 'Huskie' scramble

above: NEW! MedRes! Scale 1/32 model
above: NEW+! NoHigher! Juci'bácsi's scan coll:Assembly Instruction cover below Two: NoHigher! H-43 rotorheads
above: NoHigher! Kaman HH-43 "Huskie" unique rotor system as a "Syncropter"

above: NEW! MedRes! Kaman "K-Max" below: NEW! MedRes! Juci'bacsi's (Andrew) collection: Book's back cover of "Repülőgép és Helikopter Típusok": Kaman HH-43 "Huskie"
above: MedRes! Juci'bácsi's collect: fixed blades junction propulsion driven rotor. Mr. acf.eng. Vass Balázs okl.rep.mk. "Repülőgép és Helikopter Típusok" "Types of Aircraf and Helicopter" MK- Műszaki Könyvkiadó - Technics Publisher Budapest, 1968. 46. oldal-page. below: NEW! similar reaction effect!
above: NEW+! MedRes! Howard Hughes Model-205 propulsion driven rotor, passenger cargo helicopter's design plan source: Argentinian http://www.zona-militar.com
below: Convertiplanes
above: NEW! McDonnell XHRH-1

NEW! above Two pair:MedRes! Fairey 'Rotodyne' sideviews below: NoHigher! FR photo
The Fairey Rotodyne was a 1950s British compound gyroplane designed and built by Fairey Aviation and intended for commercial and military uses. A development of the earlier Gyrodyne, which had established a world helicopter speed record, the Rotodyne featured a tip-jet-powered rotor that burned a mixture of fuel and compressed air bled from two wing-mounted Napier Eland turboprops. The rotor was driven for vertical takeoffs, landings and hovering, as well as low-speed translational flight and autorotated during cruise flight with all engine power applied to two propellers.
One prototype was built. Although the Rotodyne was promising in concept and successful in trials, the programme was eventually cancelled. The termination has been attributed to the type failing to attract any commercial orders; this was in part due to concerns over the high levels of rotor tip jet noise generated in flight. Politics had also played a role in the lack of orders (the project was government funded) which ultimately doomed the project. ... https://en.wikipedia.org/wiki/Fairey_Rotodyne

above three: NEW! MedRes! Juci'bácsi's scan coll.: Polish 'Coopexim' model kit 1967. (I had got it from Budapest XII. Böszörményi-út ÁPISZ. - Állami Papír és Írószer vállalat)
Firma COOPEXIM zajmuje się hurtową sprzedażą polskich wyrobów za granicę. Naszymi głównymi odbiorcami są duże firmy, które dystrybuują towary do klientów finalnych. http://coopexim.pl/en/home-page/
above: NEW! MedRes! Cutaway of Rotodyne source: Flight International/Google

above: NEW! MedRes! Propulsion of Rotodyne meghajtása museum: Burnham 2011.
NEW! above: HiRes! The Fairey 'Rotodyne' prototype circa 1959. demonstration below: NoHigher! Section of it's airframe. One of the few surviving parts of the dismantled prototype. source: Wikipedia

NEW! NoHigher! #AIRFIX #1/72 #boxart #Fairey Rotodyne over #London-city '#Tower-bridge' on #river-Thames - #Temze-folyó felett
https://www.youtube.com/watch?time_continue=2&v=1AS-dCdYZbo
#James Bond and The Queen #London 2012 #Performance
#Daniel#Craig reprises his role as #British #secret-agent James Bond as he accompanies Her #Majesty The #Queen to the opening #ceremony of the 2012 #Olympic Games.
above: NoHigher! Daniel Craig & Elizabeth II. with two escorting royal 'Pembroke Welsh Corgi' dogs in Buckingham Palace)
Hu. text article: Kívül tágasabb Blog: II. Erzsébet öt titka: 2019.10.30. 06:30, via: index.hu
Kifejezetten érdekes könyvet írt a brit uralkodó öltöztetője, Angela Kelly, aki fellebbenti a fátylat néhány titokról is. Mivel a könyv II. Erzsébet jóváhagyásával jelenik meg, ezért botrányra nem kell számítani, érdekességek azonban igenis kiderülnek. Ezek közül foglalt össze a BBC ötöt.
Mindenekelőtt érdemes leszögezni, hogy Angela Kelly messze több, mint egyszerű öltöztető, hiszen egyike II. Erzsébet legközelebbi segítőinek és (amennyire ez egyáltalán lehetséges uralkodói körökben) már-már baráti a kapcsolatuk.
Az érem másik oldala: a királynő, az öltöztető és a ruhatár című könyv fülszövege szerint annak megjelenéséhez személyesen II. Erzsébet adta áldását. Lássuk, milyen érdekességek találhatók benne!
1. A királynő új cipőit bejáratják
Külön királyi asszisztens van e nemes feladatra, ami persze érthető, hiszen az idős uralkodónak aligha hiányzik az, hogy valamelyik hosszú program közben kezdje el törni a lábát egy új pár lábbeli. ... https://kivultagasabb.blog.hu/2019/10/30/ii_erzsebet_ot_titka

above: NEW! MedRes! Maquette diorama
above: NEW! MedRes! English Fairey "Rotodyne" 'Helicoplan' propulsion drive main rotor 1960's.
above & below: NEW! NoHigher! ModelBuffs statue wooden model
above: NEW! Left: NoHigher! Kamov Ka-22 "Vintokryl" Right: 3 view! MedRes! below 2: NoHi!
NEW! NoHigher! above: Rotodyne cockpit below: Paint: Rotodyne over London-city
The Kamov Ka-22 Vintokryl (rotor-wing, or literally, (air)screw-wing) (Cyrillic:Камов Ка-22 Винтокрыл) (NATO reporting name: Hoop) was a rotorcraft developed by Kamov for the Soviet Air Force. The experimental transport aircraft combined the capabilities of a helicopter for vertical take-off and landing with those of a fixed-wing aircraft for cruise. The Ka-22 carried a large payload, having a hold comparable in size to the Antonov An-12. Eight world records for altitude and speed were set by the Ka-22 in its class, none of which have since been broken. en.wikipedia.org/Kamov_Ka-22

above: NEW! MedRes! Profile camouflage artwork of planned Rotodyne Royal Air Force version
above: NEW! NoHigher! Ka-34
above: NEW! NoHigher! ASW - Anti Submarine Warfare, on Lockheed S-3 'Viking' airframe VTOL construction plan for USAF's C.S.A.R. - Combat Search And Rescue - HKÉM - Harci Kutatás És Mentés RESCUE - MENTÉS aerial vehicle
above: NEW! NoHigher! Boeing-Vertol Model 76 - U.S. ARMY & NASA: VZ-2A experimental konvertiplan source: Smithsonian Museum
NEW! above: MedRes! Experimental NASA's Bell XV-16
above: NEW! NoHigher! Canadian S.A.R. RESCUE - SAUVETAGE Bell V-22
above: NEW! NoHigher! American actress, Heather Thomas as Rescue Diver source: Tumblr.
above: NEW! MedRes! Bell MV-22: U.S. & Hu. SF - Special Forces "Green Berets"-"Zöldsapkások" training with fastrope descent technic - gyorskötél leereszkedéssel on Várpalota & Újdörögd photo & source: honvedelem.hu
Hu. text origin: Közös kiképzésen az amerikai és a magyar különlegesek:
Az MH 2. vitéz Bertalan Árpád Különleges Rendeltetésű Dandár katonái, valamint az amerikai hadsereg különleges műveleti csoportjai tartanak közös kiképzést október 24. és november 30. között Szolnokon, Táborfalván és Várpalotán. ...
American and Hungarian specialties at joint training:
Special Forces Brigadier Árpád Bertalan Special Forces Brigadier 2 and US Army Special Operations Teams conduct joint training between October 24 and November 30 in Szolnok, Táborfalva and Várpalota.
above: NoHigher! Bell V-22 "Osprey"-"Halászsas"

NEW! above: Left: MedRes! V-22 Right: MedRes! propulsion gondola below: NoHigher! Gondel
above: NEW! MedRes! Woman in a cone-hat covering her eyes on Ekaterina Demiova
NEW! above: MedRes! MV-22 before Take Off during engine start below: NoHigher! Roentgen
above: MedRes! MV-22 full-digital FbW "Glasscockpit"
above: NEW! NoHigher! Guardian Electric Manufacturing Company's #Bell-Textron V-22 '#Osprey' Flight Control Grip - botkormány markolat www.guardian-electric.com in Illinois - Woodstock
above: NEW! MedRes! XV-22 cockpit during development
above One below Three: NEW! HiRes! Hu. text: Juci'bácsi's mind own #Know-How konvertiplan control study draft sketch mid 1990's. Euthaniast on Bell XV-22 'Osprey' without 'Fly by Wire' software & Board Computers! also Courtesy FREE!
above Four: NEW! HiRes! Hu. text: Jucibácsi's konvertiplán vezérlés saját agyalás vázlatok -Számítógép nélkül- 1990 közepe a Bell XV-11 'Halászsas' -on fellelkesülve Ajándék Szabad - FREE!
above: NEW! NoHigher! Hiller X-18
above: HiRes! English supermodel Cara Delevingne at savage x-fenty show in N.Y.C. Brooklyn in september 10. 2019. source: CelebsDump.com
above: NEW! MedRes! MV-22 Rotor contour-lights

above: NEW! HiRes! V-22 control princip
above: In Memoriam: Hu. Hemmert "Hemi" László aviatartyst - caricaturist R.I.P.
You must to watch only rotor head !!
above: NEW! HiRes! Mil Mi-6 heavy cargo helicopter's wiews draw.
above: NEW! HiRes! Hanging Jakovlev Yak-28 ""Brewer" under hanging the Mil Mi-6 "Hook"
above: NEW! NoHigher! Mi-6 rotorhead source: facebook.com

above: NEW! MedRes! Mil Mi-10K "Flying Crane"-"Repülő Daru"
above: NEW! NoHigher! Mil from right the third 3. before Mi-10
Hu. text: Mihalil Leontyjevics Mil (oroszul: Михаил Леонтьевич Миль; Irkutszk, 1909. november 22. – Moszkva, 1970. január 31.) szovjet mérnök, helikoptertervező, a „Mi” típusjelű helikopterek főkonstruktőre. Wikipedia
above & below: NEW! HiRes! Juci'bácsi's scan collect, from Hu. text. eng. Vass Balázs; "Repülőgép és Helikopter Típusok" könyv - book MK - Műszaki Könyvkiadó, Budapest 1968.: Mi-10K Courtesy FREE!
above: NEW! NoHigher! Turbulence-ring - Örvénygyűrű source: pinterest.com

above: HiRes! Mil Mi-6 controls below: NEW! MedRes! Exploded Soviet original drawing about main parts of Mi-6
above: NEW! NoHigher! Honeycomb structure rotorblade - Méhsejt szerkezetű fsz.lapát
above: NEW! NoHigher! Moderne rotor blade's structure below: HiRes! Vass Balázs:
above: two: NEW! HiRes!
New Pics! above one & below four: Russian garage mini-copter: HiRes! pics - Drawings also!



above: NEW! NoHigher! Bell-206 "Jet Ranger" MRA Elektro-Hydraulics servo actuator.
above: NEW! HiRes! Main rotor head of Eurocopter EC155 'Dauphine' - Fr. text: Moyeu de rotor principal de l'EC155 d'Eurocopter où l'on distingue les biellettes de pas entre le plateau cyclique et les pieds de pales encastrés dans le moyeu. source: Fr. Wikipedia

above: NEW! MedRes! Juci'bacsi's scan coll.: French Aérospatiale AS-332 "Puma" from Aviation magazine 1979.
Fr. text: L'Aérospatiale AS332 "Super Puma" est un hélicoptère de transport moyen franco-allemand destiné au marché civil initialement conçu par la SNIAS. Directement dérivé du SA330 Puma dont il se présente comme une version agrandie et modernisée, il a donné naissance à une version encore en production fin 2014, l'EC225.
Fr. text: Le Sud-Aviation SA.330 Puma est un hélicoptère de transport moyen civil et militaire français. Conçu par Sud-Aviation et développé par l'Aérospatiale dans les années 1960, il a été construit en collaboration avec Westland Helicopters. À sa création en 1990, Eurocopter en a poursuivi le développement, rebaptisant les versions militaires Cougar.

above: NEW! HiRes! Russian cyrillic text: Komponovka ris - Cutaway drawing key SA-330
Ru. text: Аэроспасьяль SA 330 «Пума» (фр. Aérospatiale SA 330 Puma) — французский средний транспортный вертолёт. Совершил первый полёт 15 апреля 1965 года, всего построено около 700 машин. Широко поставлялся на экспорт . ... https://ru.wikipedia.org/wiki/Sud-Aviation_SA.330_Puma
En. text: The Aérospatiale SA 330 Puma is a four-bladed, twin-engined medium transport/utility helicopter. The Puma was originally built by Sud Aviation of France, and continued to be made by Aérospatiale. It was also license-built in Romania as the IAR 330; two advanced, unlicensed derivatives, the Denel Rooivalk and Atlas Oryx, were made in South Africa. The Puma was a commercial success and was quickly developed into more advanced models such as the AS332 Super Puma and AS532 Cougar, manufactured by Eurocopter since the early 1990s. These descendants of the Puma remain in production in the 21st century.
The Puma has seen combat in a range of theatres by a number of different operators; significant operations include the Gulf War, the South African Border War, the Portuguese Colonial War, the Yugoslav Wars, the Lebanese Civil War, the Iraq War, and the Falklands War. The type also saw popular use in the civilian field and has been operated by a number of civil operators. ...
Hu. text: Az SA 330 Puma a francia Aérospatiale kéthajtóműves, közepes szállító és ellátó helikoptere, melyet eredetileg a Sud Aviation tervezett és gyártott (típusjelzésében az SA ezt jelzi) az 1960-as évek második felében, majd annak csődjét, vállalategyesüléseit követően jogutódként folytatta az Aérospatiale a termelést. A Pumát később licenc alapján az Egyesült Királyságban a Westland Helicopters által, majd Romániában az IAR által is gyártották IAR 330 típusjelzéssel. Engedély nélküli gyártását a dél-afrikai Atlas Aircraft Corporation is végezte, a továbbfejlesztett, modernebb változat itt Atlas Oryx néven állt szolgálatba. A Puma elsősorban katonai célokra lett kifejlesztve, azonban később polgári célokra továbbfejlesztett változata, az Eurocopter Super Puma is szolgálatba állt. A Super Puma nemzetközi sikereit látva elkészítették annak katonai változatát, az AS532 Cougart. Mindkettőt az Eurocopter konszern gyártja az 1990-es évek elejétől napjainkig. Bevált, jó alkalmazhatóságát mi sem mutatja jobban, hogy a Puma egyes elemei és változatai a 21. század elején is gyártásban maradtak. Összesen harminchat ország hadereje alkalmazza.
A típust számos kontinensen alkalmazták több ország hadereje révén. Bevetésre került a dél-afrikai határháborúban, a portugál gyarmati háborúkban, a Falkland-szigeteki háborúban, az 1991-es öbölháborúban, a jugoszláv háborúban, és az iraki háborúban egyaránt. A típus népszerű, széles körben alkalmazzák a polgári repülésben is, számos vállalat repülőflottájában megtalálható. ...
En. text: The Aérospatiale SA 330 Puma is a four-bladed, twin-engined medium transport/utility helicopter. The Puma was originally built by Sud Aviation of France, and continued to be made by Aérospatiale. It was also license-built in Romania as the IAR 330; two advanced, unlicensed derivatives, the Denel Rooivalk and Atlas Oryx, were made in South Africa. The Puma was a commercial success and was quickly developed into more advanced models such as the AS332 Super Puma and AS532 Cougar, manufactured by Eurocopter since the early 1990s. These descendants of the Puma remain in production in the 21st century.
The Puma has seen combat in a range of theatres by a number of different operators; significant operations include the Gulf War, the South African Border War, the Portuguese Colonial War, the Yugoslav Wars, the Lebanese Civil War, the Iraq War, and the Falklands War. The type also saw popular use in the civilian field and has been operated by a number of civil operators. ...
Hu. text: Az SA 330 Puma a francia Aérospatiale kéthajtóműves, közepes szállító és ellátó helikoptere, melyet eredetileg a Sud Aviation tervezett és gyártott (típusjelzésében az SA ezt jelzi) az 1960-as évek második felében, majd annak csődjét, vállalategyesüléseit követően jogutódként folytatta az Aérospatiale a termelést. A Pumát később licenc alapján az Egyesült Királyságban a Westland Helicopters által, majd Romániában az IAR által is gyártották IAR 330 típusjelzéssel. Engedély nélküli gyártását a dél-afrikai Atlas Aircraft Corporation is végezte, a továbbfejlesztett, modernebb változat itt Atlas Oryx néven állt szolgálatba. A Puma elsősorban katonai célokra lett kifejlesztve, azonban később polgári célokra továbbfejlesztett változata, az Eurocopter Super Puma is szolgálatba állt. A Super Puma nemzetközi sikereit látva elkészítették annak katonai változatát, az AS532 Cougart. Mindkettőt az Eurocopter konszern gyártja az 1990-es évek elejétől napjainkig. Bevált, jó alkalmazhatóságát mi sem mutatja jobban, hogy a Puma egyes elemei és változatai a 21. század elején is gyártásban maradtak. Összesen harminchat ország hadereje alkalmazza.
A típust számos kontinensen alkalmazták több ország hadereje révén. Bevetésre került a dél-afrikai határháborúban, a portugál gyarmati háborúkban, a Falkland-szigeteki háborúban, az 1991-es öbölháborúban, a jugoszláv háborúban, és az iraki háborúban egyaránt. A típus népszerű, széles körben alkalmazzák a polgári repülésben is, számos vállalat repülőflottájában megtalálható. ...
above: NEW! HiRes! (Crop for max.1600px!) A RAF - Royal Air Force Westland-Sud Aviation SA-330 'Puma' helicopter over the English countryside. photo by: Sgt Jack Pritchard RAF - Royal Air Force - Királyi Légierő - KLE http://www.defenceimagery.mod.uk source: Wikipedia
above: NEW! NoHigher! Hungarian artisty photo by: Veronika
NoHigher! above: NEW! Eurocopter AS332 'Superpuma' ("Pannonpuma") source: Pinterest.com
above: NEW! NoHigher! Eurocopter AS-332AL 'Cougar' in Bulgare as Syrius source: facebook
above: NEW! HiRes! De. text: Kollektivhebel links neben und S-förmig gebogener Steuerknüppel vor dem Pilotensitz.Cockpit eines Eurocopter AS 332 L1 Super Puma (D-HVBX); Deutsche Bundespolizei, Flugdienst. Aufgenommen auf dem Flugplatz Bonn/Hangelar am Tag der Offenen Tür, Flughafenfest und Flugschau. source: de. Wikipedia
above & below: NEW! NoHigher! Puma's modernised modification: Airbus H-225M 'Caracal'
above: NEW! French Aerospatiale (Sud Aviation) SA-330 "Puma" below: NEW! HiRes! Mil Mi-26 heavy cargo "huge" helicopter cockpit with Coll. Ph. Ctrl. (EVK)
above & below: NEW! MedRes! Eurocopter EC725/ 'Caracal' Airbus H-225M CSAR - Combat Search And Rescue version - HKM - Harci Kutató-Mentő változata.
above: NEW! HiRes! (Edited: Lightened due dark rotorhead!) Airbus H-225M 'Caracal' rotorhead. Photo by: eng.& author blogger Mr. Leslie Kővári "Stonefort" László source: Jetplanes.blog.hu
above: NEW! HiRes! "CatHead":A close facial view of a caracal: Note the tufted ears and the black and white facial markings source: Wikipedia
En. text: The caracal /ˈkærəkæl/ (Caracal caracal) is a medium-sized wild cat native to Africa, the Middle East, Central Asia, and India. It is characterised by a robust build, long legs, a short face, long tufted ears, and long canine teeth. Its coat is uniformly reddish tan or sandy, while the ventral parts are lighter with small reddish markings. It reaches 40–50 cm (16–20 in) at the shoulder and weighs 8–18 kg (18–40 lb). It was first scientifically described by German naturalist Johann Christian Daniel von Schreber in 1776. Three subspecies are recognised since 2017.
Typically nocturnal, the caracal is highly secretive and difficult to observe. It is territorial, and lives mainly alone or in pairs. The caracal is a carnivore that typically preys upon small mammals, birds, and rodents. It can leap higher than 4 m (12 ft) and catch birds in midair. It stalks its prey until it is within 5 m (16 ft) of it, after which it runs it down, the prey being killed by a bite to the throat or to the back of the neck. Both sexes become sexually mature by the time they are one year old and breed throughout the year. Gestation lasts between two and three months, resulting in a litter of one to six kittens. Juveniles leave their mothers at the age of nine to ten months, though a few females stay back with their mothers. The average lifespan of captive caracals is nearly 16 years.
Caracals have been tamed and used for hunting since the time of ancient Egypt. ...
Fr. text: Le Caracal (Caracal caracal), ou Lynx du désert ou Lynx de Perse, est un félin du genre Caracal largement répandu en Afrique et en Asie depuis le Moyen-Orient jusqu'au sous-continent indien. En 2008, le caracal était classé en catégorie préoccupation mineure sur la liste rouge de l'UICN en raison de sa présence relativement commune notamment en Afrique australe et en Afrique de l'Est1. Le caracal est néanmoins considéré comme menacé en Afrique du Nord et rare en Asie centrale et en Inde1.
Le caracal possède de longs pinceaux de poils noirs caractéristiques à l'extrémité des oreilles. Il est également connu pour les bonds pouvant atteindre 3 mètres qu'il est capable d'effectuer pour attraper des oiseaux en vol. ...
Hu. text: A karakál (Caracal caracal), más néven sivatagi hiúz egy közepes termetű, Afrikában és Délnyugat-Ázsiában élő macskaféle. Bár nem közeli rokona a hiúzoknak, hegyes, pamacsban végződő füle és viszonylag rövid farka nagyon hasonlóvá teszi hozzájuk. A DNS-vizsgálatok alapján megállapították, hogy legközelebbi rokona a szervál.
A karakál török eredetű szó, jelentése: fekete fül. ...
above: NEW! HiRes! Fr. text: Caracal dans une cage à la ménagerie du jardin des plantes à Paris source: Wikipedia
NEW! NoHigher! French Aeronavale 'MARINE' Sud Aviation SA-321 'Super Frelon' and it's Remote Control from cockpit foldable rotorhead photo: Burkhard Domke
above: NEW! MedRes! AeroSpatiale AS-321 'Super-Frelon' photo by: Military-Today.com
above: HiRes! Museal Mi-26 cockpit without ACsSh-1 board-clock - ACsSz-1 fedélzeti óra nélkül
2.) Dashboard Clocks - Fedélzeti Órák. Aircraft's & Land technic, Navy Clocks. AChS-1 Aviation clock & secondmeter (ACsSz-1 - Новые авиационные часы типа АЧС-1) CsSz-M3, Molniya, ESzV-3 timer, Jaeger, Junghans, Askania, Kienzle, Smiths, Accutron Bulova, Revue, Sinn, Breitling-Wakmann, Trintec, Hasler Bern: https://szextant.blogspot.com/2014/01/the-last-very-popular-post-from-x.html
NEW! above: HiRes! Mi-26 'Halo' below Two: NoHigher! source: Helico Montagne.fr
above: Two NEW Pics! Upper: MedRes! Cyclic Control stick Lower: Collective pitch lever
above: NEW! NoHigher! (Cropped & Edited!) Collective jackshaft

above: NEW+! NoHigher! Collective Pitch Lever Robotic Control Hand Jewellery
above: NEW+! NoHigher! Slovenian Police Department AB-212: "don't ever be afraid to take risks, for they make life worth living". Switchboard of Collective Control Lever
Foto: www.urospodlogar.com, Uros Podlogar Photography Photo: Uros Podlogar: https://www.facebook.com/pg/UrosPodlogarPhotography/photos/?ref=page_internal
source: Hungarian Google G+ Collector: Mr. Bányiczki Zoltán Pin-Up Expert
above: NEW! NoHigher! Hu. text: Deák Kristóf "Mindenki" című kisjátékfilmje nyerte meg a kategória Oscar-díját magyar idő szerint hétfőn hajnalban a Los Angeles-i díjátadó gálán. "Oscar's Collective pitch": 2017.02.27. From Mr. Deák Kristóf director, Ms. Udvardy Anna producer with "collective", Ms. Szamosi Zsófia actress "Teacher" in Sármán Nóra Hu. fashion designer's gala suit - AFP2017 Getty Images phorto: Kevin Winte

above four: NEW! Top: Right: MedRes! Bottom: Sikorsky UH-60 "Black Hawk" Right: MedRes!
above: NEW! MedRes! UH-60 (SH-60) rotorhead photo: Mark Williamson

NEW! above: MedRes! below Three: NoHigher! UH-60 aerodinamics
above: NEW! HiRes! ROYAL NAVY Agusta-Westland EH-101 'Merlin' Maritime Patrol
above: NEW! MedRes! #Agusta-Westland #EH-101-410 '#Merlin' MARINA Italian #Navy
NEW! HiRes! Polish Navy's ASW - Anti Submarine Warfare - Tengeralattjáró Elhárító, Kaman SH-2F "Seasprite" in Guraschka Air Show in Poland. photo: Aviator Leslie Angyal László facebook
above & below: NEW+! HiRes! "Charlie Chopper" Hughes OH-6 'Cayuse' from 1969. with folded rotorblades source: Hungarian Google G+ Collector: Mr. Bányiczki Zoltán Pin-Up Expert
above: NEW! MedRes! Hu. Readiness POLICE - Készenléti Rendőrég LR - LégiRendészet MD-500 source: Police avn. Lt.Col. Bukor "Buksi" János r.re.alez. (former 'Hind'-pilot.
above: NoHigher! MD-500 LR summer base on lake Balaton Siófok-Kiliti LHSK public airfield
above: NEW! NoHigher! "Boss of detachment branch of LR on lake-Balaton Siófok-Kiliti, during freetime on Children-Day." in duty Lingerie underwear-Forever 21 High Waisted Bikini Bottoms with pilot wrist-stopwatch & 'Ray Ban' sunglasses. by: @Joand Kemp

NEW! above: NoHigher! Hughes/McDonnel Douglas/Boeing MD-500 (Hughes-500, OH-6 'Cayuse'-"Little Bird") cockpit and manual controls.
above: NEW! HiRes!Children Day on Siófok-Kiliti, Boss' Baby below: MedRes! The studentress "Hugi".
above: NEW! NoHigher! "On Children Day": Bell UH-1N Grandson Morgan, wants to fly helicopter like grandpa source: pinterest
above: new! "I think these flying lessons are really starting to pay off!" http://www.supermodels.nl/
above: New Pics! two: NoHigher! Control handles
Hughes OH-6 Cayuse Helicopter Characteristics and Base Maneuvers ~ 1965 US Army Training Film
above: NEW! NoHigher! 2. Retro advert: customer Hughes H-500 by: www.heli-archive.ch
above: NEW! HiRes! Juci'bácsi's scan collect, from Hu. text. eng. Vass Balázs; "Repülőgép és Helikopter Típusok" könyv - book MK - Műszaki Könyvkiadó, Budapest 1968.: 1. H-500 Courtesy FREE!
above & below: NEW! Nohigher! H-500 structure
above: NEW! MedRes! Boeing AH-6 cutaway source: Boeing/Flight International
above: NEW! HiRes! Hu. text: Cross section of Hughes/MD H-500 NOTAR - No Tail Rotor with "Coanda" effect

above: NEW! MedRes! Left: German POLIZEI MD-500N NOTAR source: Wikipedia Right: Hungarian POLICE MD-500N MD902 from FRG photo by: Kengyel Kristóf

above: Left: NEW! MedRes! UH-60's "Black Hawk" pitch control coloumn grips Right: new! MedRes! Boris Vallejo: 'Body Builder girl'. Fit condition need to collective moving.
above: HiRes! USA Bell-206 "Jet Ranger" Co-Pilot collective control lever
above: NEW! HiRes! Latvian model, Olga de Mar cleavage in yellow swimsuit as utility S.A.R. Stewardess source: Pincelebs.net
above: NEW! NoHigher! Maritime - tengeri S.A.R. Royal Navy Westland 'Seaking' photo by: Dominic House source: facebook
above: new! LowMedRes!
above: NEW! MedRes! Original Soviet/Russian study poster about control of Mi-24 helicopter - vezérlés oktató tabló
above: NEW! NoHigher! De. text (DDR - NVA) shema about cyclic pitch control with Mi-8 KAU-30B buster cylinder to rotr swash-plate
Manőver Magazin TV-2 1998 nyári adás
Közzététel: 2014. jan. 15.: Manőver 1998 februári adás tartalma : A kutató mentők élete , Bubik András és Sipos András katonatörténetei , A hangászok története , Láng László tűzszerész , Jim Morrison és a kábítószer .Májusi adás tartalma : A Magyar Folyami Flotilla , Juhász János alezredes helikopter pilóta története.
Zene: „La Linea Onedín”, előadó: Khatchaturian (Google Play •iTunes)
above: NEW! NoHigher! Mikhail Leontsievits Mil before Mi-1 from right first 1st. in 1950.
Ru. text: Михаи́л Лео́нтьевич Миль (9 (22) ноября 1909, Иркутск — 31 января 1970, Москва) — советский конструктор вертолётов и учёный, доктор технических наук (1945), Герой Социалистического Труда (1966), лауреат Ленинской премии (1958) и Государственной премии СССР (1968). Wikipedia
above & below: NEW! NoHigher! Bristol-171 "Sycamore"
above: NEW! HiRes! Jak-100 - Yak-100 cross section below: MedRes! cutaways schema
above & below: NEW! NoHigher! Bristol 'Sycamore' Blade structure source: zona-militar.com
above: HiRes! Juci'bácsi's collect: Mil Mi-1 cutaway from Vass Balázs' book Courtesy FREE!
above: NEW! HiRes! Mi-1 cross section drawing
Ai-14 Rad. Pist. E.: http://szextant.blogspot.hu/2015/06/162-jak-52-av-bacau-yakovlev-yak-52.html
above: NEW! NoHigher! Juci'bacsi's scan coll.: Mit Tudsz a világról? publisher 'Kossuth' Budapest 1956. "What You know about World? Mi-1. Courtesy FREE!
above: NEW! MedRes! Juci'bácsi's repro ORWO/Forte dia/slide photo copy from early 1980's: Mil Mi-1 & PT-76 Recon Swiming Tank - UHK - Úszó Harckocsi from DDR Typensammler booklet also Courtesy FREE!
159.) PT-76 Amphibious Light (Swimming) Tank LAT, 1956-os Forradalom és Szabadságharc Szovjet páncélosai: III. rész - 1956's Hungarian Revolution's Soviet armors: 3nd part: ПТ-76 (Объект 740) советский лёгкий плавающий танк. - BTR-50PU, 2K6-2P16 "Luna" 'Frog-3', ASU-85: https://szextant.blogspot.com/2015/06/159-pt-76-amphibious-light-swimming.html
below: NEW! Nohigher! Mi-1 in liaison action to "Ural" M72
Pannonia TLT-250 katonai motorkerékpár P-10, 20 - Hungarian Military Motorcycle & others Ural Dnepr M-72, BMW R-75, Indiana Jones. -Zündapp, DKW, Norton, Ducati- АКС-47 Автомат-Калашникова AK-47, AUG Steyr StG.44, M134 Minigun: https://szextant.blogspot.com/2015/01/150-pannonia-tlt-250-katonai.html
above: NEW! NoHigher! Pitch control lever: Mi-1 EVK Egyesített Vezérlőkar ('Sag-Gaz') photo: Igor113 www.livejournal.com
above: NEW! MedRes! USAF SO - Special Operation, Sikorsky MH-60H "Pawe Hawk" delivers the SOF - Special Operation Forces "Green Baretts" JTAC/FACP - Joint Terminal Attack Controller/Forward Air Control Party - EVTR - Egyesített Végső Támadás Rávezető/ERIP - Előretolt Repülésirányító Pont or LRRP - Long Range Reconnaissance Patrol detachment - Mf. Mélységi felderítő különítmény in Afhganistan mountains - Mélységi Klgs. Műv. osztag ERIP kirakása. paint
above: NEW! NoHigher! very famous great photo from Vietnam: UH-1H "Iroquois" / "Huey"
above: NEW! MedRes! in Rotor dust: #Alicia Vikander as the new #Lara Croft source: index.hu
above: NEW! NoHigher! US ARMY 1st Cavalry's UH-1D source: Pinterest.com
above: NEW! MedRes! UH-1H "Iroquois" / "Huey" official page live; We
reported on the new images on the DCS website on the Huey and Flaming
Cliffs 3 modules yesterday. Seems the official Huey page is now live.
Have a look. Some snippets; The UH-1 Huey is one of the most iconic
and recognizable helicopters in the world. Having served extensively as a
transport and armed combat support helicopter in the Vietnam War, the
Huey continues to perform a wide variety of military and civilian
missions around the world today. source: pinterest.com
above & below: NEW! MedRes! UH-1D dimensions
above: Up: MedRes! Bell UH-1D bottom: HiRes!

above: NEW! MedRes! UH-1D datas and main parts
above: NEW! HiRes! Bell UH-1B 'Iroquois' - "Huey" cutaway drawing
Understanding Helicopter's Engine | Turboshaft
above: NoHigher! Russian cyrillic text from book about Bell's rotorhead
above: MedRes! Juci'bácsi's scan-coll.: Mr. acf.eng. Vass Balázs okl.rep.mk. "Repülőgép és Helikopter Típusok" "Types of Aircraf and Helicopter" Műszaki Könyvkiadó - Technics Publisher Budapest, 1968. American 'Bell' Cardano-hinged rotorhub system - Kardáncsuklós rotorfej source: Vass Balázs
above: NEW! HiRes! KAVAN - Lockheed 286L rotorhead exploded drawing of parts
above: Bell UH-1D 'Iroquois' / "Huey" rotor blade connection below: NoHigher! Parts
above: two New! HiRes! Bell UH-1D "Iroquois" / "Huey" rotorcontrol below: NEW! NoHigher! Es. text: UH-1D rotorhead

above: NEW! HiRes! Juci'bácsi's collect: Survival- Túlélés by 'Air Art' Graphics Studio: Képregény - Comics SURVIVAL - SAR - Search and Rescue I. Rész: Légi Kutató - Mentő UH-1D 'Huey' _ RTL-klub: "Celeb vagyok ments ki innen!" Túlélő Show műsor - Film-forgatókönyv – Treatment: http://szextant.blogspot.hu/2014/10/140-kepregeny-comics-survival-sar.html
Video: Helicopter Rotor Animation: Hiller-Bell mechanism
above: NEW! NoHigher! Upper: Hu. text UH-1D photo: Glen rekt, Airliners.net Lower: "..Training Flight"
above: NEW! MedRes! Juci'bacsi's scan photo by 'Practica' TLT. Italy 51st Stormo (TFW) "Caccia" Istrana ItAF AFB 1992. by CSBM tour. S.A.R. Agusta-Bell AB-205 (UH-1D) chopper Co-Pilot seat.
above: NEW+! HiRes! Slovenia Police Department: "don't ever be afraid to take risks, for they make life worth living" Foto: www.urospodlogar.com, Uros Podlogar Photography Photo: Uros Podlogar: https://www.facebook.com/pg/UrosPodlogarPhotography/photos/?ref=page_internal
source: Hungarian Google G+ Collector: Mr. Bányiczki Zoltán Pin-Up Expert
above: NEW! HiRes! Juci'bácsi's collect: Survival- Túlélés by 'Air Art' Graphics Studio: Comics - Képregény in AVIATOR Magazine
Képregény - Comics SURVIVAL
above: NEW! NoHigher! Iroquoisgirl: As True "Huey" rotorcontroller American trade keeper Pin-Up Girl in U.S. ARMY's UH-1D Copilot seat, behind collective. source: http://www.suitetart.com/
above & below: NEW! HiRes! Slovakian Aero-Technic Europe - ATE Police Mi-17 at Poprad "Tatry" IAP LZTT under mountain Visoky Tatry (High) Tatri, Italian made Agusta A-109K2 'Hirundo' Mountain Rescue helicopter service. Police. photo: Juci'bácsi with Sony-Ericsson 'Yari' halfsmartphone 2015. nov.
above: NEW! MedRes! Juci'bácsi's photo: My Son: Andrew - Andor "Bubu" behind cyclic control grip in Belgian AF's Agusta-Bell A-109 "Hirundo" urility helicopter at LHSN Szolnok AFB's Open Day in 2005.
above: NEW! NoHigher! My son "Bubu" in AB-212 (UH-1D)
above: NEW! NoHigher! My son "Bubu" in AB-212 (UH-1D)
above: NEW! NoHigher! Cyclic stick as gearbox lever in car - Sebváltógomb
above: NEW! MedRes! Juci'bácsi's coll.: British Bristol "Belvedere" tandem rotor system cargo helicopter early 1960's - cutaway draw from Vass Balázs: Book; Repülőgép és helikopter típusok: MK - Műszaki KönyvKiadó Budapest 1968.
The Bristol Type 192 "Belvedere" was a British twin-engine, tandem rotor military helicopter built by the Bristol Aeroplane Company. It was designed for a variety of transport roles including troop transport, supply dropping and casualty evacuation. It was operated by the Royal Air Force (RAF) from 1961 to 1969. wiki
Piasecky HUP-1 'Retriever' below: NEW! HiRes! (Cropped & Edited!) Renovated HUP-1
above: NEW! Originally designed to meet a U.S. Navy requirement for a shipboard utility helicopter, the Piasecki Model PV-18/ H-25 Army Mule/HUP-1 Navy Retriever - Visszahozó first flew in 1948 and entered regular Navy.
above & below: NEW! NoHigher! U.S. Washington D.C. NASM - National Air and Space Museum 'Smithsonian' Institute
above: NEW! Originally designed to meet a U.S. Navy requirement for a shipboard utility helicopter, the Piasecki Model PV-18/ H-25 Army Mule/HUP-1 Navy Retriever - Visszahozó first flew in 1948 and entered regular Navy.
above & below: NEW! NoHigher! U.S. Washington D.C. NASM - National Air and Space Museum 'Smithsonian' Institute
above: Experimental Mule - Öszvér source: NASM
NEW! HiRes! Belarusian supermodel, in NASM-logo accesorie Maryna Linchuk on runway at Victoria's Secret 2009 fashion-show source: CelebsDump.com
above: NEW! HiRes! American Military Industry WW-Two: Woman processes the Radial Cylinders Piston engine.
above: NEW! NoHigher! (Crop!) "Mad Max Copter" advanced tactics black knight transformer
NEW! above: HiRes! below: NoHigher! Drone 'Avatar' by: Samuel Bendett source: index.hu
above: NEW! HiRes! Drone-protector hat
below: Juci'bacsi's photo of own collection: HuAF's Gift as a Mi-8 TailRotor's Blade cutaway by cmdr. HuDF Storage of Arcraft's Techn. Material HiRes!
above & below: NEW! NEW! HiRes! Juci'bácsi's collect: Mi-8 Tailrotorblade Honeycomb structure part - Faroklégcsavarlapát Méhsejt szerkezetű rész. also Courtesy FREE!
above: NEW! cross-section drawing of rotorblade - chord-húr
NEW! above: NoHigher! Profile below: HiRes! Cyr. text: Conventional wooden - fából készült blade - lapát structure
above: NEW! NoHigher! AoA - Angle of Attack - Állásszög a megfúvás/légáramlás irányához képest, a beállítási szög meg a rotorsíkhoz viszonyítva.
above: MedRes! Fashion photo about Latex overall with 'Jet Ranger'
above: HiRes! Bell 206 "Jet Ranger" rotor head.
above: NEW! NoHigher! Heli EXPO with Ford's Bell-206
above: NEW! Harrison Ford ("Indiana Jones") Hollywood star actor as professional helicopter pilot and owner in His Bell-206 "Jet-Ranger". He is profi airplane Cessna 'Citation' owner and pilot too. "And push the wind to - és csapja a szelet"; Stephanie Seymour wearing Mugler, British Vogue 1990 Ph. Herb Ritts
Star Wars VII: http://szextant.blogspot.hu/2016/01/172-star-wars-7-force-awakens-movies.html
Harrison Ford (born July 13, 1942. -age 78- Chicago, Illinois, U.S.) is an American actor, pilot, and environmental activist. As of 2019, the U.S. domestic box office grosses of his films total over $5.1 billion, with worldwide grosses surpassing $9.3 billion, placing him at No. 4 on the list of highest-grossing domestic box office stars of all time. In addition to his box office success, he is also an Academy Award nominee, a four-time Golden Globe nominee, a two-time Saturn Award winner, and the recipient of the AFI Life Achievement Award and the Cecil B. DeMille Award. ... https://en.wikipedia.org/wiki/Harrison_Ford
NEW! Bell 206 'Jet Ranger': In Memoriam for Hollywood's World famous star actor Burt Reynolds in movie 'Hooper' 1978. scene of helicopter jump source: google/-Getty
above: MedRes! #Burt#Reynolds BR 82. and 1980's
above: NoHigher! I.M. Burt #Reynolds and His wife #Loni#Anderson at the 43rd Primetime 'Emmy Awards' 1991 source: Wikipedia
Loni Kaye Anderson (born August 5, 1946) is an American actress. She is known for her role as receptionist Jennifer Marlowe on the CBS sitcom WKRP in Cincinnati (1978–1982), which earned her three Golden Globe Award and two Emmy Award nominations. ...
above: NoHigher! Loni Kaye Anderson in December 1992.
En. text: Burton Leon Reynolds Jr. (February 11, 1936 – September 6, 2018) was an American actor, director and producer. He first rose to prominence starring in television series such as Gunsmoke (1962–1965), Hawk (1966), and Dan August (1970–1971).
His breakout film role was as Lewis Medlock in Deliverance (1972). Reynolds played the leading role in a number of subsequent box office hits, such as The Longest Yard (1974), Smokey and the Bandit (1977), Semi-Tough (1977), Hooper (1978), Smokey and the Bandit II (1980), The Cannonball Run (1981) and The Best Little Whorehouse in Texas (1982).
After a few box office failures, Reynolds returned to television, starring in the sitcom Evening Shade (1990–1994). He was nominated for the Academy Award for Best Supporting Actor for his performance in Boogie Nights (1997). ... https://en.wikipedia.org/wiki/Burt_Reynolds
Hu. text: ifj. Burt Reynolds (Waycross, 1936. február 11. – Jupiter, 2018. szeptember 6.) amerikai színész, rendező. 82.
Egyetemi tanulmányait a Floridai Állami Egyetemen végezte el.
1955-től New Yorkban televíziós szerepekben játszott. 1961 óta szerepelt filmekben; kezdetben kaszkadőr és epizodista volt. Halála előtt éveken át szívproblémákkal küzdött. 2018. szeptember 6-án hunyt el egy floridai kórházban.
1963–1965 között Judy Carne volt a felesége. 1988–1995 között Loni Anderson volt a párja. Örökbe fogadott fiuk Quinton Anderson Reynolds. ...
above: NEW! NoHigher! I.M. Burt Reynolds with Bunny in 'Playboy' source: Pinterest.
above & below Two: NEW+! HiRes! Slovakian Bell 206 "Jetranger" with Stefanie Photo by: Christoph Koch: https://www.facebook.com/pg/Christoph-Koch-Photography-877122838974173/photos/?ref=page_internal source: Hu. Google G+ Collector: Mr. Bányiczki Zoltán Pin-Up Expert
above: NEW! NoHigher! Belle-Girl in door source: Pinterest.com
above & below: MedRes! Fashion artisty photos with Bell-206 'Jet Ranger'
below: NEW! Hiller UH-12E4 1960 in movie '007 James Bond' "Golden Eyes" Right: MedRes!

above: NoHigher! Bell-206 "Jet Ranger" rotor blades turbulence wind-effect for skirt leviation!
above: NEW! NoHigher! Cameraman helicopter Aérospatiale AS 355 'Écureuil' and Porsche-911 'Carrera' during Rallye source: Pinterest.com

above: NEW! The rotorwind ground-effect: Left: Aerospatiale AS-350 "Equerel" with Stana Katic. Right: Sikorsky S-55 / Westland "Whirlwind" storming to parisian 'Gucci' or 'Chanel' fashion girl 1957. below: Paris Hilton celeb - model in French Riviera - St. Tropez before Aerospatiale AS-350 "Equerel".
above: NEW! Spec heli; Movie: 'James Bond 007' "A view to a kill" : Roger Moore, Tanya Roberts
above: NEW! MedRes! Juci'bacsi's LP disc coll.: group ABBA helicopter Bell-47 or Hiller
Se. text: Abba (ofta skrivet ABBA och officiellt ᗅᗺᗷᗅ) var en svensk popgrupp, som bildades 1972 och upplöstes i januari1983. Namnet Abba kommer från medlemmarnas initialer. Abba bestod av två gifta par: Björn Ulvaeus och Agnetha Fältskog samt Benny Andersson och Anni-Frid "Frida" Lyngstad. Under hela gruppens karriär skrevs musik och text av Andersson och Ulvaeus, fram till 1977 stundom tillsammans med gruppens manager, Stikkan Anderson. Gruppens första album var Ring ring 1973, medan deras sista album var The Visitors, som kom ut 1981. Det stora internationella genombrottet kom i Eurovision Song Contest 1974, där gruppen framförde det vinnande bidragetWaterloo. ...sv.wikipedia.org/Abba
NoHigher! above: NEW! Bell-47 and Shelley Hack by vicky vaughn via: tumblr.com source: Pinterest below: NEW! Bell-47 in Vietnam War
NEW! HiRes! above: ARMY Bell-47G diorama below: Bell-47D cutaway drawing key.
NEW! HiRes! above: ARMY Bell-47G diorama below: Bell-47D cutaway drawing key.
above: NEW! NoHigher! Patient #heli-Pilot with #Hollywood's ikon: #Marilyn#Monroe
above Six: NEW! NoHigher! Bell & Hiller rotor system
above: NEW! NoHigher! Bell-47G3B in Swiss Mountain Rescue Service HB-XBT source: www.heli-archive.ch
above: NEW! NoHigher! Hiller OH-23 'Raven'-'Holló'
above: NEW! NoHigher! Hiller OH-23 'Raven'-'Holló'

above: NEW! Left: MedRes! PAL-V ONE folded Flying Car Right: E-Volo electro quadrocopter below: NEW! NoHigher! 'Volocopter' in #Dubai source: Northfoto/index.hu
above: NEW! NoHigher! Focke-Achgelis Fa 223 'Drache'
above: NEW! NoHigher! De Lackner HZ-1 'Aerocycle' for US ARMY

above: NEW! NoHigher! "flying podium - repülő dobogó"
above: NEW! NoHigher! U.S. AIR FORCE & ARMY's experimental "Rotorcraft" disc. source: mellbimbo.eu
above: NEW! NoHigher! "Ground-effect turbulence": Big bang theory Photo by: Russian Alexander Yakovlev
above: NEW! NoHigher! 1953. Lockheed XFV-1 Originally meant for vertical takeoffs landings-ships. One proto built. 5332 hp. Two giant 16 ft. propellers. Pilotseat-swiveled 45 deg. forward during-take off. Similar to Convair XFY 'Pogo'.
NEW! above: NoHigher! Convair XFY-1 'Pogo' 1963. below: MedRes! NAVY's XFY-1

above: NEW! NoHigher! Ryan XV-5A 'Vertifan' experimental VTOL - Vertical Take-Off Landing jet & fan propulsion attack aircraft source: Pinterest
above: NEW! NoHigher! Advert paint about future battlefield with Vertifans by: Secret Projects Forum
above: NEW! MedRes! Juci'bácsi's collection: Hu. text: "Fiúk Évkönyve" Móra Ferenc Könyvkiadó Budapest 1961. 32,-Ft. - Book "Calendar-book of Guys" M.F. Publisher : Légpárnás gépkocsi - Air-Cushion car "Auto-Hover"

NEW! NoHigher! Juci'bacsi's coll.: Hu. Text: above: Top: L.: USN ONR Hiller VZ-1 Pawnee "Flying Pulpit" R.: Heli rotor airflow bottom: L.: Douglas X-3 "Stiletto" R.: Convair XFY-1 "Pogo" from early 1950's USA below: provizorical Soviet Yakovlev Yak-24 - Jak-24
NEW! Juci'bacsi's collect: Hu. book from 1956. Budapest, "Mit tudsz a Világról?" - "What are you knowing about the World?" above: NoHigher! "Pogo" below: Book MedRes!

above: NEW! HiRes! Juci'bácsi's scan collect, from Hu. text. eng. Vass Balázs; "Repülőgép és Helikopter Típusok" könyv - book MK - Műszaki Könyvkiadó, Budapest 1968.: Ryan XV-5A 'Vertifan' experimental VTOL aircraft with fan & jet propulsion. Courtesy FREE!
above & below: NEW! NoHigher! Ryan XV-5A 'Vertifan' experimental VTOL cutaway & views source: Alchetron - flickr & NASA History

NEW! above: HiRes! Ryan XV-5A experimental VTOL advert painting
above: NEW! NoHigher! Yakovlev Yak-24P passenger tandem rotor helicopter from 1950's
above & below: NoHigher! Yakovlev Yak-24 in Monino VVS aviation museum Three small: HiRes!
NEW! NoHigher! Experimental speedy helis; above: Sikorsky 'Raider' below: X2
above: Italian Ferrari helicopter over Nice. below: HiRes! Future DSX
above: NEW Pics ! HiRes: Hyper helicopter fantasy Tandem Coaxial Rotor
system
above: NEW! MedRes! Hu. text: "ArRogánkopter" (#Rogán Antal propaganda-miniszter helikopterezése) photo: Huszti István source: www.index.hu
18+above: NEW+! NoHigher! Juci'bacsi Repro slide/dia photo from late 1970's copy by DDR made 'PRAKTICA' MTL-2: Girl in Rotorwind under French Sud Aviation SA-316B "Alouette-II"
above: NEW! NoHigher! (Hz. Crop!) A little Soviet engineer. Hu. text: Egy kis szovjet mérnök 1976-ból. by: Masha-Ivashintsova source: wm. www.index.hu
above: new! Hungarian cartoon artist In Memoriam Hemmert "Hemi" László's comics artwork
above: NoHigher! CH-46 'Sea Knight'/'Labrador' pilot on the top of sea-cliff.
above: NEW! HiRes! S-300C Hughes & Fashion Photo & source: Ricchy.ch-team
above: NEW+! NoHigher! Germany World famous model, #Claudia#Schiffer at beside of Bell
above: NEW! HiRes! Cyclic-contour hat
above: NEW! NoHigher! The '#Coriolis'-force by: #Biellmann-#piruett on #International U.S. #Figure #Skating #Championships #Boston. - #Műkorcsolya-VB
Many thanks for this picture beacause I have not some (many) "FlIMigy" neither. It was best favourite toy in child age for Me. (I had got it some pieces in early 1960's)
Nagyon köszönöm! a www.Retronom.hu oldalnak ezt a képét -Fémlemezipari Művek népszerű termékét a Lendkerekes Helikoptert- mert ez volt a kedvenc játékom gyerekkoromban. Sajnos egy darab sem maradt a sokból.


























































































































































































































































































































































































































































































































































































































































































































































































































































































































Informative blog thanks for the sharing but If you want to save money, we offer a full range of RC Helicopter With Camera, Remote Control Cars, fast remote control cars, gas remote control cars at lowest price. We have a huge range of top brands RC Helicopter With Camera at www.shopperstrail.com
VálaszTörlésDear Shoppertrail! Thank You very much for your kind comment. Other theme the: http://szextant.blogspot.hu/2014/10/139-model-helikopterek-rc-helicopter.html I wish you merry Christmas & happy New Year!
VálaszTörlésBest regards; Sextant Blogger
me gusta esta revista muestre heli rc gasser y componentes
VálaszTörlés