#Apollo-11 #NASA #spacecraft "#Columbia" #Command & Orbital Module - #Űrhajó - #Lunar-Module "#Eagle" - "#Sas" #Moon-land - #Holdraszállás 50th-#Annyversary - #Évforduló: Neil#Armstrong, #Edwin "#Buzz"#Aldrin, #Michael*Collins & #OMEGA-watch & #Spacegirls (#Wikipedia)
above: NEW+! MedRes! Hu. text:1969. Dave Scott mászik ki az űrhajóból az Apollo-9-es küldetéskor
50th Anniversary of ,the Apollo-11 first landing on the Moon - A Holdraszállás 50. Évfordulója
1969. july 20 - 2019. july 20 Saturday - Szombat
above: NEW! NoHigher! The Earth from Moon source: facebook/Angyal László
above: NEW+! MedRes! N. Armstrong, M. Collins, Buzz Aldrin source: Pinterest/Photoshoot
above & below: NEW! NoHigher! Mail stamp and Badge of 'Apollo' XI mission
above: NEW! MedRes! Juci'bácsi's collect: painting Apollo-11 Lunar Module on Moon scale 1:144 from Swedish text model English catalogue AIRFIX-1978.
above: new! NoHigher! The Moon - A Hold below: NEW! NoHigher! NASA Eis pinterest
above: NEW! NoHigher! #Selena Gomez star-#singer before #NASA backround
En. text: Selena Marie Gomez (born July 22, 1992) is an American singer, actress, and producer. After appearing on the children's television series Barney & Friends, she received wider recognition for her portrayal of Alex Russo on the Disney Channel television series Wizards of Waverly Place, which aired for four seasons from 2007 until 2012.
With her former band Selena Gomez & the Scene, she attained the top-ten albums Kiss & Tell (2009), A Year Without Rain (2010) and When the Sun Goes Down (2011) on the US Billboard 200. As a solo artist, Gomez has released the two number-one albums Stars Dance (2013) and Revival (2015). She has also earned seven top-ten entries on the US Billboard Hot 100: "Come & Get It", "The Heart Wants What It Wants", "Good for You" with ASAP Rocky, "Same Old Love", "Hands to Myself", "We Don't Talk Anymore" and "It Ain't Me" with Kygo. In 2017, Billboard reported that Gomez has sold over 7 million albums and 22 million singles worldwide. ... https://en.wikipedia.org/wiki/Selena_Gomez
Hu. text: Selena Marie Gomez (Grand Prairie, Texas, 1992. július 22. –) mexikói származású amerikai színésznő és énekesnő. Leggyakoribb magyar hangjai Bogdányi Titanilla és Gubás Gabi. ...
above: NEW! NoHigher! (Crop!) Court of Moon - Holdudvar below: NEW! HiRes! (Only max Hz 1600 px): Eclipse of the Moon - Holdfogyatkozás 2018 august from M1 Highway close to Győr in Hungary. photo: Hu. Mr. Bence Paksi 'Strange Contrast' photography source: facebook/Paksi Bence
Hu. text: Elég rossz látási viszonyok voltak tegnap a holdfogyatkozás megfigyeléséhez. Ennyit azért sikerült kihozni belőle. source: https://www.facebook.com/photo.php?fbid=1987501131312012&set=a.872283782833758&type=3&theater
above: NEW+! NoHigher! Apollo-11 NASA photo on the Moon. NASA Apollo-8 Dec 24 Earthrise - Földfelkelte a Holdon: Hu. text: Miért nem látszanak csillagok a Holdon készült fotókon? Article - Cikk Wiki source: http://index.hu/tudomany/til/2017/11/03/miert_nem_latszodnak_a_csillagok_a_holdon_keszult_fotokon/
Earthrise, an iconic image from the 1968 Apollo 8 mission, taken by astronaut William Anders.
NASA/Bill Anders - http://www.hq.nasa.gov/office/pao/History/alsj/a410/AS8-14-2383HR.jpg
Taken by Apollo 8 crewmember Bill Anders on December 24, 1968, at mission time 075:49:07 (16:40 UTC), while in orbit around the Moon, showing the Earth rising for the third time above the lunar horizon. The lunar horizon is approximately 780 kilometers from the spacecraft. Width of the photographed area at the lunar horizon is about 175 kilometers. The land mass visible just above the terminator line is west Africa. Note that this phenomenon is only visible to an observer in motion relative to the lunar surface. Because of the Moon's synchronous rotation relative to the Earth (i.e., the same side of the Moon is always facing Earth), the Earth appears to be stationary (measured in anything less than a geological. source: Wikipedia
above: NEW! MedRes! N. Armstrong on the Moon
above: NEW++! NoHigher! Mattel's Apollo Astronaut "Babrbie" doll from 1960's
En. text: Barbie is a fashion doll manufactured by the American toy company Mattel, Inc. and launched in March 1959. American businesswoman Ruth Handler is credited with the creation of the doll using a German doll called Bild Lilli as her inspiration.
Barbie is the figurehead of a brand of Mattel dolls and accessories, including other family members and collectible dolls. Barbie has been an important part of the toy fashion doll market for over fifty years, and has been the subject of numerous controversies and lawsuits, often involving parodies of the doll and her lifestyle.
Mattel has sold over a billion Barbie dolls, making it the company's largest and most profitable line. However, sales have declined sharply since 2014. The doll transformed the toy business in affluent communities worldwide by becoming a vehicle for the sale of related merchandise (accessories, clothes, friends of Barbie, etc.). She had a significant impact on social values by conveying characteristics of female independence, and with her multitude of accessories, an idealized upscale life-style that can be shared with affluent friends. Starting in 1987, Barbie has expanded into a media franchise, including animated films, television specials, video games, and music. ... https://en.wikipedia.org/wiki/Barbie
Hu. text: a Barbie egyike a legkelendőbb divatbabáknak. Előállítója a Mattel Inc; az 1959-ben indított játék mai napig jelentős bevételi forrása. A teremtőjének egy amerikai üzletasszonyt, Ruth Handlert (1916–2002) tartják, akit egy német baba, a Bild Lilli ihletett meg. Barbie majd 50 éven keresztül volt a játékpiac fontos része, több vita és per témája, ami során több alkalommal parodizálták a baba köré épített fiktív életmódot. Megteremtése óta a Barbie-nak is egyre több konkurenciával kellett szembenéznie a saját kategóriájában. ...
Mattel, Inc. (/məˈtɛl/) is an American multinational toy manufacturing company founded in 1945 with headquarters in El Segundo, California. The products and brands it produces include Fisher-Price, Barbie, Monster High, Ever After High, Polly Pocket, Hot Wheels, Matchbox, Masters of the Universe, American Girl, Thomas & Friends, and WWE. In the early 1980s, Mattel produced video game systems, under its own brands and under license from Nintendo. The company has presence in 40 countries and territories and sells products in more than 150 countries. The company operates through three business segments: North America, international, and American Girl. It is the world's second largest toy maker in terms of revenue, after The Lego Group. In 2014, it ranked #403 on the Fortune 500 list. On January 17, 2017, Mattel named former Google executive Margo Georgiadis as CEO.[8] Georgiadis stepped down as CEO of Mattel on April 19, 2018. Her last day was on April 26, 2018. Ynon Kreiz is now the new CEO of Mattel.
The name Mattel is a portmanteau of Harold "Matt" Matson and Elliot Handler, two of the company's founders. ... https://en.wikipedia.org/wiki/Mattel
above: NEW! NoHigher! Lunar Walker - Holdjáró: #Mattel's #Barbie-doll
above: NEW! MedRes! "Buzz" on the Moon - Aldrin az EASEP műszereit cipeli a felállítási helyükre source: index.hu
Holdraszállás 50: Index: Hu. text article: Szémann Tamás (adatvizualizáció), Nagy Attila Károly 2019.07.20. 08:12
Miért nem ment vissza Amerika a Holdra?
"Kis lépés az embernek, hatalmas ugrás az emberiségnek"
– mondta 1969. július 20-án Neil Armstrong, amikor első emberként a Holdra lépett.
Miközben megteszem az utolsó lépést, amivel az ember elhagyja a Hold felszínét, hogy hazatérjünk egy kicsit – hitünk szerint nem túl hosszú időre –, szeretnék valamit mondani, amit remélem, a történelem megőriz. Amerika kihívása az emberi sors holnapjában edződött. És ahogy itthagyjuk a Holdat, a Taurus-Littrow völgyét, távozunk, ahogy jöttünk, Isten segedelmével, miképp vissza is kell térjünk, békével és az egész emberiség reményével. Jó utat, Apollo–17!
Ezek pedig Eugene Cernan, az Apollo17 parancsnokának voltak a búcsúszavai a Hold felszínéről, amikkel a NASA űrhajósa 1972. december 13-án méltó módon zárta az emberiség máig egyik legnagyobb teljesítményét.
A holdra szállás ötvenedik évfordulója felé közeledve az egyik legtöbbet hallott, jókora adag csalódottságot sugárzó kérdés, amin szívesen elmélkedik mindenki, hogy mi az oka annak, hogy Amerika az Apollo–17 után többé nem küldött asztronautákat a Holdra, miért nem vált valóra Cernan óhaja. Elvégre a világ vezető nagyhatalmáról van szó, az Egyesült Államok pénzügyi és humán erőforrásai szinte korlátlanok, már nem is a Holdon, de minimum a Marson vagy azon is túl kellene járniuk a NASA űrhajósainak, nemde? Na és mi a helyzet az összes többi országgal, hogyhogy fél évszázad alatt sem sikerült senkinek megismételni az amerikaiak nagy dobását? ...
Tour of the Moon 4K Redux (Music Only)
NEW! In the fall of 2011, the Lunar Reconnaissance Orbiter (LRO) mission released its original Tour of the Moon, a five-minute animation that takes the viewer on a virtual tour of our nearest neighbor in space. Six years later, the tour has been recreated in eye-popping 4K resolution, using the same camera path and drawing from the vastly expanded data trove collected by LRO in the intervening years.
The tour visits a number of interesting sites chosen to illustrate a variety of lunar terrain features. Some are on the near side and are familiar to both professional and amateur observers on Earth, while others can only be seen clearly from space. Some are large and old (Orientale, South Pole-Aitken), others are smaller and younger (Tycho, Aristarchus). Constantly shadowed areas near the poles are hard to photograph but easier to measure with altimetry, while several of the Apollo landing sites, all relatively near the equator, have been imaged at resolutions as high as 25 centimeters (10 inches) per pixel.
The new tour highlights the mineral composition of the Aristarchus plateau, evidence for surface water ice in certain spots near the south pole, and the mapping of gravity in and around the Orientale basin.
The camera flies over the lunar terrain, coming in for close looks at a variety of interesting sites and some of the LRO data associated with them. Includes feature titles, research sources, and the location and scale of the image center.
Visualizer: Ernie Wright (lead) For more information or to download this public domain video, go to https://svs.gsfc.nasa.gov/4619#24658
Kategória: Tudomány és technika
Licenc: Normál YouTube-licenc
Hu. text: Lehet, hogy nem látta még ilyen szép felbontásban a Holdat;
fák 2018.04.16. 11:40: Nyolc éve, 2009 óta kering Hold körüli pályáján a NASA űrszondája, a Lunar Reconnaissance Orbiter. Az LRO a Constellation program keretében elsősorban a majdani holdexpedíciók számára gyűjt adatokat: lehetséges leszállóhelyeket keres és térképez fel, de adatokat gyűjt a korábbi emberi leszállások nyomairól is.Az évek során gyűjtött adatokból a NASA most egy minden korábbinál részletesebb és szebb videót hozott nyilvánosságra. A 4K-s felbontású ötperces videón a holdfelszín szinte tapinthatónak tűnik. ... https://index.hu/tudomany/2018/04/16/lehet_hogy_nem_latta_meg_ilyen_szep_felbontasban_a_holdat/

above: new! cutaway model of Jules Verne's fantasy lunar vehicle in National Air and Space Museum
above: NEW+! NoHigher! Fantasy Pin-Up Girl pühoto on Moon threatment
above: NEW! NoHigher! Vintage report Apollo 1969 source: Fovarosi.blog.hu
above: NEW! NoHigher! Vintage report Apollo 1969 source: Fovarosi.blog.hu
NEW! Hu. text article: Ember a Holdon? Mekkora kamu! by: index.hu 2019.07.20. 08:12
Ötven évvel ezelőtt az egész világ Neil Armstrong, Buzz Aldrin és Michael Collins sikeres küldetését ünnepelte: azt, hogy 1969. július 20-án ember lépett a Holdra. Aztán teltek-múltak az évtizedek, és mintha a holdkráterek árnyékos lejtőiről kúsznának elő, egyre több fórumon jelentek meg olyan vélekedések, hogy a holdra szállás nem is történt meg, egy globális összeesküvésben hazudik a NASA az egész emberiségnek.
above & below: NEW! NoHigher! Exhibition of the Apollo-10 CM May 1970 in Budapest, International Messe - BNV - Budapesti Nemzetközi Vásáron Photo: Fortepan.hu source: Ma is tanultam valamit/index.hu
Hu. text article: Egyszer járt amerikai űrhajó Magyarországon:
Nagy Attila Károly: 2019.02.17. 09:54
Budapesten dörgölték Moszkva orra alá, hogy az USA nyerte az űrversenyt
Amikor 1970. május 22-én megnyíltak a Városligetben a Budapesti Nemzetközi Vásár kapui, valószínűleg sok látogató nem sejtette, hogy életre szóló, űrhajózással kapcsolatos élményben lesz része az Amerikai Egyesült Államok pavilonjánál. A június 1-ig tartó kiállításon ugyanis olyasmi történt, amire sem előtte, sem azóta nem volt példa Magyarországon, de úgy általában a világ többi részén se nagyon: egy igazi, Hold-küldetésből visszatért amerikai űrhajót állítottak ki, mégpedig az Apollo–10 küldetés parancsnoki egységét. ...
above: NEW! NoHigher! Apollo CM "Charlie Brown", the Apollo-10 commanding spacecraft at the 1970 Budapest International Fair. Donor and Photo: Mr. Gyula Nagy / FORTEPAN Picture ID: 59982 - Parancsnoki Modul Charlie Brown, az Apollo-10 parancsnoki űrhajója az 1970-es BNV - Budapesti Nemzetközi Vásáron. Adományozó és Fotó: Nagy Gyula / FORTEPAN képszám: 59982
above: NEW! MedRes! Photo: Népszabadság - People's freedom newspaper, May 26, 1970 / Arcanum Digital Science Library - Fotó: Népszabadság, 1970. május 26 / Arcanum Digitális Tudománytár
Author: Nagy Attila Károly index.hu Hu. text article:
Amikor 1970. május 22-én megnyíltak a Városligetben a Budapesti Nemzetközi Vásár kapui, valószínűleg sok látogató nem sejtette, hogy életre szóló, űrhajózással kapcsolatos élményben lesz része az Amerikai Egyesült Államok pavilonjánál. A június 1-ig tartó kiállításon ugyanis olyasmi történt, amire sem előtte, sem azóta nem volt példa Magyarországon, de úgy általában a világ többi részén se nagyon: egy igazi, Hold-küldetésből visszatért amerikai űrhajót állítottak ki, mégpedig az Apollo–10 küldetés parancsnoki egységét. - When the gates of the Budapest International Fair opened at City Park on May 22, 1970, many visitors probably did not suspect that they would have a lifetime of space-related experience at the United States Pavilion. The exhibition, which runs until June 1, has seen something unprecedented in Hungary before and since then, but not so much in the rest of the world: a real American spacecraft returned from a lunar mission, the Apollo-10 Command Unity. source: index.hu
above: NEW! NoHigher! On November 13, 1968, NASA announced the names of the space astronauts involved in the Apollo-10 mission. Pictured from left to right: Eugene A. Cernan, moon copilot; John W. Young, Commander Module Pilot; and Thomas P. Stafford, commander. - A NASA 1968. november 13-án jelentette be annak a háro űrhajósnak a nevét, akik az Apollo-10 küldetésen részt vesznek. A képen balról jobbra: Eugene A. Cernan, holdkoppilóta; John W. Young, a parancsnoki modul pilótája; és Thomas P. Stafford, parancsnok. source: index.hu
Flash Mob: The U.S. Air Force Band at the Smithsonian
Starting with a single cellist on the floor of the National Air and Space Museum's "Milestones of Flight" gallery, and swelling to 120 musicians, The U.S. Air Force Band exhilarated museum visitors with its first-ever flash mob. The four-minute performance featured an original arrangement of "Jesu, Joy of Man's Desiring/Joy to the World," led by the band's commander and conductor, Col. Larry H. Lang.
Unsuspecting museum visitors including tourists and school groups were astonished as instrumentalists streamed into the gallery from behind airplanes and space capsules, and vocalists burstinto song from the Museum's second floor balcony."
above: NEW! NoHigher! U.S. Florida peninsula, NASA 'Cape Canaveral' space-drome/launch drome nowadays- űrkikötő/kilövő állomás napjainkban source: facebook
above: NEW! NoHigher! U.S. Florida peninsula, NASA 'Cape Canaveral' space-drome/launch drome nowadays- űrkikötő/kilövő állomás napjainkban source: facebook
First Man - Official Trailer (HD)
Apollo insignia - logo

Hu. text article by: 24.hu Mr. Dévai László újságíró. 2019. 07. 16. 15:57
A náci, aki nélkül az emberiség nem jutott volna el a Holdra:
A NASA kétségkívül az emberiség legnagyobb tettét hajtotta végre, amikor embereket juttatott a Holdra, majd élve haza is hozta őket onnan. A holdra szállás az USA történelemének olyan sarokpontja lett, ami alaposan megágyazott annak az optimista kivagyiságnak, ami aztán hosszú évtizedeken át jellemezte az amerikaiakat.
Erre meg is volt minden okuk, hiszen talán nincs is olyan ember a Földön, aki ne ismerné az Apollo 11-es missziót, Neil Armstrongot és az ő híressé vált mondatát. Ezzel szemben viszonylag kevesek számára ismert tény, hogy a világrengető sikerhez szükség volt egy korszakos zseni szakértelmére, ő lett a legkeserűbb pirula, amit az amerikai patriotizmusnak valaha le kellett nyelnie.
Bemutatjuk Wernher von Braunt, aki Sturmbannführerből lett az amerikai űrhajózás atyja.: Braun 1912-ben a mai Lengyelország területén található, korábban a Német Császársághoz (1871-1918) tartozó Wyrzysk (németül: Wirsitz) településen született. Apja, Magnus von Braun, konzervatív politikus volt, a szövetségi kormány mezőgazdasági minisztereként szolgált a weimari köztársaság idején. ...
above: NEW! MedRes! Hu. text: Werner von Braun rakétatervező 1965 a 'Marchall' Space Flight Center irodájában, Huntsville, Alabama source: index.hu/Tudomány
APOLLO 50
1969. július 20-án a NASA történelmet írt: az amerikai űrhivatal elsőként juttatott embert a Holdra. Az 50. évforduló alkalmából a 24.hu július 15. és 28. között cikksorozattal tiszteleg az emberiség egyik legnagyobb lépése előtt.
above: NEW! HiRes! S-IC engines and Von Braun
above: new! #Werner Von Braun main designer of 'Saturn'-V
En. text: Apollo 11 was the first spaceflight that landed humans on the Moon. Mission commander Neil Armstrong and pilot Buzz Aldrin landed the lunar module Eagle on July 20, 1969, at 20:18 UTC. Armstrong became the first to step onto the lunar surface six hours later on July 21 at 02:56:15 UTC; Aldrin joined him about 20 minutes later. They spent about two and a quarter hours together outside the spacecraft, and collected 47.5 pounds (21.5 kg) of lunar material for return to Earth. Michael Collins piloted the command module Columbia alone in lunar orbit while they were on the Moon's surface. Armstrong and Aldrin spent just under a day on the lunar surface before rendezvousing with Columbia in lunar orbit.
Launched by a Saturn V rocket from Kennedy Space Center in Merritt Island, Florida, on July 16, Apollo 11 was the fifth manned mission of NASA's Apollo program. The Apollo spacecraft had three parts: a command module (CM) with a cabin for the three astronauts, and the only part that landed back on Earth; a service module (SM), which supported the command module with propulsion, electrical power, oxygen, and water; and a lunar module (LM) that had two stages – a lower stage for landing on the Moon, and an upper stage to place the astronauts back into lunar orbit. After being sent toward the Moon by the Saturn V's upper stage, the astronauts separated the spacecraft from it and traveled for three days until they entered into lunar orbit. Armstrong and Aldrin then moved into the lunar module Eagle and landed in the Sea of Tranquility. They stayed a total of about 21.5 hours on the lunar surface. The astronauts used Eagle's upper stage to lift off from the lunar surface and rejoin Collins in the command module. They jettisoned Eagle before they performed the maneuvers that blasted them out of lunar orbit on a trajectory back to Earth. They returned to Earth and landed in the Pacific Ocean on July 24.
Broadcast on live TV to a world-wide audience, Armstrong stepped onto the lunar surface and described the event as "one small step for [a] man, one giant leap for mankind." Apollo 11 effectively ended the Space Raceand fulfilled a national goal proposed in 1961 by U.S. President John F. Kennedy: "before this decade is out, of landing a man on the Moon and returning him safely to the Earth." .... https://en.wikipedia.org/wiki/Apollo_11
Launched by a Saturn V rocket from Kennedy Space Center in Merritt Island, Florida, on July 16, Apollo 11 was the fifth manned mission of NASA's Apollo program. The Apollo spacecraft had three parts: a command module (CM) with a cabin for the three astronauts, and the only part that landed back on Earth; a service module (SM), which supported the command module with propulsion, electrical power, oxygen, and water; and a lunar module (LM) that had two stages – a lower stage for landing on the Moon, and an upper stage to place the astronauts back into lunar orbit. After being sent toward the Moon by the Saturn V's upper stage, the astronauts separated the spacecraft from it and traveled for three days until they entered into lunar orbit. Armstrong and Aldrin then moved into the lunar module Eagle and landed in the Sea of Tranquility. They stayed a total of about 21.5 hours on the lunar surface. The astronauts used Eagle's upper stage to lift off from the lunar surface and rejoin Collins in the command module. They jettisoned Eagle before they performed the maneuvers that blasted them out of lunar orbit on a trajectory back to Earth. They returned to Earth and landed in the Pacific Ocean on July 24.
Broadcast on live TV to a world-wide audience, Armstrong stepped onto the lunar surface and described the event as "one small step for [a] man, one giant leap for mankind." Apollo 11 effectively ended the Space Raceand fulfilled a national goal proposed in 1961 by U.S. President John F. Kennedy: "before this decade is out, of landing a man on the Moon and returning him safely to the Earth." .... https://en.wikipedia.org/wiki/Apollo_11
Hu. text: Az Apollo-program ötödik űrutazókkal végrehajtott repülése az Apollo–11 volt. Az első kísérlet a holdra szállásra, amely egyben az első sikeres holdra szállás is lett. A holdprogram fő célkitűzése 1969. július 20-án teljesült, amikorNeil Armstrong és Edwin Aldrin sima leszállást teljesítettek a Mare Tranquillitatison (Nyugalom Tengerén), a Hold innenső oldalának egyik lávasíkságán. Később 2 óra 31 perc 40 másodperces időtartamú holdsétát tett a két űrhajós, amelyen 21,55 kg holdkőzet- és holdpormintát gyűjtöttek. Az expedíció harmadik tagja Michael Collins volt, aki Hold körüli pályán keringett a parancsnoki űrhajóval, míg két társa a holdkomppal (LM) leszállt a felszínre.
A sikeres holdra szállás máig ható, az emberiség legnagyszerűbb tudományos eredményei közé sorolt teljesítmény, emellett a hidegháborús katonai szembenállás idején egy, az egész emberiség eggyé válását elősegítő, szimbolikus esemény volt, amely rövid időn belül elvezetett a nagyhatalmak világűrbeli együttműködéséhez és a katonai enyhüléshez.
Az Apollo 11 pontos leszállási helyét a Hold térképek Statio Tranquillitatis "Nyugalom Bázis" önálló néven jelölik. Ilyenformán egyedi módon a Holdon hátrahagyott tárgyak a felszíni képződményekre jellemző megjelölést kaptak. A helyszín közelében fekszik a három űrhajós nevét viselő, nagyobb távcsövekkel látható három kráter is, amelyeket a megszokottól eltérően élő személyekről neveztek el. ...
A sikeres holdra szállás máig ható, az emberiség legnagyszerűbb tudományos eredményei közé sorolt teljesítmény, emellett a hidegháborús katonai szembenállás idején egy, az egész emberiség eggyé válását elősegítő, szimbolikus esemény volt, amely rövid időn belül elvezetett a nagyhatalmak világűrbeli együttműködéséhez és a katonai enyhüléshez.
Az Apollo 11 pontos leszállási helyét a Hold térképek Statio Tranquillitatis "Nyugalom Bázis" önálló néven jelölik. Ilyenformán egyedi módon a Holdon hátrahagyott tárgyak a felszíni képződményekre jellemző megjelölést kaptak. A helyszín közelében fekszik a három űrhajós nevét viselő, nagyobb távcsövekkel látható három kráter is, amelyeket a megszokottól eltérően élő személyekről neveztek el. ...
#Neil Armstrong & #Yuri Gagarin
above: NEW! NoHigher! US president John Fitzgerald #Kennedy reported the "#Apollo" lunar landing program. Left back: vice president Lindon B. #Johnson
En. text: John Fitzgerald Kennedy (May 29, 1917 – November 22, 1963), commonly referred to by his initials JFK, was an American politician who served as the 35th President of the United States from January 1961 until his assassination in November 1963. He served at the height of the Cold War, and the majority of his presidency dealt with managing relations with the Soviet Union. As a member of the Democratic Party, Kennedy represented the state of Massachusetts in the United States House of Representatives and the U.S. Senate prior to becoming president. ... https://en.wikipedia.org/wiki/John_F._Kennedy
Hu. text: John Fitzgerald Kennedy (Brookline, Massachusetts, USA, 1917. május 29. – Dallas, Texas, USA, 1963. november 22.) az Amerikai Egyesült Államok 35. elnöke 1961 és 1963 között, amikor is november 22-én merénylet áldozata lett. Ő volt az egyetlen római katolikus vallású elnök az USA-ban. ...
above: NEW! NoHigher! Houbolt NASA image
above: NEW! NoHigher! Les scientifiques de la NASA en 1960 (les ordinateurs sont absents) source: PPS
above: new!! HiRes! below four pics: also new!! upper left: HiRes!
http://index.hu/tudomany/2015/02/10/kiallitjak_a_holdra_szallas_kamerajat/
above: NEW! MedRes! Apollo-11's Crew: Collins, Armstrong, Aldrin source: gettyimages/24.hu
http://index.hu/tudomany/2015/02/10/kiallitjak_a_holdra_szallas_kamerajat/
above: NEW! MedRes! Apollo-11's Crew: Collins, Armstrong, Aldrin source: gettyimages/24.hu
Hu. text article by: 24.hu; Békével mentek, az egész emberiség nevében:
Mr. Lugosi Péter újságíró. 2019. 07. 20. 08:11
John F. Kennedy 1961. május 25-én merész célt tűzött ki az Egyesült Államok elé: az évtized végére amerikai űrhajóst kellett juttatni a holdra. 50 éve, 1969. július 20-án aztán a NASA űrhajósai elsőként szálltak le az égitesten.
1969. július 16-án egy Saturn V rakéta segítségével indult útjára az Apollo-11 a floridai Kennedy Űrközpontról. Az űrhajóban három asztronauta, Neil Armstrong parancsnok, Michael Collins pilóta és Edwin „Buzz” Aldrin holdkomppilóta ültek. Az első színes tévéadást július 17-én sugározták Armstrongék a Columbia névre keresztelt parancsnoki modulból. Az elkövetkező napokban több fontos művelet következett, míg végül július 20-án Armstrong és Aldrin fel nem készült a történelmi landolásra. A két űrhajós belépett az Eagle (Sas) holdmodulba, míg Collins a Columbiában maradt. Collins sosem érte el a hold felszínét, az ő feladata az volt, hogy felszedje a később visszatérő társait. ...
Armstrong és Aldrin összesen 21 órát és 36 percet töltöttek el a holdon, ezen idő alatt felbecsülhetetlen értékű tudományos adatokat sikerült összegyűjteniük. Hétórányi pihenés után felszálltak, hogy megejtsék a randevút a Columbiával, ami 128 órával és 3 perccel a misszió startja után meg is történt. 44 órával később a Columbia megkezdte a leereszkedést a földre. ...
Az Apollo-11 küldetése a tervezetthez képest 36 perccel tovább, 195 óráig és 13 percig tartott. A legénység július 24-én tért haza bolygónkra, a csapat a Csendes-óceánban landolt. ... https://24.hu/tudomany/2019/07/20/holdra-szallas-neil-armstrong-buzz-aldrin-michael-collins/


above: NEW! MedRes! "Apollonia" artisty painting
Hu. text: Az Apollo-program 17 legpokolibb másodperce Ötven éve történt az USA űrprogramjának első sokkoló tragédiája
above: NEW! MedRes! Apollo-1 1967. január 27. Gus, White, Chaffee source: facebook - index
NEW! above & below: NoHigher!
NEW! Hu. text article by: index.hu NAK: 2017.01.26. 22:49 Az Apollo-program 17 legpokolibb másodperce; Ötven éve történt az USA űrprogramjának első sokkoló tragédiája:
author: Mr. Nagy Attila Károly 2017.01.26. 22:49
az Apollo-program első emberes próbarepülésére készülve, egy hónappal a tervezett start előtt, egy gyakorlat során tűz ütött ki az Apollo–1 parancsnoki moduljában. Virgil „Gus” Grissom parancsnok, Edward H. White és Roger B. Chaffee pilóták, akiknek az Apollo űrhajó kipróbálása lett volna a feladatuk Föld körüli pályán, hősi halált haltak a tűzvész következtében. A tragédia megroppantotta az Apollo-programot.
1967. A Szovjetunió és az Egyesült Államok közti űrversenyben az utóbbi épp kezdett lendületet venni, a NASA túl volt már egy hosszú rakétateszt-sorozaton, magabiztosan és öles léptekkel haladtak a Kennedy elnök által kijelölt úton, hogy még az évtized vége előtt amerikai űrhajós léphessen a Holdra. Már az is többé-kevésbé eldöntött kérdés volt, hogy a tapasztalt Mercury-űrhajós, Gus Grissom teheti meg az űrversenyt lezáró történelmi lépést. ... https://index.hu/tudomany/2017/01/26/apollo1_tragedia_nasa_50_evfordulo/
Hu. text: Ötven évvel ezelőtt, 1967. január 27-én történt az űrkutatás történetének első nagy tragédiája: az Apollo-program első emberes próbarepülésére készülve, egy hónappal a tervezett start előtt, egy gyakorlat során tűz ütött ki az Apollo–1 parancsnoki moduljában. Virgil „Gus” Grissom parancsnok, Edward H. White és Roger B. Chaffee pilóták, akiknek az Apollo űrhajó kipróbálása lett volna a feladatuk Föld körüli pályán, hősi halált haltak a tűzvész következtében. A tragédia megroppantotta az Apollo-programot. ... source: www.index.hu
above: NEW! NoHigher! Apollo's spacecrafts
above: NEW! HiRes! (Edited!) Saturn-V rocket propulsion main lift-off engine
above: NEW! NoHigher! V4 'Redstone' rocket engine foros threads cutaways cortes source: www.zona-militar.com (Argentina)

above three: New Pics! 'Saturn'-V rocket - Launch Vehicle and propulsion engine.
Hu. text: 1.) Viccelődhetnénk azzal, hogy Elon Musk emelte azóta a tétet,
hogy az első helyezett hirdetés lement egy Super Bowl-szünetben, de nem
tesszük, mert akkor almát hasonlítanánk össze körtével. Ez az Audi
reklám a Napi Hökkentő valaha volt kedvence a műfajban. Másfél perc
érzelem, történet, katarzis, na és persze David Bowie. Hogy lehetne ezt
fokozni?
5 felejthetetlen reklámfilm, amelyekről ma sem kapcsolnánk el ...
ngjbp 2018. február 25., vasárnap 16:06 : https://index.hu/i2/#bloghu/napihokkento/2018/02/25/5_felejthetetlen_reklamfilm
Audi R8 Big Game Commercial – Commander – Extended Cut
Auto-Union Type-C: http://szextant.blogspot.hu/2014/05/85-auto-union-c-silver-arrow-berndt.html
above: NEW! HiRes! Apollo-11 launch on Cape Canaveral USAF Station
above: NEW! NoHigher! Juci'bácsi's collect: painting Apollo-11 launch of the 'Saturn V5' rocket scale 1:144 from Swedish text model English catalogue AIRFIX-1978.
above: NEW! NoHigher! (Cropped!) NASA's "Galaxy" 2017 red vine - vörösbora source: tumblr.com/mellbimbo.eu
above: NEW! MedRes! NASA's Saturn V rakétái - rockets source: index.hu
above & below: NEW! HiRes! (Rotated!) Saturn-V cutaway & Soviet moon plan source: space.com
above: NEW! NoHigher! Apollo-11 LM source: facebook/Angyal László-album: Terre des Hommes
above: NEW! NoHigher! 'Grumman' Aerospace Lunar Module diagram
above: NEW! HiRes! (Crop!) Apollo-11 LM - Lunar Module "Eagle" in landing configuration in lunar orbit from the CSM - Command and Service Module "Columbia"
above: NEW! HiRes! Apollo-14s cmdr. Alan Shepard, az Apollo-14 parancsnoka photo: NASA
Hu. text article by: index.hu - Ma is tanultam valamit: Mr. Nagy Attila Károly 2018.05.05.
Vörös csík van az űrruháján? Ő a főnök!
Aki szabadidejét valami perverz oknál fogva azzal tölti, hogy az Apollo-küldetések fotóit nézegeti a NASA archívumaiban, az bizonyára észrevett egy érdekes apróságot: az Apollo-14-től kezdve a Holdon tevékenykedő két űrhajós közül az egyik szkafanderén és sisakján élénkpiros csíkokat lehet látni. Felmerülhet a kérdés, hogy mi az oka, hogy megjelent ez a kétségkívül irtó menő jelölés a Holdat megjárt űrhajósok ruháján?
A válasz nem túl bonyolult, és ha hinni lehet a NASA történeti forrásainak, kivételesen nem a mérnököknek, hanem a píárosoknak köszönhetjük ezt a ruházati kiegészítőt. A történet ott kezdődött, hogy miután az Apollo-11 űrhajósai – Neil Armstrong, Buzz Aldrin és Mike Collins – visszatértek a Földre, a NASA Public Affairs, azaz közügyekkel foglalkozó irodájának illetékesei elég gyorsan szembesültek a világ minden tájáról érkező sajtómegkeresések tömkelegével. A sajtó követelte a jó minőségű képeket a Holdon dolgozó űrhajósokról, leginkább az első emberről, aki a Holdra tette lábát, ezért elég komoly nyomás nehezedett PA dolgozóira.
Az első Hold-küldetés során készült fotók és filmek tüzetes átvizsgálása során jött a sokk: alig van használható fotó Neil Armostrongról, az első emberről a Holdon. A holdsétákra csak egy Hasselblad középformátumú kamerát vittek magukkal, és azzal főleg Armstrong fényképezett, így a fotók zömén Buzz Aldrin látható munka közben. A kétségbeesett keresgélés során a píárosok már odáig jutottak, hogy bármilyen fotó jól jött volna, amin valamennyire látszik Armstrong. ... https://index.hu/tudomany/til/2018/05/05/voros_csik_van_az_urruhajan_o_a_fonok/
above: NEW! MedRes! 1972. április 21. Az Apollo-16 holdküldetés parancsnoka szökellve szalutál a Holdon (Charles M. Duke Jr./NASA) Commander salutes on Her suit was Red-stripes.
above:NEW! MedRes! Landing secon. Paint of Paul Fjeld festménye Fotó: Paul Fjeld / NASA - index.hu/Nagy Attila Károly
NEW! above: HiRes! Hu. text: Slayton, Brand és Stafford a NASA houstoni kiképzőközpontjában, 1975. február 25-én Fotó: NASA source: index.hu/NAK below: NoHigher! Same as: Star photo
Hu. text. article: Kis híján tragédiával végződött az Apollo-program:
by: Ma is tanultam valamit author: Mr. Nagy Attila Károly 2020.07.19. 07:00
Öt évtized távlatából már eléggé magabiztosan ki lehet jelenteni, hogy az embert a Holdra juttató Apollo-program az Egyesült Államok, illetve a NASA hatalmas sikere volt, aminek jelentőségét és eredményeit botorság megkérdőjelezni. Azt viszont ugyanígy nem szabad elhallgatni, hogy a program tragédiával indult, és amiről igazán keveset hallani: hajszál híján tragédiával zárult. Az amerikai űrprogram máig gyászolja az Apollo-1 három tűzhalált halt űrhajósát, és jószerével csak Tom Stafford, az Apollo-Szojuz projekt parancsnokának lélekjelenlétének köszönhető, hogy Vance Brand és Deke Slayton, valamint ő neve nincs rajta a NASA hősi halottainak sajnos így is túl hosszú listáján. ...
NEW! MedRes! Hu. text: above: Stafford és Brand az ASTP küldetés alatt below: Az ASTP parancsnoki modulja a Csendes-óceánon, visszatérés után Fotó: NASA source: index.hu/NAK
NEW! above: MedRes! Return CM before ditching below: HiRes! Succesful ditching on Pacific ocean - Sikeres vízreszállás a Csendes-óceánon "Csobbant!" source: facebook/Andrew
above: During the pick-up operation with NAVY Sikorsky H-3 'Sea King' and CV/LHDD ?
NEW! above: MedRes! (Lightened!) source: mellbimbo.eu below: NoHigher! source: index.hu Hu. text: Az Apollo-Szojuz projekt parancsnoki modulja (CM-111) a Los Angeles-i California Science Centerben Fotó: Mr. Nagy Attila Károly / Index source: index.hu
Hu. text: 2019-ben ünnepli majd az emberiség a
technológiai fejlődésének csúcsának, az Apollo-11 küldetésnek, a
Holdraszállásnak ötvenedik évfordulóját. Annak, hogy Neil Armstrong az
első emberként 1969. július 20-án a Holdra léphetett, hosszú története
van, telis-tele rengeteg izgalmas, drámai, olykor tréfás részlettel. ...
above: NEW! MedRes! Hu. text: Neil Armstrong szállóigéje Kép: NASA
above: NEW! NoHigher! below: MedRes! Hu. text: A holdfelszín érintését jelző lámpa a műszerfal sematikus rajzán: Balra fölül, a "LUNAR CONTACT" felirat alatt helyezkedett el a lámpa Fotó: Manned Spacecraft Center / NASA
above: NEW! MedRes! Hu. text: A bal oldali ábra mutatja a szenzor helyzetét csukott illetve nyitott állapotban Fotó: Manned Spacecraft Center / NASA/Ma is tanultam valamit/index.hu
above: NEW! MedRes! Hu. text: A holdkomp lába a fölmeredő szenzorpálcával: Fotó: Neil Armstrong / NASA
https://index.hu/tudomany/til/ "Ma is tanultam valamit."
above: NEW! NoHigher! Apollo Interior of the 'Grumman' Lunar Landing Module
above: NEW! NoHigher! Apollo-Lunar Module model. source: SUBSIM Radio Room Forums
Meghalt John Young, a NASA legjobb pilótája
Pándi Balázs: Index.hu: 2018.01.07.: Hu. text article: Pénteken, 87 évesen meghalt John Young, a NASA egyik legtapasztaltabb pilótája.
A NASA közleményben búcsúzott Youngtól, akire az űrhajózás bátor úttörőjeként hivatkoznak, akinek a bátorsága alapozta meg az amerikai űrrepülés sikereit. Nyugdíjazásáig hatszor járt az űrben, és ő volt a kilencedik ember, aki a Holdon járt.
A NASA közleményben búcsúzott Youngtól, akire az űrhajózás bátor úttörőjeként hivatkoznak, akinek a bátorsága alapozta meg az amerikai űrrepülés sikereit. Nyugdíjazásáig hatszor járt az űrben, és ő volt a kilencedik ember, aki a Holdon járt.
above: NEW! HiRes! In Memoriam John Young, Hu. text: az Apollo 16 parancsnoka szakafanderpróba közben * R.I.P. - Rest In Peace - Nyugodjék Békében photo - Fotó: NASA
source: https://index.hu/tudomany/2018/01/06/meghalt_john_young_a_nasa_legjobb_pilotaja/
above: NEW! NoHigher! Hu. text: John Young, az Apollo 16 parancsnoka szakafanderpróba közben Fotó: NASA
Hu. text: Young visszavonulásáig hatszor volt az űrben, részt vett az Apollo-
és Gemini-programokban is, és részt vett a Columbia űrrepülőgép első
repülésén is Robert Crippennel. Utóbbi két program azért is fontos, mert
ezek első repülések voltak, magas kockázattal. A NASA közleménye szerint Young kitartása, tehetsége és rátermettsége az űrhajósok űrhajósává emelte ki.
above: NEW! NoHigher! Apollo X. badge
above: NEW! NoHigher! Her Girlfriend in #Moon-Bar with upper magnificited '#Campari' "#Apollonia" glass cone cup by artist, Russian: #Tatiana Doronina
Tatiana (Tatyana) Vasilyevna Doronina (Russian: Татьяна Васильевна Доронина; born 12 September 1933. Leningrad/St. Petersburg) is a popular Soviet/Russian actress who has performed in movies and the theater. She is generally regarded as one of the most talented actresses of her generation and was named a People's Artist of the USSR in 1981. ... https://en.wikipedia.org/wiki/Tatiana_Doronina
Татья́на Васи́льевна Доро́нина (род. 12 сентября 1933, Ленинград) — советская и российская актриса театра и кино, театральный режиссёр. Народная артистка СССР (1981). Художественный руководитель-директор Московского Художественного академического театра им. М. Горького с 1987 по 2018 годы. С 4 декабря 2018 года — президент театра. Полный кавалер ордена «За заслуги перед Отечеством».
Была трижды признана читателями журнала «Советский экран» лучшей актрисой года (1967, 1968 и 1973). ...
above: NEW! MedRes! Star Trek's girls
NEW! above: Command Module in workpool below: 'Saturn' V V. source: 'Smithsonian'
above: NEW! HiRes! Saturn-V 'Apollo-12' mission - 1969. november 14. Az Apollo-12 startja.
Fotó: NASA
Hu. text. article - cikk: Egyetlen kapcsoló mentette meg a második holdraszállást:
Nagy Attila Károly 2018.04.05. 09:25: 'Ma is tanultam valamit' Blog. ...
Az amerikai Hold-program, az Apollo-küldetések történelmi sora a hangos sikerek mellett bővelkedett jól és kevéssé ismert izgalmakban is. Legismertebb ezek közül természetesen az Apollo–13 sikeres kudarca, a három bajba jutott asztronauta Hollywoodot is megihlető hazahozatala, amit azonban megelőzött az Apollo–12 csaknem katasztrófába torkolló startja. ...
above: NEW! HiRes! Am. supermodel, #Emily#Ratajkowsky on #NASA #rocket source: pinterest
Emily O'Hara Ratajkowski (/ˌrætəˈkaʊski/, Polish: [ratajˈkɔfskʲi]; born June 7, 1991. -age 29 Westminster, London, England) is an American model and actress. Born in London and raised in San Diego, Ratajkowski first appeared on the cover of the March 2012 issue of the erotic magazine treats!, which led to her appearing in two music videos – Robin Thicke’s "Blurred Lines" (the number-one song of 2013 in several countries) and Maroon 5's "Love Somebody". Ratajkowski appeared in the 2014 and 2015 Sports Illustrated swimsuit issues. She made her professional runway modeling debut for Marc Jacobs at New York Fashion Week in 2015 and has since walked on the Paris Fashion Week runway for Miu Miu and Milan Fashion Week for Bottega Veneta, Dolce & Gabbana and Versace. Ratajkowski appeared in a Buick Super Bowl commercial during Super Bowl 50. She has become the spokesperson for brands such as DKNY, The Frye Company, Kerastase, Paco Rabanne and DL1961. ... https://en.wikipedia.org/wiki/Emily_Ratajkowski
above: NEW! HiRes! Apollo-12_Pedig Pete Conrad, Dick Gordon and Alan Bean source: Getty Images/index.hu
above: NEW! MedRes! Apollo-12 Command Modul instrument panel - Ott jobbra alul, az SCE kapcsoló Kép: Project Apollo/ source: Blog/facebook
above: NEW! NoHigher! command module 1/12 PaperModelers.com source: Pinterest.com
above: NEW! MedRes! Apollo-12 Az SCE kis doboza a parancsnoki modul egyéb rendszerei közt Kép: Project Apollo / Facebook
above & below: new! Hungarian made fly-wheel thin toy. Right: HiRes! Juci'bacsi's Nikon photo aug. of 2014.: Budapest I. ker. Viziváros" Fő-u. Ponty-u. sarok retro toy-shop. www.retronom.hu
above: NEW! NoHigher! Vintage Retro Moon Graphic Artwork: female Golem
above: NEW! NoHigher! She was the receptionist on the Moon with a "Apollo CM" shape glass of Campari: french star actress #Eva Green
Eva Gaëlle Green (French: [ɡʁin]; Swedish: [ˈɡɾeːn]; born 6 July 1980) is a French actress and model. She started her career in theatre before making her film debut in 2003 in Bernardo Bertolucci's film The Dreamers. She achieved international recognition when she appeared as Sibylla, Queen of Jerusalem in Ridley Scott's historical epic Kingdom of Heaven (2005), and portrayed Bond girlVesper Lynd in the James Bond film Casino Royale (2006). In 2006, Green was awarded the BAFTA Rising Star Award.Since 2006, Green has starred in independent films Cracks (2009), Womb (2010), and Perfect Sense (2011). She has also appeared in the television series Camelot (2011), and played Angelique Bouchard in Tim Burton's big-screen adaptation of Dark Shadows (2012). In 2014, she played Artemisia in the 300 sequel, 300: Rise of an Empire, and Ava Lord in Frank Miller's and Robert Rodriguez's Sin City sequel, Sin City: A Dame to Kill For. She also starred as Vanessa Ives in Showtime's horror drama Penny Dreadful. Her performance in the series earned her a nomination for Best Actress in a Television Series – Drama at the 73rd Golden Globe Awards. In 2016, she played the titular character in Tim Burton's fantasy film Miss Peregrine's Home for Peculiar Children. ... https://en.wikipedia.org/wiki/Eva_Green
Fr. text: Eva Green [ˈgʁeːn] Écoutern 1 est une actrice française, née le 6 juillet 1980 à Paris.
Elle fait ses débuts au théâtre au début des années 2000 et décroche une nomination aux Molières. Elle se fait remarquer en 2003 dans le film de Bernardo Bertolucci, Innocents: The Dreamers.
Lauréate d'un Rising Star Award en 2006, elle alterne par la suite superproductions, telles que Casino Royale — où elle interprète la James Bond girl Vesper Lynd — Kingdom of Heaven ou 300 : La Naissance d'un empire, et films indépendants comme Cracks, Womb, Dark World, White Bird ou encore Perfect Sense avec comme partenaire à l'écran Ewan McGregor.
Elle a également joué dans la série Penny Dreadful de 2014 jusqu'à la fin de celle-ci en 2016, qui lui vaut l'acclamation des critiques et une vague de récompenses et nominations.
Nouvelle muse du réalisateur Tim Burton, elle a tourné à trois reprises sous sa direction : Dark Shadows (2012), Miss Peregrine et les Enfants particuliers (2016) et dans l'adaptation en prises de vues réelles du classique Disney, Dumbo (2019). ...
above: NEW! MedRes! 1. Full: Buzz Aldrin poses on the Moon, allowing Neil Armstrong to photograph both of them using the visor's reflection. - Buzz Aldrin is a Holdon pózol. photo - Fotó: Neil Armstrong / NASA source: Wikipedia
above: NEW! MedRes! From left to right: Charlie Duke (Apollo 16), Buzz Aldrin (Apollo 11), Walter Cunningham (Apollo 7), Al Worden (Apollo 15), Rusty Schweickart (Apollo 9), Harrison Schmitt (Apollo 17), Michael Collins (Apollo 11) and Fred Haise (Apollo 13). Felix Kunze/The Explorers Club .
Eight astronauts from various Apollo missions gathered together in March to celebrate the 50th anniversary of the first manned moon landing, which took place July 20, 1969.
8 of the surviving Apollo astronauts got together for the 50th anniversary of the moon landing, and Buzz Aldrin's outfit stole the show:
above: NEW! NoHigher! Hu. text: Az - The Apollo-11 űrhajósait New York ünnepli a "Canyon of the Heroes" of the Broadway-en a "Hősök Kanyonján", 1969. augusztus 13-án. photo: NASA source: index.hu
above: NEW! NoHigher! Vintage Advert of 'Smirnoff' Vodka
above: NEW! NoHigher! (Edit & Crop!) Anniversary Pocket Watch source: MTI/index
Hu. text article: Joób Sándor: index.hu: Ha nem tudja hova tenni a pénzét, vegyen régi vagy új órát. Az 1969-es amerikai holdra szállás emlékére George Daniels angol órásmester 1982-ben készítette el a The Space Traveller I. (Űrutazó I.) nevű egyedi órát, amit július 2-án a Sotheby’s aukciós ház bocsájt árverésre. Az óra leütési árát 700 ezer és 1 millió font (249-356 millió forint) közé várják. Fotó: Matt Dunham https://index.hu/mindekozben/poszt/2019/06/28/mti_sotheby_s_oraarveres/
above: NEW! HiRes! (Cropped & Edited & Rotated due max. 1600px!) Costs of 'Apollo' programme Infographics - Adatvizualizáció by: Hu. Mr. Szémann Tamás index.hu
Hu. text article by: index.hu 20.07.2019.: 4. Pénz, pénz, pénz
Szinte az összes űrkutatási szakember egyetért abban, hogy elsősorban nem tudományos vagy technológiai akadályai vannak a Holdra való visszatérének, hanem az imént említett politikai és azzal szoros összefüggésben lévő pénzügyi kérdések jelentik a fő buktatót. Ez annyira meghatározó tényező, hogy maga az Apollo-program is úgy ért véget, hogy a büdzsé visszavágása miatt előbb az Apollo–20, majd az Apollo–19 és az Apollo–18 küldetéseket is törölték, és kis híján erre a sorsra jutott a 17 és 16 is (ha Nixon elnökön múlt volna, az Apollo–15 lett volna az utolsó holdküldetés). Hogy mennyire volt drága 18 embert elvinni a Holdig, közülük egy tucatot (meg három holdautót) le is tenni a felszínre, aztán hazahozni, nehéz a szupermarketes bevásárlásokon edződött hétköznapi gazdasági gondolkodásmóddal átlátni. Azért, hogy lássuk, miképp viszonyul az Apollo-program költsége más nagy és drága projektekhez, elkészítettük a fenti infografikát hat témakörre bontva: energetikai, infrastrukturális, katasztrófákkal kapcsolatos, űrkutatási (ezt kicsit bővebben részletezve), gazdasági és hadiipari projektekkel vetettük össze a holdra szállások összköltségét. ...
NEW! HiRes! (Delivered & Reduced size!) Rockets of the World source: mellbimbo.eu
above: NEW! MedRes! Apollo 'Saturn V' Exterior & Interior source: Pdf.


HiRes! above: Left: Apollo Launch Configuration for Lunar Landingt Mission Right: NEW! Hu. text: Saturn-V hordozórakéta röntgenvázlata source: Tudomány és Technika
above: NEW! MedRes! Apollonias with 'Saturn V' scale ~1/48 model source: Pinterest.com
above: NEW! HiRes! Apollo-11 Saturn-V lifting off on July 16, 1969. on Cape Canaveral
A Saturn V launches Apollo 11 in 1969. The Apollo 11 Saturn V space vehicle lifted off with Astronauts Neil A. Armstrong, Michael Collins and Edwin E. Aldrin Jr. at 9:32 a.m. EDT July 16, 1969, from Kennedy Space Center's Launch Complex 39A. source: Wikipedia

above & below Four: NEW! HiRes! (Sequenced Divided for parts!) Saturn V blasted cutaway graphics

above Six: NEW! HiRes! Blasted Cutaway graphics for Children
above: NEW! NoHigher! Apollo complex below: HiRes! Drawings

MedRes! above: NEW! CM Stabilization & Control System below: Fr. text Cutaway Draw key

above: new!! HiRes! Apollo CM spacecraft cutaway drawing below: NEW! NoHigher! Seats
above: NEW! MedRes! Russian cyrillic texted Command Modul cutaway

above & below Two: NEW! NoHigher! Command Module - Parancsnoki kabin-modul
above: new! Juci'bacsi's repro slide collection's scanned mix. HiRes! copy by: Juci'bácsi
above: NEW! MedRes! Command Module (CM) 3 crew reentry and operations module.
above: new! NoHigher! 'Apollo'-9
En. text: The Command/Service Module (CSM) was one of two spacecraft, along with the Lunar Module, used for theUnited States Apollo program which landed astronauts on the Moon. It was built for NASA by North American Aviation. It was launched by itself on three suborbital and low Earth orbit Apollo test missions using the Saturn IBlaunch vehicle. It was also launched twelve times on the larger Saturn V launch vehicle, both by itself and with the Lunar Module. It made a total of nine manned flights to the Moon aboard the Saturn V.After the Apollo lunar program, the CSM saw manned service as a crew shuttle for the Skylab program, and theApollo-Soyuz Test Project in which an American crew rendezvoused and docked with a Soviet Soyuz spacecraftin Earth orbit.
The CSM consisted of two segments: the Command Module, a cabin that housed a crew of three and equipment needed for re-entry and splashdown; and a Service Module that provided propulsion, electrical power and storage for various consumables required during a mission. The Service Module was cast off and allowed to burn up in the atmosphere before the Command Module re-entered and brought the crew home.
The CSM was initially designed to return all three astronauts from the lunar surface on a direct-descent mission which would not use a separate Lunar Module, and thus had no provisions for docking with another spacecraft. This, plus other required design changes led to the decision to design two versions of the CSM: Block I was to be used for unmanned missions and a single manned Earth orbit flight (Apollo 1), while the more advancedBlock II was designed for use with the Lunar Module. The Apollo 1 flight was cancelled after a cabin fire killed the entire crew and destroyed the Command Module during a launch rehearsal test. Corrections of the problems which caused the fire were applied to the Block II spacecraft, which was used for all manned missions.
Hu. text: Az űrhajó központi egysége a parancsnoki egység (Command Module – CM), amely megjelenését tekintve egy csonka kúp alakú űrkabin volt, belül pedig magában foglalta az Apollo űrhajórendszer repülésirányító rendszereit, valamint a három űrhajóst befogadó életteret a megfelelő életfenntartó rendszerekkel. A kabinban 3, az űrhajósok méretére készített ülés volt, szemben a műszerfallal, amely mögé építették az elektromos rendszer akkumulátorait, a kommunikációs rendszert és az életfenntartó rendszert . A parancsnoki kabinba építették még az űrhajó irányítórendszerét (kormányrendszerét) is, amely egy optikai egységből (az űrhajónak a csillagokhoz képesti helyzetének meghatározására szolgáló kalibrációs távcsőből) és egy elektromos rendszerből állt (amely a kormányparancsokat közvetítette a megfelelő kormányfúvókákhoz). Az űrhajó fenekére szerelték fel a szenes fenolgyantából felépítetthőpajzsot, amely a légköri visszatéréskor védte meg az űrhajót a körülötte plazmává forrósodó levegő hőhatásaitól. A kabin palástján helyezték el a robbanózsinórral lerobbantható biztonsági kabinajtót, amely a ki- és beszálláson kívül funkciót is betöltött, valamint az utolsó három holdra szálláskor a műszaki egységbe épített műszerek adatrögzítő szalagjainak visszahozatalára szolgáló űrsétaajtóként is funkcionált. A kúp alak csúcsában helyezték el a tervezők a holdkomppal (illetve később a Skylab űrállomással, valamint a dokkolómodulhoz) történő összekapcsolódásra szolgáló dokkolószerkezetet, a három egységből álló ejtőernyőrendszert és a leszálláskor használt helyzetszabályzó hajtóműveket.
Műszaki adatok:
Legénység: 3 fő
Hermetikus térfogat: 6,17 m³
Hossz: 3,47 m
Átmérő: 3,90 m
Tömeg: 5.806 kg
Üres =(szerkezeti) tömeg: 1.567 kg
Helyzetszabályzó rendszer tolóereje: 12 x 420 N
Helyzetszabályzó rendszer hajtóanyag: N2O4/UDMH (nitrogén-tetroxid/aszimmetrikus dimetilhidrazin)
above: NEW! HiRes! Apollo-11 CM "Columbia" on display in the Milestones of Flight exhibition hall at the 'Smithsonian' National Air and Space Museum in Washington D.C. source: Wikipedia
above: new!! HiresBig! NASM - National Air and Space Museum 'Smithsonian': Apollo-11 Command Module. below: new!! MedRes! The hatch.

above: NEW! MedRes! Apollo-11 Command Module door/hatch photo: Leslie Angyal László "Aviator" Washington D.C. 'Smithsonian' Space & Aviation Museum. source: facebook Angyal László
Acf. door: http://szextant.blogspot.hu/2016/07/184-gepajtok-aircrafts-doors-airliners.html
above: NEW! NoHigher! Apollo 10 command module interior photo: science museum opens to visitors
above: NEW! HiRes! AS-204 the Block I hatch, as used on Apollo 1, consisted of two pieces, and required pressure inside the cabin be no greater than atmospheric in order to open. A third outer layer, the boost protective hatch cover, is not shown. source: Wikipedia
Portrait of the Apollo 1 prime crew for first manned Apollo space flight. From left to right are: Edward H. White II, Virgil I. "Gus" Grissom, and Roger B. Chaffee. On January 27, 1967 at 5:31 p.m. CST (6:31 local time) during a routine simulated launch test onboard the Apollo Saturn V Moon rocket, an electrical short circuit inside the Apollo Command Module ignited the pure oxygen environment and within a matter of seconds all three Apollo 1 crewmembers perished. source: Wikipedia
18+above: NEW+! NoHigher! Apollo CM shaped Tumbler glass source: facebook
above: NEW! NoHigher! Apollo 10 command module interior photo: science museum opens to visitors
above: NEW! HiRes! AS-204 the Block I hatch, as used on Apollo 1, consisted of two pieces, and required pressure inside the cabin be no greater than atmospheric in order to open. A third outer layer, the boost protective hatch cover, is not shown. source: Wikipedia
above: NEW! HiRes! Apollo 1 hatch on display at the Kennedy Space Center Apollo Saturn V complex. source: Wikipedia
above: NEW! NoHigher! Apollo 1 crew: Ed White, command pilot Gus Grissom, and Roger ChaffeePortrait of the Apollo 1 prime crew for first manned Apollo space flight. From left to right are: Edward H. White II, Virgil I. "Gus" Grissom, and Roger B. Chaffee. On January 27, 1967 at 5:31 p.m. CST (6:31 local time) during a routine simulated launch test onboard the Apollo Saturn V Moon rocket, an electrical short circuit inside the Apollo Command Module ignited the pure oxygen environment and within a matter of seconds all three Apollo 1 crewmembers perished. source: Wikipedia
above: NEW! HiRes! Official portrait of prime and backup crews for AS-204, as of April 1, 1966. The backup crew (standing) of McDivitt (center), Scott (left) and Schweickart were replaced by Schirra, Eisele and Cunningham in December 1966. Apollo 1 prime and backup crews. Seated is the prime crew (left to right) Edward H. White II, Virgil I. Grissom, and Roger B. Chaffee. Standing is the backup crew (left to right) David R. Scott, James A. McDivitt, and Russell L. Schweickart. source: Wikipedia
above: NEW! HiRes! (Cropped!) Astronauts (left to right) Gus Grissom, Ed White, and Roger Chaffee, pose in front of Launch Complex 34 which is housing their Saturn 1 launch vehicle. The astronauts died ten days later in a fire on the launch pad. source: Wikipedia
above: NEW! MedRes! Apollo-1 crew practice lifeboat operation - Houston, Ellington Air Force Base, 1966. June - Apollo-1 legénysége gyakorolja a mentőcsónak használatát-Houston, Ellington Air Force Base,1966. június source: https://ritkanlathatotortenelem.blog.hu/index.hu
above: NEW! HiRes! The Apollo 1 crewmen enter their spacecraft in the altitude chamber at Kennedy Space Center, October 18, 1966. source: Wikipedia
The Apollo 1 prime crewmembers for the first manned Apollo Mission (204) prepare to enter their spacecraft inside the altitude chamber at the Kennedy Space Center (KSC). Entering the hatch is astronaut Virgil I. Grissom, command pilot; behind him is astronaut Roger B. Chaffee, pilot; standing at the left with chamber technicians is astronaut Edward H. White II, senior pilot.
above: NEW! NoHigher! Chaffee, White, and Grissom training in a simulator of their command module cabin, January 19, 1967. source: Wikipedia
En. text: Apollo 1, initially designated AS-204, was the first crewed mission of the United States Apollo program, the project to land the first men on the Moon. Planned as the first low Earth orbital test of the Apollo command and service module, to launch on February 21, 1967, the mission never flew; a cabin fire during a launch rehearsal test at Cape Kennedy Air Force Station Launch Complex 34 on January 27 killed all three crew members—Command Pilot Virgil I. "Gus" Grissom, Senior Pilot Ed White, and Pilot Roger B. Chaffee—and destroyed the command module (CM). The name Apollo 1, chosen by the crew, was made official by NASA in their honor after the fire.
Immediately after the fire, NASA convened the Apollo 204 Accident Review Board to determine the cause of the fire, and both houses of the United States Congress conducted their own committee inquiries to oversee NASA's investigation. The ignition source of the fire was determined to be electrical, and the fire spread rapidly due to combustible nylon material, and the high pressure, pure oxygen cabin atmosphere. Rescue was prevented by the plug door hatch, which could not be opened against the internal pressure of the cabin. Because the rocket was unfueled, the test had not been considered hazardous, and emergency preparedness for it was poor.
During the Congressional investigation, Senator Walter Mondale publicly revealed a NASA internal document citing problems with prime Apollo contractor North American Aviation, which became known as the "Phillips Report". This disclosure embarrassed NASA Administrator James E. Webb, who was unaware of the document's existence, and attracted controversy to the Apollo program. Despite congressional displeasure at NASA's lack of openness, both congressional committees ruled that the issues raised in the report had no bearing on the accident.
Manned Apollo flights were suspended for 20 months while the command module's hazards were addressed. However, the development and uncrewed testing of the lunar module (LM) and Saturn V Moon rocket continued. The Saturn IB launch vehicle for Apollo 1, SA-204, was used for the first LM test flight, Apollo 5. The first successful crewed Apollo mission was flown by Apollo 1's backup crew on Apollo 7 in October 1968.
Fire:
The crew members were using the time to run through their checklist again, when a momentary increase in AC Bus 2 voltage occurred. Nine seconds later (at 6:31:04.7), one of the astronauts (some listeners and laboratory analysis indicate Grissom) exclaimed "Hey!", "Fire!",:5–8 or "Flame!"; this was followed by two seconds of scuffling sounds through Grissom's open microphone. This was immediately followed at 6:31:06.2 (23:31:06.2 GMT) by someone (believed by most listeners, and supported by laboratory analysis, to be Chaffee) saying, "[I've, or We've] got a fire in the cockpit." After 6.8 seconds of silence, a second, badly garbled transmission occurred, interpreted by various listeners as:
"They're fighting a bad fire—Let's get out ....Open 'er up"
"We've got a bad fire—Let's get out ....We're burning up", or
"I'm reporting a bad fire ....I'm getting out ....".
This transmission lasted 5.0 seconds and ended with a cry of pain.:5–8,5–9
Some blockhouse witnesses said that they saw White on the television monitors, reaching for the inner hatch release handle as flames in the cabin spread from left to right.: 5–3
The intensity of the fire fed by pure oxygen caused the pressure to rise to 29 psi (200 kPa), which ruptured the command module's inner wall at 6:31:19 (23:31:19 GMT, initial phase of the fire). Flames and gases then rushed outside the command module through open access panels to two levels of the pad service structure. Intense heat, dense smoke, and ineffective gas masks designed for toxic fumes rather than heavy smoke hampered the ground crew's attempts to rescue the men. There were fears the command module had exploded, or soon would, and that the fire might ignite the solid fuel rocket in the launch escape tower above the command module, which would have likely killed nearby ground personnel, and possibly have destroyed the pad.
As the pressure was released by the cabin rupture, the convective rush of air caused the flames to spread across the cabin, beginning the second phase. The third phase began when most of the oxygen was consumed and was replaced with atmospheric air, essentially quenching the fire, but causing high concentrations of carbon monoxide and heavy smoke to fill the cabin, and large amounts of soot to be deposited on surfaces as they cooled.: 5–3,5–4
It took five minutes for the pad workers to open all three hatch layers, and they could not drop the inner hatch to the cabin floor as intended, so they pushed it out of the way to one side. Although the cabin lights remained lit, they were at first unable to find the astronauts through the dense smoke. As the smoke cleared, they found the bodies, but were not able to remove them. The fire had partly melted Grissom's and White's nylon space suits and the hoses connecting them to the life support system. Grissom had removed his restraints and was lying on the floor of the spacecraft. White's restraints were burned through, and he was found lying sideways just below the hatch. It was determined that he had tried to open the hatch per the emergency procedure, but was not able to do so against the internal pressure. Chaffee was found strapped into his right-hand seat, as procedure called for him to maintain communication until White opened the hatch. Because of the large strands of melted nylon fusing the astronauts to the cabin interior, removing the bodies took nearly 90 minutes.
Deke Slayton was possibly the first NASA official to examine the spacecraft interior. His testimony contradicted the official report concerning the position of Grissom's body. Slayton said of Grissom and White's bodies, "It is very difficult for me to determine the exact relationships of these two bodies. They were sort of jumbled together, and I couldn't really tell which head even belonged to which body at that point. I guess the only thing that was real obvious is that both bodies were at the lower edge of the hatch. They were not in the seats. They were almost completely clear of the seat areas." ... https://en.wikipedia.org/wiki/Apollo_1
Hu. text: Az Apollo–1 lett volna az Apollo-program első repülése a világűrben emberekkel a fedélzeten, de egy végzetes baleset következtében a repülésre kijelölt űrhajósok gyakorlatozás közben meghaltak.
A baleset:
1966 végére az amerikaiak készen álltak az új űrhajó első, személyzettel végrehajtandó próbarepülésére. A legénység (Gus Grissom, Edward White és Roger Chaffee) feladata az Apollo anyaűrhajó (a CSM) kipróbálása lett volna Föld körüli pályán. 1967. január 27-én, a 34-es indítópadon álló Apollo-űrhajóban próba közben halálos baleset történt. Az Apollo-kabinban az egyszerűség és a súlymegtakarítás kedvéért 115 kilopascal nyomású tiszta oxigén légkört alkalmaztak. Grissom parancsnok széke közelében rövidzárlat keletkezett, majd gyorsan terjedő tűz ütött ki. Mint az utólagos vizsgálat kiderítette, a sok gyúlékony anyagot is tartalmazó kabinban a tűz miatt keletkező szén-monoxid okozta az űrhajósok halálát. Az égési sérüléseket az űrhajósok talán túlélhették volna. Az összeégett kabinban egyedül a papírból készült repülési dokumentáció maradt épen, csak a széle pörkölődött meg kissé. A balesetet követő vizsgálat után számos javítást és átalakítást végeztek az anyaűrhajón. A későbbiekben a kabinban a startig rendes nitrogén-oxigén légkört tartottak fenn, kiiktatták a gyúlékony anyagokat, s míg a régi ajtót csak percek alatt lehetett kinyitni, az újat már 5 másodperc alatt. Az első, emberrel végrehajtott Apollo-űrrepülés mindezek miatt másfél évet késett. … https://hu.wikipedia.org/wiki/Apollo%E2%80%931
above: NEW! NoHigher! Exterior of the command module was blackened from eruption of the fire after the cabin wall failed NASA - Great Images in NASA source: Wikipedia
This photograph shows Apollo 1's Command Module a day after the fire that took the lives of astronauts Lt. Col. Virgil "Gus" Ivan Grissom, Lt. Col. Edward Higgins White II, and Lt. Cdr. Roger Bruce Chaffee. The photograph was taken in the White Room at Launch Complex 34. The exterior effects of the intense heat of the flash fire can be seen. An investigative board was promptly set up to examine the accident and identify the cause of the fire. The final report gave the results of the investigation as well as detailed suggestions for major design and engineering modifications,revisions to test planning, manufacturing procedures, and quality control. With these adjustments, the Apollo program became safer and successfully sent astronauts to the Moon.
above: NEW! HiRes! The charred remains of the Apollo 1 cabin interior - source: Wikipedia
Officially designated Apollo/Saturn 204, but more commonly known as Apollo 1, this close-up view of the interior of the Command Module shows the effects of the intense heat of the flash fire which killed the prime crew during a routine training exercise. While strapped into their seats inside the Command Module atop the giant Saturn rocket, a wire bundle that was worn due to misplacement and a sharp-edged access door, sparked and ignited flammable material. This quickly grew into a large fire in the pure oxygen environment. The speed and intensity of the fire quickly exhausted the oxygen supply inside the crew cabin. Unable to deploy the hatch due to its cumbersome design and lack of breathable oxygen, the crew lost consciousness and perished. They were: astronauts Virgil I. "Gus" Grissom, (the second American to fly into space) Edward H. White II, (the first American to "walk" in space) and Roger B. Chaffee, (a "rookie" on his first space mission). - Az Apollo–1 kabinja a baleset után source: Wikipedia
above: NEW! MedRes! McDivitt, Scott and Schweickart were in preliminary training for Apollo AS-258 mission training for the second Apollo mission on January 26, 1967, in the first Block II command module, wearing early blue versions of the Block II pressure suit.Created: 26 January 1967. source: Wikipedia
NASA, scanned by Ed Hengeveld - The Project Apollo Image Gallery, Archive.org
Astronauts James McDivitt, David Scott, and Russell Schweickart undergoing preliminary training in the first Block II Apollo Command Module CM-101, at the North American Aviation plant in Downey, California, for what was originally planned to be the second manned Apollo mission, designated AS-258, testing the Lunar Module (LM) launched into Earth orbit by a second Saturn IB. They are wearing preliminary, blue versions of the Block II Apollo A7L spacesuit. The next day, the crew of the first manned Apollo mission were killed in a cabin fire in their Block I Command Module, CM-012. CM-101 was eventually flown by Walter M. Schirra, Donn F. Eisele and R. Walter Cunningham as Apollo 7. McDivitt's crew eventually flew the LM mission with CM-104 as Apollo 9.
Public Domain
above: NEW! HiRes! CM in NASM Smithsonian Museum18+above: NEW+! NoHigher! Apollo CM shaped Tumbler glass source: facebook
above: NEW! NoHigher! Apollo 11 docking with the LEM

above: NEW! NoHigher! Apollo-El CSM del SL-4 acoplado al 'Skylab' photo: nasa
above: NEW! HiRes! Apollo-11 spacecraft with interior 50th anniversary moon landing.

Űrsikló vagy zűrsikló? (Speedzone menni Amerika S04E19)https://youtu.be/vDT_0KBn8z0
above: NEW! HiRes! Apollo -124 gimbals, inertial platform with gyros and accelerometers to X, Y, Z axises - Inerciális-Tehetetlenségi platform girókkal és gyursulásmérőkkel x, .. tengely irányokban
above: NEW+! MedRes! Control System of 'Mercury'
above: HiRes! Cutaway of 'Apollo' CM below: MedRes! Saturn V & Apollo
above: NEW! NoHigher! Miss. Sabina Kelley in Apollo's Command Module shape glass
Sabina Kelley: Internationally known pin-up model, TV star and burlesque performer. She has performed at the Las Vegas showgirl revue Jubilee and was a headliner for the show PinUp. She was also a celebrity judge on Oxygen's reality TV tattoo competition Best Ink for three seasons. ... https://www.famousbirthdays.com/people/sabina-kelley.html
Hu. text article by: index.hu 2019. július 20.: Ember a Holdon? Mekkora kamu! 2019.07.20. 08:12 https://index.hu/video/2019/07/20/hold_apollo_hoax_kamu_kepbehozo_konteo_holdraszallas_alhir_atveres_megtevesztes/
above & below: new!! Thomas Stafford and Brandt incontrols of Apollo-9 Command Module Then there is evidence of some sort of detachable lights, useful in the compartment behind the seats

above: new!! Astronauts Stafford and Brand at controls of Apollo
Command Module.
above: new! NoHigher! Michael Collins commander of Apollo-11 CM read the check list.
Hu. rext: 7 tény, amit biztosan nem tudtál a 49 évvel ezelőtti Holdra szállásról:
Írta: Rubóczki Tamás - 2018. július 20
1969. július 20-án, éppen 49 évvel ezelőtt történt meg az elképzelhetetlen: este 8 óra 17 perckor két amerikai űrhajós, Neil Armstrong és Buzz Aldrin az Apollo 11 modulja, az Eagle fedélzetén sikeresen megérkezett a Holdra. ...
above: NEW! NoHigher! Space pen & writing sheet in 1962 - Űrtoll 1962. február 20-án használta ezt a ceruzát és jegyzetfüzetet John Glenn űrhajós, amikor első amerikaiként megkerülte Friendship 7 űrhajójával a Földet source: nasm
above: NEW! NoHigher! Faber pen - Űrtoll: Filctollakat is használt a NASA ez a fekete 'Duro-Rocket-Marker Pen' az Apollo-9 küldetés során járt az űrben, a tollat a brooklyni Duro Pen Co. gyártotta-1969. source: index.hu/Tudomány
NEW+! above: NoHigher! Hu. text: Walter Cunningham (USMC), az Apollo 7 küldetés holdkomppilótája jegyzetel egy Fisher tollal.- Space ballpen 1968 photo: NASA wm source: Index.hu/Ma is Tanultam valamit below: MedRes! Space ballpen with Apollo-7 Don Eisele's signo

above: NEW+! MedRes! Walter Cunningham, az Apollo 7 Hu. text:- küldetés holdkomppilótája jegyzetel egy Fisher tollal (1968) Fotó: NASA source: Ma is Tanultam valamit
below: NEW+! NoHigher! Fischer Space Pen Refill - Hu. Writer & Collector: Nagy Attila Károly gyűjteménye
aboves & below One: source:
Writing in space: https://en.wikipedia.org/wiki/Writing_in_space
above: NEW! HiRes! Buzz's 'Pickett' N600ES engineering Slide-rule - Csúszó-vonalzó - mérnöki Logarléc - Logar-lath source: www.sliderulemuseum.com
above: NEW+! NoHigher! Notes on a map written with a felt-tip pen by Michael Collins while in orbit around the Moon source: wikipedia
Life Stories
This Day in History: NASA Moon Landing
NEW! MedRes! Hu. text article & pics: Káprázatos fotókat tett közzé a NASA a Hold felszínéről:
Bolcsó Dániel 2019.07.18. 16:50
Közeleg a holdra szállás 50. évfordulója, amelynek a megünneplésére természetesen a NASA is tengernyi tartalommal készül. Fogták például a fél évszázaddal ezelőtt a Holdon készített fotókat, és digitálisan összeillesztették őket a felszínét bemutató panorámaképekké – írja a CNET. ... https://index.hu/techtud/2019/07/18/holdra_szallas_50_nasa_panoramakepet_fotok/
Apollo's Command Module Cockpit & Dashboard:
above: NEW! NoHigher! CM cockpit model below: NEW! HiRes! CM Panel
above: NEW! MedRes! source: airandpace.si.edu below: HiRes! High detail drawing

above: NEW! MedRes! 3D graph about Apollo commander control panel, inner & front
above: HiRes! Instrument desk/Dashboard
Artifical - Künstlicher Horizons - Műhorizontok: http://szextant.blogspot.hu/2014/04/64-muhorizont-artifical-kunstlicher.html
Many thanks! for courtesy pics to John Fongheiser below two: NEW! MedRes! ADI


above: NEW! NoHigher! Attitude Indicator ADI below: NEW! NoHigher! Presentation

above: NEW! rotational Hand Controller joystick grip
above: NEW! MedRes! NASM below Two: MedRes! Apollo Guidance Computer_
above: MedRes! AGC verb noun-list: Liste der Befehle im Apollo Guidance Computer. Zur schnellen Verfügbarkeit war sie auf eine Instrumentenbrettverkleidung gedruckt. List of numeric codes for verbs and nouns in the Apollo Guidance Computer. For quick reference, they were printed on a side panel. - Az Apollo Guidance Computer vezérlőszavainak és azok számkódjainak részleges listája; ezek egy oldalpanelen szerepeltek, gyorsreferenciaként. Wikipedia
The Apollo Guidance Computer (AGC) was a digital computer produced for the Apollo program that was installed on board each Apollo command module (CM) and Apollo Lunar Module (LM). The AGC provided computation and electronic interfaces for guidance, navigation, and control of the spacecraft.
The AGC has a 16-bit word length, with 15 data bits and one parity bit. Most of the software on the AGC is stored in a special read-only memory known as core rope memory, fashioned by weaving wires through magnetic cores, though a small amount of read-write core memory is available.
Astronauts communicated with the AGC using a numeric display and keyboard called the DSKY (for display & keyboard, pronounced 'DISS-key'). The AGC and its DSKY user interface were developed in the early 1960s for the Apollo program by the MIT Instrumentation Laboratory and first flew in 1966. The AGC was one of the first integrated circuit-based computers. The computer's performance was comparable to the first generation of home computers from the late 1970s, such as the Apple II, TRS-80, and Commodore PET. The AGC was designed at the MIT Instrumentation Laboratory under Charles Stark Draper, with hardware design led by Eldon C. Hall. Early architectural work came from J.H. Laning Jr., Albert Hopkins, Richard Battin, Ramon Alonso, and Hugh Blair-Smith. The flight hardware was fabricated by Raytheon, whose Herb Thaler was also on the architectural team.... https://en.wikipedia.org/wiki/Apollo_Guidance_Computer
Az Apollo Guidance Computer – rövidítve AGC – az Apollo-program számára tervezett és gyártott fedélzeti digitális számítógép. A gép tervezése 1962-ben kezdődött és 1966-tól 1975-ig használták. Elsősorban az Apollo űrhajók parancsnoki és visszatérő egységébe (Command Module, CM) és holdkompjaiba (Lunar Module, LM) építették ezeket, később kísérleti célokból több más eszközbe is beépítették, így pl. ilyen számítógépekkel kísérleteztek a fly-by-wire repülésvezérlő rendszer fejlesztése során, és az USA Haditengerészetének Mélymerülésű Mentőjárművében (Deep Submergence Rescue Vehicle) is alkalmazták.
Az AGC feladata volt a szenzorok adatainak figyelése, a repülés irányítása, a navigáció és az összes kapcsolódó számítás elvégzése, tehát lényegében az űrhajó teljes vezérlése. A számítógép szószervezésű, szóhossza 15 bit, a 15 adatbithez egy paritásbit járul. A programok és adatok nagy részét speciális, csak-olvasható ferritmag-fonat kialakítású memóriákban (core rope memory) tárolták, amelyekben a biteket a vezeték ferritmagba való befűzésével vagy annak kikerülésével valósították meg; a programfuttatáshoz rendelkezésre állt egy kisebb írható-olvasható ferritgyűrűs memória.
Az űrhajósok az AGC-val két felhasználói interfészen keresztül kommunikáltak, az interfész kijelzőt (display) és billentyűzetet (keyboard) tartalmazott, az egységet rövidítve DSKY-nak hívták. Az AGC-t és a DSKY felhasználói interfészt az MIT Instrumentation Laboratory (MIT Műszerellátó Laboratóriuma, 1970-től Charles Stark Draper Laboratory) fejlesztette ki az 1960-as évek elején, az Apollo-program számára. Az AGC nem az első számítógéptípus az űrhajók fedélzetén; a Gemini-programban használt OBC (On-Board Computer) megelőzte; azonban egyike volt az első integrált áramkörökkel felépített számítógépeknek. ... https://hu.wikipedia.org/wiki/Apollo_Guidance_Computer
above: NEW! NoHigher! Computer interface (Right) beside the Sextant eyepiece source: museum.mit.edu

above: MedRes! Apollo computer DSKY user interface unit & LM DSKY interface diagram
above: NEW! NoHigher! The #Computer by '#Raytheon'
The #Raytheon Company is a major U.S. defense contractor and industrial corporation with core manufacturing concentrations in weapons and military and commercial electronics. It was previously involved in corporate and special-mission aircraft until early 2007. Raytheon is the world's largest producer of guided missiles. On June 9, 2019, Raytheon announced a merger of equals with the aerospace companies of United Technologies.
Established in 1922, the company reincorporated in 1928 and adopted its present name in 1959. As of 2018 the company had around 67,000 employees worldwide and annual revenues of approximately US$25.35 billion. More than 90% of Raytheon's revenues were obtained from military contracts and, as of 2012, it was the fifth-largest military contractor in the world. As of 2015, it is the third largest defense contractor in the United States by defense revenue.
In 2003, Raytheon's headquarters moved from Lexington, Massachusetts, to Waltham, Massachusetts. The company had previously been headquartered in Cambridge, Massachusetts, from 1922 to 1928, Newton, Massachusetts, from 1928 to 1941, Waltham from 1941 to 1961 and Lexington from 1961 to 2003. ... https://en.wikipedia.org/wiki/Raytheon
above: NEW! HiRes! LM interior source: spaceartifactsarchive.com
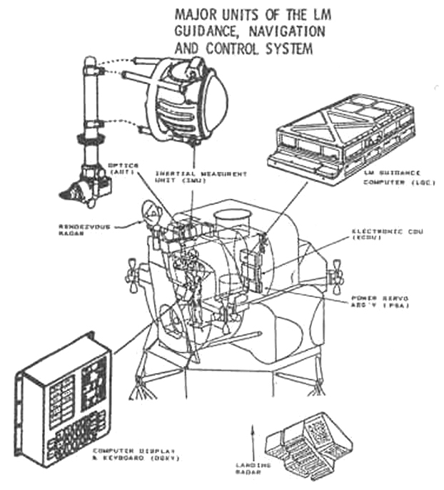
above: NEW! NoHigher! Apollo-LM Computer Interfaces source: http://dodlithr.blogspot.hu
Hu. text article by: index.hu: Mr. Hanula Zsolt 2019.07.20.
A holdra szállás sok szempontból állította hatalmas kihívás elé a mérnököket, ezek közül az egyik legkeményebb az Apollo-űrhajók fedélzeti számítógépének megépítése volt. A NASA floridai központjában az idegenvezetők azt szokták kérni a látogatóktól, hogy vegyék elő a telefonjukat, és gondoljanak bele, hogy abban garantáltan nagyobb számítási kapacitás van, mint ami az egész NASA-nak a rendelkezésére állt az első Hold-utazás idején. A fedélzeti számítógépnél ehhez képest még az is extra igény volt, hogy nagyon strapabíró legyen, nagyon megbízható és kényelmesen kicsi. A hatvanas években a számítógép szó háromajtós szekrény méretű monstrumokat jelentett, egy olyat pedig mégsem lehetett az űrhajóba tenni.
73 kilobyte mindenre elég: ... https://index.hu/techtud/2019/07/20/gyengebb_volt_mint_egy_commodore_64_megis_elvezetett_a_holdig/

above: NEW! NoHigher! Graphic project of Apollo source: Pinterest.com
above: NEW! below: NEW! NoHigher! Principle of the Apollo's Instrument #sextant - #szextáns - #szextant - #szeksztáns
above: NEW! NoHigher! Apollo Command Module sextant's principle of operation. By adjusting the shaft and trunnion angles (As and At) either the astronaut or computer can ... source: Exo Cruiser
above: NEW! NoHigher! Astronaut Jim Lovell sighting through the sextant, during the Apollo 8 mission, December 1968. mans the Command Module's Guidance and Navigation station during Apollo 8. measures with 'Kollsman' sextant His right hand is operating the controls that indicated to the computer that the bodies found in the telescope were aligned. Photo: NASA
Sextant: http://szextant.blogspot.hu/2014/02/sextant-instrument.html

above: NEW! MedRes! Gemma Atkinson with one of bottle of milk

above: NEW! MedRes! Gemma Atkinson with one of bottle of milk
Gemma Louise Atkinson (born 16 November 1984) is an English actress and former glamour model. She is best known for playing Lisa Hunter on Hollyoaks (2001–2005) and on three spin-off series, Hollyoaks: After Hours (2004), Hollyoaks: Let Loose (2005) and Hollyoaks: In the City (2006); and for playing Tamzin Bayle on Casualty (2011–12, 2014) and Carly Hope on Emmerdale (2015–17). ... https://en.wikipedia.org/wiki/Gemma_Atkinson

above: NEW! HiRes! 'Kollsman' sextant eyepiece section source: NASM - National Air and Space Museum - Smithsonian Institution
above: NEW! Also included in the G&N Dictionary FDF along with the star chart is the star key. The star key listed the stars used in the LGC in both alphabetic and numeric order. Although this star key flew on Apollo 9 with the above star chart, the star key also flew in the LM G&N Dictionary.
As the missions to the moon progressed, the star charts continued their metamorphosis. Here is a lunar module (LM) chart from the next mission, Apollo 11. Although the grid system is the same, the constellations are heavily outlined and there are no background star fields to confuse the astronauts at key moments. Speed and accuracy were required since the star sightings were usually done during key events like Translunar Insertion (TLI) or Trans Earth Insertion (TEI). This star chart accompanied the crew to Man's first landing on another world.
The Star Charts of Apollo:
Humans have navigated by the stars, since the dawn of man. Those seemingly stationary pinpoints of light in the night sky provided mariners and aviators the direction home as mankind moved into modern times. It would only be natural to use the stars to determine the proper course of a spacecraft during a voyage into outer space.
Early Earth orbit star charts mimicked the earthbound star charts by having a circular layout with the stars and constellations arranged around the wheel as they would appear in the sky at night. The photograph of an Apollo 9 training star chart is just such an example.
During the Apollo era, stellar navigation was integrated into the digital computer and perfected through the use of a sextant. The diagram below shows how the sextant optical assembly functioned with the DSKY (Digital display and keyboard) to help program the navigation systems and determine the proper course for the Apollo spacecraft. The navigation unit was placed in the lower equipment bay against the wall of the command module for stability and to prevent vibration. The unit consisted of an optical assembly that included the sextant and scanning telescope as well as the DSKY which interfaced with the Apollo Guidance Computer (AGC). ... The star charts have universal aura about them. They are beautiful, elegant artifacts of the space age and easily understood by the layperson here on Earth. At the same time, they were precise instruments used by the astronauts as part of the Apollo guidance system to navigate their way to and from the Moon. https://www.spaceartifactsarchive.com/2013/05/the-star-chart-of-apollo.html
above: NEW! NoHigher! The final star chart to be displayed in this series is a circular star chart used to determine the proper orientation of the LM while on the lunar surface. source: spaceartifactsarchive.com
above & below: NEW! HiRes! Apollo's 'Kollsman' sextant in NASM

An Apollo sextant and scanning telescope, from the collections of the National Air and Space www.ion.org
The story of the Apollo sextant:
How a tool from the Age of Discovery found use in the Space Age.
By Doug Adler | Published: Monday, June 04, 2018
Over the course of a decade, the Apollo program (in addition to landing humans on the Moon six times!) produced an incredible array of technical breakthroughs and achievements. But many people do not know that in addition to the army of NASA employees who worked the missions, the truly miraculous Apollo Guidance Computer (AGC), and the worldwide network of tracking stations that helped the astronauts get to and from the Moon, a device descended from antiquity was included aboard the Command Modules to assist with guidance and navigation: a sextant.
A multipurpose tool: The Apollo sextant was used in Earth and lunar orbit, as well as while en route between Earth and the Moon. It played different roles in each of those contexts: in orbit around Earth or the Moon, the sextant could be used to compute the spacecraft’s altitude and position; whereas in transit between Earth and the Moon, it could be used to compute the spacecraft’s attitude (orientation), position, and velocity. ...
above: NEW! HiRes! (Cropped & Lightened!) Apollo-4 FLIGHT 501 CM's 'Kollsman' eyepiece of sextant source: airandspace.si.edu
Sextant, Eyepiece, Apollo 4:
Apollo astronauts navigated from Earth orbit to the Moon and back in part by taking star sightings. The Command Module contained a sextant and a scanning telescope for this purpose. Sightings taken by the astronauts with these devices were translated into data that was processed by the on-board digital computer.
This sextant, made by the 'Kollsman' Instrument Company, may have flown on Apollo 4, an unmanned test flight. Transferred from NASA to the Museum in 1972.
Apollo Block II Sextant. The sextant was used with its counterpart (the scanning telescope) to determine the Command Module’s position and attitude with relation to stars or landmarks. This data was then supplied to the onboard computer to calibrate the spacecraft’s Inertial Measurement Unit (IMU). The sextant was a highly accurate optical device capable of measuring the included angle between two targets. Angular sightings of two targets were conducted through the fixed beam splitter and movable mirror located in the sextant head. The sighting head assembly is rotatable to 270 degrees in shaft axis position in either direction, from the zero reference point. The sextant lens provides 1.8-degree true field of view with 28X magnification. The movable mirror is capable of sighting a target to 57 degrees line of sight from the shaft axis. Both the fixed and moveable mirrors are fabricated of beryllium; the beryllium is Kanigen coated and aluminized to obtain maximum reflectivity. The sextant target optics include an indexing mirror assembly and a beam splitter, telescope, and eyepiece assembly. Block II metal cased unit measures approximately 7 x 6 x 6, with parts having serial numbers SN EE-1 and SN EE-2. The sextant was designed by MIT Instrumentation Lab, and manufactured by Kollsman Instrument Corp. (Part of the DFJ Space collection.) source: Wikipedia
En. text: Paul Kollsman (February 22, 1900 in Germany – September 26, 1982 in Beverly Hills, California) was a German-American inventor. He invented the first sensitive barometer, a key enabler of instrument flight in airplanes.
The United States Patent Office cites him as the inventor on 124 patents.
Kollsman studied engineering and science in Stuttgart and Munich. In 1923 he emigrated from Germany to the United States, following his younger brother Ernest Otto Kollsman, who had emigrated earlier.
He worked as a truck driver or truck driver's assistant until he found a position at Pioneer Instruments Co. in Brooklyn, New York, where he learned to make various aircraft instruments. ... https://en.wikipedia.org/wiki/Paul_Kollsman
De. text: Paul Kollsman (22. Februar 1900 in Deutschland - 26. September 1982 in Beverly Hills, Kalifornien ) war ein deutsch-amerikanischer Erfinder. Er erfand Barometer und Instrumente für Instrumentenflug in Flugzeugen.
Kollsman studierte Bauingenieurwesen in Stuttgart und München ( Technische Universität München ). Im Jahr 1923 emigrierte er aus Deutschland in den Vereinigten Staaten . Er arbeitete als LKW - Fahrer , bis er eine Position bei Pioneer Instruments Co. gefunden Brooklyn , New York . Im Jahr 1928 gründete er seine eigene Firma, Kollsman Instruments Co., mit $ 500 von Samengeld .
Er verbrachte eine lange Zeit für die richtige Gelegenheit sucht , sein Produkt zu starten, dann Jimmy Doolittle Flug testete seine Instrumente. Seine Instrumente wurden später in dem verwendeten NASA Apollo - Programm . Das Höhenmesser einstellt Fenster des empfindlichen Flugzeughöhenmesser wird die „Kollsman Fenster“ nach ihm benannt. ... https://de.qwerty.wiki/wiki/Paul_Kollsman
above: NEW! MedRes! 'Kollsman' sextant eyepiece block
above: NEW! MedRes! Apollo Block-II 'Kollsman' Sextant source: flickr.com
above: NEW! NoHigher! An Apollo sextant and scanning telescope, from the collections of the National Air and Space Museum. The device penetrated the pressure hull of the Command Module. Photo: National Air and Space Museum.
Sextant, Apollo Guidance and Navigation System: An Apollo sextant and scanning telescope, from the collections of the National Air and Space.
Date manufactured: 1960's, Kollsman Instrument Company
Description: Between December 1968 and December 1972, a total of nine Apollo spacecraft carried human crews away from the Earth to another heavenly body. Primary navigation for these missions was done from the ground. As a backup, and for segments of the mission where ground tracking was not practical, an on-board inertial navigation system was used. Astronauts periodically used a sextant to sight on stars and the horizons of the Earth and Moon to align the inertial system, and to verify the accuracy of the Earth-based tracking data. ... source: https://www.ion.org/museum/
Want to find your way home? Try a space sextant.
The Apollo program featured the newest, most high-tech science innovations we’ve ever seen to make the moon landing successful, as well as one of the oldest and simplest devices. Going back hundreds of years, sailors lost at sea used a small metal device to determine their position. With the look of a protractor and the utility of a supercomputer, a sextant measures the angular distance between two stars. With a touch of math, and these coordinates you can figure out wherever you are. ... https://wehackthemoon.com/tech/space-sextant-navigates-moon-missions
above: NEW! HiRes! Celestial Constellation
above: NEW! MedRes! CM belly side with Sextant and scanning panorama telescope sights
above: NEW! NoHigher! (Lightened!) An Apollo sextant on display in the National Air and Space Museum. photo: Doug Adler source: astronomy.com
Astronavigation Sextants & Octants, Celestial navigation - Csillagászati navigáció, Szeksztáns és Oktáns. Bubble-Astrodomes and Aircraft's cockpits & cutaways IL-14: https://szextant.blogspot.com/2017/04/196-sextants-octants-for-celestial.html

above: new!! So #Star Trek: Into Darkness is out on Blue Ray, and when I saw #Alice Eve in her underwear -I thought the same thing as everyone else: I need to blog about it. Wonder if he will mention this in his log: Captain Kirk is distracted when Alice Eve strips to her smalls in the new Star Trek Into Darkness trailer. Eyes front captain: Chris Pine could not help but stare as he acted out the scene with the English actress
And it seems the 31-year-old Men In Black 3 favourite will be a prominent character in the forthcoming feature, as she is playing scientist Dr Carol Marcus. Fans of the original series will know the character was the love of Kirk's life, and the mother to his only son David. Even more importantly, her character created the Genesis device that could create life on barren planets, and which was the main focus of the film The Wrath of Khan and its follow-up, The Search for Spock. Chris Pine's Kirk stands open mouthed after the brilliant scientist strips down for what is surely an exceptional plan to get them out of a jam.above: new! HiRes! Alice Eve Hollywood Star the premiere of newest movie Star-Trek
En. text: Alice Sophia Eve (born 6 February 1982) is a British actress. She is known for her role as Dr. Carol Marcus in Star Trek Into Darkness. ... https://en.wikipedia.org/wiki/Alice_Eve
Hu. text: Alice Sophia Eve (London, 1982. február 6. –) brit színésznő. Legismertebb szerepe Molly McCleich, a Túl jó nő a csajom című amerikai vígjátékban, valamint Erin, a Szex és New York mozifilm második részében. ...
above: new!! Joke: Star Trek: Into Darkness is out on Blue Ray, and when I saw #Alice Eve: "Te tényleg azt hiszed, hogy csak a spenótevéstől van ilyen testem?"
Alice Eve Eats Nothing But Spinach to Look Hot! And other headlines that misrepresent the truth....
Alice Eve Hollywood Star the some scene of newest movie Star-Trek.
Wonder if he will mention this in his log: Captain Kirk is distracted when Alice Eve strips to her smalls in the new Star Trek Into Darkness trailer. -So Star Trek: Into Darkness is out on Blue Ray, and when I saw Alice Eve in her underwear - I thought the same thing as everyone else: I need to blog about it.So here's the thing about 33 different places reporting "Alice Eve admits to eating nothing but spinach to get in shape for Star Trek: Into Darkness!" But here's the thing: It isn't true. Look, she may have said that, or something like that, to The Telegraph. But in other interviews she talked about eating chicken and spinach for six months to get ready for Star Trek .http://www.dailymail.co.uk/tvshowbiz/article-2297264/Star-Trek-Into-Darkness-trailer-Alice-Eve-distracts-Captain-Kirk-stripping-underwear.
htmlhttp://geekleagueofamerica.com/2013/05/25/star-trek-into-misogyny-and-sexism/
In the movie Star Trek: Into Darkness, there is a scene that lasts for approximately one minute. in this minute, for a couple of seconds, actress Alice Eve is in her underwear. This is old news, and Star Trek co-writer Damon Lindelof has already apologized for the gratuitous scene. So why is the official Star Trek facebook page still using the controversial image to promote how awesome Alice Eve is? English Actress best known for roles in movies like She's Out Of My League. BHTA 'Tank you': http://szextant.blogspot.hu/p/bhta.html
htmlhttp://geekleagueofamerica.com/2013/05/25/star-trek-into-misogyny-and-sexism/
In the movie Star Trek: Into Darkness, there is a scene that lasts for approximately one minute. in this minute, for a couple of seconds, actress Alice Eve is in her underwear. This is old news, and Star Trek co-writer Damon Lindelof has already apologized for the gratuitous scene. So why is the official Star Trek facebook page still using the controversial image to promote how awesome Alice Eve is? English Actress best known for roles in movies like She's Out Of My League. BHTA 'Tank you': http://szextant.blogspot.hu/p/bhta.html
above: NEW! NoHigher! American actress, Susan Alexandra "#Sigourney" #Weaver as "#Ripley" in #Movie: "#Allien"-"Idegen" - "#A nyolcadik utas a halál" c. #Sci-Fi filmben source: Pinterest.com
En. text: Susan Alexandra "Sigourney" Weaver (born October 8, 1949) (/sɪˈɡɔːrni/), is an American actress. Following her film debut with a non speaking role in Annie Hall (1977), she quickly came to prominence with her first lead role as Ellen Ripley in Alien (1979). She reprised the role in three sequels: Aliens (1986), for which she was nominated for the Academy Award for Best Actress; Alien 3 (1992), and Alien Resurrection (1997). She is also known for her starring roles in the box-office hits Ghostbusters (1984), Ghostbusters II (1989), and Avatar (2009).
Weaver was nominated for a Drama Desk Award for the 1980 Off-Broadway play Das Lusitania Songspiel, and received a Tony Award nomination for the 1984 Broadway play Hurlyburly. A seven-time Golden Globe Award nominee, she won both Best Actress in Drama and Best Supporting Actress for her work in the films Gorillas in the Mist and Working Girl (both in 1988), becoming the first person to win two acting Golden Globes in the same year. She also received Academy Award nominations for both films.
For her role in the film The Ice Storm (1997), she won the BAFTA Award for Best Actress in a Supporting Role. Additionally, she has received three Emmy Award nominations and won two Saturn Awards.
Weaver acquired the nickname of "the Sci-Fi Queen" for her numerous contributions to science-fiction film history. Other popular works she has appeared in include Galaxy Quest (1999), Futurama (2002), WALL-E (2008), Paul (2011), The Cabin in the Woods (2012), Finding Dory, and A Monster Calls (both in 2016). She returned to Broadway in 2013 to star in Vanya and Sonia and Masha and Spike. Weaver played Alexandra Reid, the main antagonist, in The Defenders which premiered on August 18, 2017. ... https://en.wikipedia.org/wiki/Sigourney_Weaver
Hu. text: Sigourney Weaver, születési nevén Susan Alexandra Weaver (Manhattan, New York, 1949. október 8.) Golden Globe-díjas amerikai színésznő. Legismertebb szerepei Ellen Ripley hadnagy a Nyolcadik utas: a Halálban és folytatásaiban, Dana Barrett a Szellemirtók-filmekben és Dr. Grace Augustine az Avatarban. Háromszor jelölték Oscar-díjra. ...
above: NEW! NoHigher! Sigourney Weaver with Pat Weaver Academy Awards 1989. Sigourney Weaver became the star of the Alien films, reprising her role as Ripley in three sequels between 1986 and 1997. She did not appear in either of the Alien vs. Predator crossovers of the 2000s, but has expressed interest in doing a fifth Alien film. source: Wikipedia
below: NoHigher! The Alien 1979.: Bolaji Badejo in costume as the Alien. The suit was made of latex, with the head as a separate piece housing the moving parts which controlled the second mouth.
En. text: Alien is a 1979 science fiction horror film directed by Ridley Scott and written by Dan O'Bannon. Based on a story by O'Bannon and Ronald Shusett, it follows the crew of the commercial space tug Nostromo who encounter the eponymous Alien, a deadly and aggressive extraterrestrial set loose on the ship. The film stars Tom Skerritt, Sigourney Weaver, Veronica Cartwright, Harry Dean Stanton, John Hurt, Ian Holm, and Yaphet Kotto. It was produced by Gordon Carroll, David Giler and Walter Hill through their company Brandywine Productions, and was distributed by 20th Century Fox. Giler and Hill revised and made additions to the script; Shusett was executive producer. The Alien and its accompanying artifacts were designed by the Swiss artist H. R. Giger, while concept artists Ron Cobb and Chris Foss designed the more human settings. ...
Hu. text: A Nyolcadik utas: a Halál (eredeti cím: Alien, sz. sz. „idegen”, értsd: földönkívüli lény) egy 1979-ben bemutatott angol-amerikai koprodukcióban készült horrorfilm Ridley Scott rendezésében. A főszerepben Tom Skerritt, Sigourney Weaver, Veronica Cartwright, Harry Dean Stanton, John Hurt, Ian Holm és Yaphet Kotto láthatóak. A film további főszereplője egy agresszív, félig értelmes földönkívüli lény, egy tökéletes gyilkos, aki ösztöneitől hajtva egyesével levadássza egy teherűrhajó legénységét. ...
above: NEW pic! HiRes!
above: New pic!
above; dangerous ocean rescue swimmer angels; Left: MedRes! "Silvershark" Right: MedRes! DANGER "Ejection" mark by 'Air Art' Graphics below two pic: new!! Right: Jacot Nyberg will be in space at the 50th
above NoHigher! & below: New Pics!
above: NEW! NoHigher! Wow! "Apollonia" in Alu. Metal style bodysuit silver zip-up
above: NEW! NoHigher! Swiss Made #TAG-HEUER 1/1000th Precision #Chronograph - #Mikrotimer (The Formula One main Sponsor) https://shop-us.tagheuer.com/en/watches.html

above: NEW! MedRes! Fantasy Artwork
above: NEW! NoHigher! Splashdown of the Apollo-12: Commander Charles "Pete" Conrad and Apollo Lunar Module Pilot Alan L. Bean performed just over one day and seven hours of lunar surface activity while Command Module Pilot Richard F. Gordon remained in lunar orbit.
Splashdown:
Yankee Clipper returned to Earth on November 24, 1969 at 20:58 UTC (3:58pm EST, 10:58am HST), in the Pacific Ocean, approximately 500 nautical miles (800 km) east of American Samoa. During splashdown, a 16 mm film camera dislodged from storage and struck Bean in the forehead, rendering him briefly unconscious. He suffered a mild concussion and needed six stitches.[26] After recovery by USS Hornet, they were flown to Pago Pago International Airport in Tafuna for a reception, before being flown on a C-141 cargo plane to Honolulu.
above: NEW! NoHigher! Apollo 12 recovery by USS Hornet: SH-3D of HS-4 flies over Apollo-12 command module near USS 'Hornet' (CVS-12) on 24 November 1969.
above: NEW! NoHigher! Apollo-17 recovering operations on 19 December 1972, with the aircraft carrier USS Ticonderoga CVS-144, NAVY Sikorsky SH-2 "Sea-King" SAR helicopter
above: MedRes! Columbia floats on the ocean as Navy divers assist in retrieving the astronauts - A legénység a vízreszállás után a kiemelésre vár izolációs öltözetben a Csendes-óceánon source: Wiki


above: NEW+! NoHigher! "Would You like an Apollo coktaile? - Kérsz egy Apolló koktélt?" Apollonia celebrated the succesful landing in the Drinkbar with "Apollo" coktail
above: new!! HiResBig!
Star Tr National Air and Space Museum director Gen. JR "Jack" Dailey, Mission Control creator and former Johnson Space Center director Dr. Christopher Kraft, Apollo 11 crew members Dr. Buzz Aldrin, Neil Armstrong and Maj. Gen. Michael Collins, Sen. John Glenn and Smithsonian Institution Secretary Dr. G. Wayne Clough in front of the Lunar Module at the National Air and Space Museum on July 19, 2009.ek 

above: NEW! MedRes! Apollo-11 LM pull from "Agena" carrier eshelon source: index.hu
above three & below two: New Pics! about Lunar Module
En. text: The Apollo Lunar Module (LM), originally designated the Lunar Excursion Module (LEM), was the landerportion of the Apollo spacecraft built for the US Apollo program by Grumman Aircraft to carry a crew of two from lunar orbit to the surface and back. Designed for lunar orbit rendezvous, it consisted of an ascent stage and descent stage, and was ferried to lunar orbit by its companion Command and Service Module (CSM), a separate spacecraft of approximately twice its mass, which also took the astronauts home to Earth. After completing its mission, the LM was discarded. It was capable of operation only in outer space; structurally and aerodynamically it was incapable of flight through the Earth's atmosphere. The Lunar Module was the first, and to date only, manned spacecraft to operate exclusively in the airless vacuum of space.Six such craft successfully landed on the Moon between 1969 and 1972. A seventh provided propulsion and life support for the crew of Apollo 13 when their CSM was disabled by an oxygen tank explosion en route to the Moon.
The LM's development was plagued with problems which delayed its first unmanned flight by about ten months, and its first manned flight by about three months. Despite this, the LM eventually became the most reliable component of the Apollo/Saturn space vehicle, the only component never to suffer a failure that significantly impacted a mission.
The total cost of the LM for development and the units produced was $21.3B in 2016 dollars, adjusting from a nominal total of $2.2B using the NASA New Start Inflation Indices. ...
Hu. text: A Lunar Module (magyarul holdkomp, rövidítve LM, angolul: „holdi egység”') az amerikai Apollo űrhajóholdraszálló egysége, amelyet az Apollo-program keretében használtak. A NASA által, a program kezdetén, aLunar Excursion Module (LEM, magyarul körülbelül annyit tesz: Holdra kiránduló modul) néven is hívták. Később az LM rövidítést megszokásból LEM-nek ejtették.
Úgy tervezték, hogy két embert szállítson Hold körüli pályáról a Hold felszínére és vissza. Az LM két részből áll: a visszatérő és a leszálló egységből. Kezdetben ez a két egység szerves egészet képez, majd a Holdról történő felszálláskor kettéválnak, azaz a leszálló egység indítóállványként szolgál a visszatérő egység számára, és a Holdon marad. A visszatérő egység, miután sikeresen visszatért az Apollo űrhajóhoz, feladata teljesítése után visszazuhan a Hold felszínére.
A teljes modul 6,4 m magas és 4,3 m széles, tömege több mint 14,5 tonna.


above: NEW! NoHigher! Apollo's LM Lunar Module cutaway source: 'Flight International'
NEW+! above & below: HiRes! Lunar Module production in #Grumman source: airandspace.si.edu
The Grumman Aircraft Engineering Corporation, later Grumman Aerospace Corporation, was a leading 20th century U.S. producer of military and civilian aircraft. Founded on December 6, 1929, by Leroy Grumman and partners, it merged in 1994 with Northrop Corporation to form Northrop Grumman. ... https://en.wikipedia.org/wiki/Grumman
A Grumman Aircraft Engineering Corporation, későbbi nevén Grumman Aerospace Corporation egy amerikai repülőgépgyártó és űripari vállalat, amelyet alapítója, Leroy Grumman 1929. december 6.án hozott létre. A cég az USA meghatározó repülőgépgyártója lett, elsősorban haditengerészeti repülőgépek, de civil gépek nagy számú előállításával.
A vállalat fénykora a II. világháború idején jelentkező óriási konjunktúra volt, számos legendás harci gépet köszönhetett az amerikai hadsereg a Grummannak, így például az F4F Wildcat, vagy F6F Hellcat típusokat. A hidegháború idején a sugárhajtású haditengerészeti gépekre koncentrálta erőforrásait a cég, megalkotva a kor legendás vadászgépét, az F–14 Tomcat-et, az A–6 Intruder vadászbombázót, vagy a repülőgépanyahajók AWACS felderítőjének számító E–2 Hawkeye felderítőgépet.
A hidegháború végeztével drasztikusan lecsökkent harci gépek iránti igény a cég hanyatlását okozta, így 1994-ben a Northrop felvásárolta és megalakult a cég jogutódja, a Northrop Grumman. ... https://hu.wikipedia.org/wiki/Grumman

above: new! HiRes! cutaway line drawings of LM below: NEW! LM's PGNS
above: MedRes! LM interior below: NoHigher! LM cutaways
above: NoHigher! Main parts of LM below: NEW! HiRes! Interior rear area

above: NEW! NoHigher! Neil Armstrong in LM's commander site. dodlithr.blogspot.hu
above: NEW! NoHigher! Armstrong in LM
En. text: Neil Alden Armstrong (August 5, 1930 – August 25, 2012) was an American astronaut and the first person to walk on the Moon. He was also an aerospace engineer, naval aviator, test pilot, and university professor. Before becoming an astronaut, Armstrong was an officer in the U.S. Navy and served in the Korean War. After the war, he earned his bachelor's degree at Purdue University and served as a test pilot at the National Advisory Committee for Aeronautics(NACA) High-Speed Flight Station, where he logged over 900 flights. He later completed graduate studies at theUniversity of Southern California.A participant in the U.S. Air Force's Man in Space Soonest and X-20 Dyna-Soar human spaceflight programs, Armstrong joined the NASA Astronaut Corps in 1962. He made his first space flight as command pilot of Gemini 8 in March 1966, becoming NASA's first civilian astronaut to fly in space. He performed the first docking of two spacecraft, with pilot David Scott. This mission was aborted after Armstrong used some of his reentry control fuel to prevent a dangerous spin caused by a stuck thruster, in the first in-flight space emergency.
Armstrong's second and last spaceflight was as commander of Apollo 11, the first manned Moon landing mission in July 1969. Armstrong and Lunar Module pilot Buzz Aldrin descended to the lunar surface and spent two and a half hours outside the spacecraft, while Michael Collins remained in lunar orbit in the Command/Service Module. Along with Collins and Aldrin, Armstrong was awarded the Presidential Medal of Freedom by President Richard Nixon. PresidentJimmy Carter presented Armstrong the Congressional Space Medal of Honor in 1978. Armstrong and his former crewmates received the Congressional Gold Medal in 2009.
Armstrong died in Cincinnati, Ohio, on August 25, 2012, at the age of 82, after complications from coronary artery bypass surgery. ... https://en.wikipedia.org/wiki/Neil_Armstrong
1949–1952 között haditengerészeti pilóta. 1955-ben a Purdue Egyetemen repülőmérnöki diplomát szerzett.1960–1962 között hétszer repült az X–15 kísérleti rakétahajtású repülőgéppel, 60 kilométernél magasabbra emelkedve, 6400 kilométeres óránkénti sebességet érve el. Vadászpilóta volt a koreai háborúban, 78 bevetése közül egybe kis híján belehalt. A NASA 1962. szeptember 17-től a szigorú orvosi vizsgálatok után kiválasztotta, a második amerikai csoportban kezdte meg űrhajóskiképzését. 1966-ban a Gemini–8 parancsnokaként járt először az űrben, az irányítófúvókák meghibásodása folytán kialakult vészhelyzetben gyors helyzetfelismerése, hidegvére megmentette mindkettőjük életét. Így tett szert a „Jégparancsnok” (Ice Commander) becenévre.
above: NEW! MedRes! Apollo-headset, they wore a Snoopy cap - olyan sapkát Snoopy cap- viseltek
above: NEW! NoHigher! (Crop!) Armstrong's space suit source: facebook
above: new! NoHigher! flt. Lt. Col. Edwin '#Buzz' #Aldrin FO in Lunar Module with Swiss made 'Omega' wrist watch
En. text: Buzz Aldrin (born Edwin Eugene Aldrin Jr., January 20, 1930) is an American engineer and former astronaut. As theLunar Module Pilot on Apollo 11, he was one of the first two humans to land on the Moon, and the second person to walk on it. He set foot on the Moon at 03:15:16 on July 21, 1969 (UTC), following mission commander Neil Armstrong. He is a former U.S. Air Force officer with the Command Pilot rating. ... https://en.wikipedia.org/wiki/Buzz_AldrinA katonai akadémia elvégzése után 1951-től repülőtisztként szolgált. Levelező hallgatóként a műszaki egyetemet is elvégzte és 1963-ban űrhajózási témából doktorált. 1963. október 17-től a NASA szolgálatába lépett, majd űrhajóskiképzésben részesült. A Gemini–12 küldetésen James Lovellel repült először. Új űrséta-időtartamrekordot állított fel. 1969 júliusában részt vett az első holdra-szálláson, az Apollo–11 repülésén, a holdkomp pilótájaként. Neil Armstronggal együtt szálltak le a Holdra. Ő a második ember, aki a Holdra lépett. A leszállási hely közelében egy 3,4 km átmérőjű krátert neveztek el róla. Aldrin a Gemini–9 és az Apollo–8 küldetések tartalékszemélyzetének is tagja volt.1971. július 1-től kivált a NASA kötelékéből és egy kaliforniai műszaki tanácsadó iroda vezetője lett.
NEW+! Hu. text: A gyűjtők körülbelül kétezer tárgyra – dedikált fotókra, dokumentumokra, kézírásos jegyzetekre, bélyegekre, érmékre, festményekre, litográfiákra, kisebb-nagyobb emléktárgyakra – licitálhatnak, köztük olyan igazi, több tízezer dollárt érő különlegességre, mint Armstrong repülős kezeslábasa, egy egészen a Holdig jutó, nagy méretű amerikai zászló, vagy Buzz Aldrin 1988-as piros, Mercedes 560 SL kabriója. ...
above: NEW! HiRes! 'Buzz' is nowadays 2019 in 50th Anniversary "T" shirt source: facebook
above: NEW! HiRes! Buzz with 50th anniversary T-shirt source: facebook
Limited Edition! Get yours here => https://skeletortees.com/50th-anniversary-apollo
NEW! above: MedRes! Apollo 13 1995 #Tom Hanks, Omega Speedmaster Apollo XIII 1970 45th Anniversary "Silver Snoopy Award" below: NoHigher! An Appreciation sheet
#OMEGA IN FIRST MAN
Watch fans, space enthusiasts and astonished audiences alike can now spot OMEGA timepieces playing a true-life role within the story of Universal Pictures’ First Man.
THE SPEEDMASTER MOONWATCH "FIRST OMEGA IN SPACE"
The Speedmaster ref. CK 2998 was the first OMEGA to reach space, when astronaut Walter Schirra wore the watch during the 'Sigma 7' mission of the Mercury Programme in 1962. Schirra had purchased the watch for his own use, but two and a half years later, the Speedmaster would be officially certified by NASA for all manned-missions, launching it into history. ...
THE SPEEDMASTER "DARK SIDE OF THE MOON"
The Apollo 8 astronauts were the first people to see the dark side of the moon with their own eyes. The black ceramic Co-Axial Speedmaster salutes their pioneering spirit and pays homage to the Speedmaster Professional chronographs worn by every Apollo astronaut. ... https://www.omegawatches.com/watches/speedmaster/moonwatch/dark-side-of-the-moon/product
above: NEW! NoHigher! (Cropped & Reduced!) Omega-sp moonwatch fois source: Omegawatches
A MOONWATCH FOR A NEW CENTURY
50 years on from Schirra's historic mission, we celebrated the first OMEGA in space, by creating an updated model of his iconic Speedmaster. Respectfully and subtly redesigned for the 21st century; the new Moonwatch features the same black dial, black bezel and stainless steel case with symmetric lugs. As a further tribute to the original, both Baton and Alpha style hands are used.
above: NEW! NoHigher! original Apollo's Swiss wristwatch: OMEGA 'Speedmaster' Professional below: MedRes! watches views

above: NEW! MedRes! Space watches: OMEGA & Breitling
above: NEW! NoHigher! Symulator exercise: ?? http://dodlithr.blogspot.hu
below: new! cockpit with central dashboard and pilot's windows HiRes! Interior
above: NoHigher! LM interior and dashboard photo below: MedRes! LM interior arrange of devices
above: NEW! No Higher! Detail Instrument panel of LM below: NEW! HiRes! 'Antares' ctrl. panel
above: NEW+! MedRes! LM dashboard source: airandspace.si.edu below: NEW! HiRes! avsym



above: NEW! NoHigher! Apollo-13 gravity While Preparing for Zero Gravity, the Actors of <I>Apollo 13</ source: AMC La famosa misión lunar del Apollo XIII y sus trágicos percances asociados al número más fatídico | Fenómenos Paranormales
Esta misión, que casi le cuesta la vida a sus tres tripulantes, despegó de la tierra a las 13:13 hrs. y entró en órbita lunar el 13 de abril de 1970. source: guioteca.com
Manoveuer system (Italiano text)
http://Index.hu cikk http://index.hu/index2/#bloghu/pulispace/2014/04/26/hajszalhijan_tragedia
http://pulispace.blog.hu/2014/04/20/holdkozelben_232


source: airandspace.si.edu


above Four: NEW! HiRes! Apollo command-module PCM telemetric equipment blockdiagram & command-module telecommunications component location & command-module VHF transmitter blockdiagram & CSM telecommunications functional relationship
above: NEW! MedRes! #Golden cover foil - fólia: #Aussie #Kylie#Minogue in 'Marie Claire' magazine #Australia, on march 2019.
Kylie Ann Minogue, AO, OBE (/mɪˈnoʊɡ/; born 28 May 1968. -age 51- Melbourne, Victoria, Australia), often known simply as Kylie, is an Australian singer, songwriter and actress. Throughout her career, Minogue has been known for reinventing herself in fashion and music. She is described as a style icon and has been recognised with several honorific nicknames, most notably the "Princess of Pop". Minogue is also recognised as the highest-selling female Australian artist of all time. Born and raised in Melbourne, she has worked and lived in the United Kingdom since the 1990s. Minogue achieved recognition starring in the Australian soap opera Neighbours, where she played tomboy mechanic Charlene Robinson. She came to prominence as a recording artist in the late 1980s and released four bubblegum and dance-pop-influenced studio albums produced by Stock Aitken Waterman and released by PWL. By the time she released her fourth album in the early 1990s, she had amassed several top ten singles in the UK and Australia, including "I Should Be So Lucky", "The Loco-Motion", "Hand on Your Heart", "Better the Devil You Know" and "Step Back in Time". Minogue, however, felt alienated and dissatisfied with the little creative control she had over her music. ... https://en.wikipedia.org/wiki/Kylie_Minogue
above: NEW+! HiRes! Smithsonian Space & Aviation Museum in Washingtonsource: airandspace.si.edu
above: Juci'bacsi's five photo. Nikon Coolpix 4300 _ 2014.august.26.: NEW Photo! HiRes! The Omega's face of Shop at Budapest Andrássy út 18. near the Opera's side between Breitling's shop.
above: NEW! NoHigher! Breitling Chronometre Navimeter - Cosmonaute-For-those who own a or other watch with Bezel Slide-Rule. https://www.breitling.com/en/
En. text: Breitling SA (German pronunciation: [braɪtliŋ]) is a Swiss luxury watchmaker based in Grenchen, Switzerland. The company was founded in 1884 by Léon Breitling in Saint-Imier. Breitling is known for precision-made chronometers designed for aviators. ... https://en.wikipedia.org/wiki/Breitling_SA
De. text: Die Breitling SA ist ein Konzern mit Hauptsitz in Grenchen (Schweiz), der Armbanduhren im gehobenen bis luxuriösen Preissegment herstellt. ...
Hu. text: A Breitling S.A. egy független svájci óragyártó vállalat, amely kivételes minőségű és felszereltségű luxus- és sportóráiról ismert. Órái legfőképp a légi- (Navitimer, Aerospace) és vízisportok (Aeromarine) szerelmeseit célozzák meg, de a prémium kategóriás szerkezetekre (Breitling for Bentley) is legalább ugyanúgy fókuszál. A márka hivatalos főtámogatója a népszerű Red Bull Air Race-nek, melyen külön csapatot is indít Nigel Lamb-el az élen. ...
above: HiRes! Vianney-Halter "Deep Space" gyro turbillon extreme watch.
18+above: NEW! NoHigher! "Apollon" #Dita Von #Teese Pin-UP princess
Dita von Teese (born Heather Renée Sweet on September 28, 1972) is an American performer of burlesque, actress, model, singer. Von Teese was married to rock musician Marilyn Manson from 2005 to 2007. She has no children. ... https://simple.wikipedia.org/wiki/Dita_von_Teese
below five: New Pics! LowMedRes!

above: NEW! MedRes! Moon - Hold on 2014.08.18. source: SublimeStar.com
above: NEW! MedRes! Apollos' Landing Sites Map
above: NEW! NoHigher! Lunar flight profile (distances not to scale). Apollo Moon landing mission profil. Derived from Apollo 8 mission profile. source: Wikipedia


above: NEW! HiRes! Left: Eagle's ascent stage approaching Columbia Right: Columbia in lunar orbit, photographed from Eagle source: Wikipedia
above: NEW! HiRes! Landestelle der Apollo-11-Mondfähre im Meer der Ruhemit Erklärungen. Das Foto zeigt das Apollo-Raumschiff sowie die Moltke- und Sabine-Krater. - Az Apollo-11 leszállóhelye
Armstrong acknowledged Aldrin's completion of the post landing checklist with "Engine arm is off", before responding to the CAPCOM, Charles Duke, with the words, "Houston, Tranquility Base here. The Eagle has landed." Armstrong's unrehearsed change of call sign from "Eagle" to "Tranquility Base" emphasized to listeners that landing was complete and successful. Duke mispronounced his reply as he expressed the relief at Mission Control: "Roger, Twan– Tranquility, we copy you on the ground. You got a bunch of guys about to turn blue. We're breathing again. Thanks a lot."
above: NEW! NoHigher! The - Az Apollo-11 remained section of LM on landing site - leszállási helye és a visszamaradt holdkomprész a 'Lunar Reconnaissance Orbiter' felvételén - photo in 2009-ben. source: Wiki
above & below: NEW! HiRes! (Edited & Divided!) Map of the Landing site: Mare Tranquillitatis - Sea of Calmness - Nyugalom tengere

above: NEW! HiRes! Apollo-11 Landing Site & West Crater. source: Wikipedia
above: new! Kate #Upton american Sport Illustrated Magazine's famous photomodel is also enthusiasticing for moon.
above: NEW! MedRes! Apollo-11 crew: Aldrin, Collins, Armstrong
En. text: Michael Collins (born October 31, 1930), Major General, USAF, Ret. is an American former astronaut and test pilot. Selected as part of the third group of fourteen astronauts in 1963, he flew into space twice. His first spaceflight was on Gemini 10, in which he and Command Pilot John Young performed two rendezvous with different spacecraft and Collins undertook two EVAs. His second spaceflight was as the Command Module Pilot for Apollo 11. While he stayed in orbit around the Moon, Neil Armstrong and Buzz Aldrin left in the Lunar Module to make the first manned landing on its surface. He is one of 24 people to have flown to the Moon.
Collins was the fourth person, and third American, to perform an EVA; and is the first person to have performed more than one EVA.
Prior to becoming an astronaut, he attended the United States Military Academy, and from there he joined the United States Air Force and flew F-86s at Chambley-Bussieres Air Base, France. He was accepted to the U.S. Air Force Experimental Flight Test Pilot School at Edwards Air Force Base in 1960. He unsuccessfully applied for the second astronaut group, but was accepted for the third group.
After retiring from NASA in 1970 he took a job in the Department of State as Assistant Secretary of State for Public Affairs. A year later he became the director of the National Air and Space Museum. He held this position until 1978 when he stepped down to become undersecretary of the Smithsonian Institution. In 1980 he took the job as Vice President of LTV Aerospace. He resigned in 1985 to start his own business.
He was married to Patricia Collins until her death in April 2014. They had three children: Kate (born May 6, 1959), Ann (born October 31, 1961), and Michael (born February 23, 1963).
Hu. text: Michael Collins (Róma, Olaszország, 1930. október 31. –) amerikai űrhajós.
A West Point-i katonai akadémia elvégzése után 1952-től repülőtiszt. Az Edwards légitámaszponton berepülő pilóta.1963. október 17-től kapott a NASA kötelékében űrhajóskiképzést. A Gemini–10 űrhajón John Younggal hajtott végre először űrrepülést. Ennek során végrehajtott két űrsétát. Egy betegség miatt nem vehetett részt az Apollo–8repülésén, helyette James Lovell repült. Collins az Apollo–11 parancsnoki moduljának pilótája volt. Együtt repült aHoldhoz Neil Armstronggal és Edwin Aldrinnal. Nem szállt le a Holdra, hanem az Apollo űrhajó parancsnoki- és szervizmoduljában maradt. 11 napot, 2 órát és 4 percet töltött a világűrben. A leszállási hely közelében egy 2,4 km-es kráter viseli a nevét. Űrhajós pályafutását 1970 januárjában fejezte be. A légierő nyugalmazott vezérőrnagya. 1970-1971 között a külügyminisztérium sajtófőnöke. 1971-től a Smithsonian Intézet repülési és űrhajózási múzeumának igazgatója.
above: NEW! MedRes! Ichi space suit
below: NEW Pics! HiRes ! : Juci'bacsi's scanned collection 3 photos.
above: new! NoHigher! word famous Sweden made 6x6 cm Roll-Film 'Hasselblad' special Camera
NEW! above: NoHigher! Cutaway of #Hasselblad-camera below: HiRes! Hasselblad camera
Victor Hasselblad AB is a Swedish manufacturer of medium-format cameras, photographic equipment and image scanners based in Gothenburg, Sweden. The company is best known for the classic medium-format cameras it has produced since World War II.
Perhaps the most famous use of the Hasselblad camera was during the Apollo program missions when humans first landed on the Moon. Almost all of the still photographs taken during these missions used modified Hasselblad cameras. Hasselblad only produces about 10,000 cameras a year out of a small three story building.
The Hasselblad camera comes into its own:
The real turning point for the company occurred in 1957. The 1000 F was replaced by the 500 C. The landmark 500 C design formed the basis for Hasselblad's product line for the next sixty years, with variants being produced until 2013. It was not until 1960, though, that Hasselblad's cameras became profitable; prior to this point, the company was still being entirely supported by sales of imported photographic supplies, including their distribution of Kodak products.
In 1962, NASA began to use Hasselblad cameras on space flights, and to request design modifications. The first motor-driven camera, the 500 EL, appeared in 1965[5] as a result of NASA requests. While Hasselblad had enjoyed a slowly but steadily growing reputation among professional photographers through the 1950s, the publicity created by NASA's use of Hasselblad products dramatically increased name recognition for the brand.
In 1966, with the increasing success of the camera division, Hasselblad exited the photographic supply and retailing industry, selling Hasselblad Fotografiska AB to Kodak.
Hasselblad cameras in space:
Several different models of Hasselblad cameras were taken into space, all specially modified for the task.
The Hasselblad cameras were selected by NASA because of their interchangeable lenses and magazines. Modifications were made to permit ease of use in cramped conditions while wearing spacesuits, such as the replacement of the reflex mirror with an eye-level finder.
Modifications by NASA technicians were further refined and incorporated into new models by Hasselblad. For example, development of a 70 mm magazine was accelerated to meet the space program.
The first modified (in fact simplified) Hasselblad 500 C cameras were used on the last two Project Mercury missions in 1962 and 1963. They continued to be used throughout the Gemini spaceflights in 1965 and 1966.
A general program of reliability and safety was implemented following the Apollo 1 fire in 1967, addressing such issues as reliability and safe operation of electrical equipment in a high-oxygen environment.
EL electric cameras were used for the first time on Apollo 8. A heavily modified 500 EL, the so-called Hasselblad Electric Camera (HEC) was used from Apollo 8 on board the spacecraft. Three 500 EL cameras were carried on Apollo 11. An even more extensively modified Hasselblad EL Data Camera (HDC), equipped with a special Zeiss 5.6/60 mm Biogon lens and film magazines for 150–200 exposures, was used on the Moon surface on the Apollo 11 mission. All following NASA missions also had Hasselblad cameras on board. The photographic equipment and films used on the five subsequent flights were similar to that taken on Apollo 11. On Apollo 15, the 500 mm telelens was added. During the Space Shuttle period cameras based on the 500 EL/M, 553 ELX, 205 TCC and 203 FE have been used.
Twelve Hasselblads remain on the lunar surface. ... https://en.wikipedia.org/wiki/Hasselblad
Hu. text: A Victor Hasselblad AB egy svéd középformátumú fényképezőgépeket és fotográfiai felszereléseket gyártó cég. Székhelye Göteborg Svédországban.
„A Hasselblad egy nagyon egyszerű feladatot tűzött maga elé több mint ötven évvel ezelőtt, a világ legjobb fényképezőgépét gyártani."
Hasselbladok a Holdon:
Az Apollo–11 űrhajósai a Holdon Hasselblad EL Data Camera (HDC) géppel fényképeztek, amelynek Zeiss 5.6/60 mm-es Biogon objektívje volt, és 150-200 felvételre volt alkalmas a kazettája. A következő holdutazások különböző teleobjektívekkel szintén ilyen gépet használtak. ... https://hu.wikipedia.org/wiki/Hasselblad
above: NEW! NoHigher! Hasselblad 500 EL/M "20 years in space" anniversary edition with 70 mm back, similar to the ones used in the Apollo Program. source: Wikipedia
above: NEW! HiRes! Hasselblad Moon Camera - Az 500 EL, ilyet használtak a Holdon is source: Wikipedia
above: NEW! MedRes! Inner space cockpit video-camera - Hu. az Apollo-7 küldetésen használt RCA kamera Smithsonian: Eric Long
above: NEW! NoHigher! Swiss Made Fortis F-43-Flieger Limited Edition Chronograph Alarm GMT http://www.fortis-watch.hu/
FORTIS Watches AG (formerly FORTIS Uhren AG), located in Grenchen is a Swiss watches manufacturer that was founded by Walter Vogt in 1912. The current CEO of Fortis is Lorenz Aebischer. ... https://en.wikipedia.org/wiki/Fortis_(Swiss_watchmaker)
above: NEW! MedRes! Hu. text: az Apollo-9-es küldetésekor Dave Scott mászik ki az űrhajóból.
above: NEW! MedRes! Apollo C.M. cutaway Skylab" programme below: NEW! NoHigher!
above: NEW! MedRes! "Apollo #Vermouth" cone coup photo: Ian L. Sitren source: Google G+
NEW! NoHigher! above: Apollo erectable's band below: Apollo-LM APCOMABRabove: NEW! MedRes! Hu. text: Szojuz-Apolló 1973. Szegedi ifjúsági napok www.fortepan.hu
NEW! above: MedRes! Apollo - Soyuz team diagram: Test Project ASTP below: NoHigher!
above: NEW! NoHigher! TAG-Heuer "Carrera Calibre" 1887 Automatic Chronograph Space: Soyuz - Apollo 1962 - 2012 First Swiss Watch in Space.
En. text: TAG Heuer S.A. (/ˌtæɡ ˈhɔɪ.ər/ TAG HOY-ər) is a Swiss luxury manufacturing company that designs, manufactures and markets watches and fashion accessories, as well as eyewear and mobile phones manufactured under license by other companies and carrying the Tag Heuer brand name.
TAG Heuer began as Uhrenmanufaktur Heuer AG, founded in 1860 by Edouard Heuer in St-Imier, Switzerland. In 1985 TAG Group purchased a majority stake in the company, forming TAG Heuer. In 1999 French luxury goods conglomerate LVMH bought nearly 100 percent of the Swiss company.
The name TAG Heuer combines the initials of "Techniques d'Avant Garde" and the founder's surname. ... https://en.wikipedia.org/wiki/TAG_Heuer
De. text: Die TAG Heuer SA ist ein Schweizer Uhrenhersteller, der hochwertige Uhren und Zeitmesseinrichtungen im gehobenen bis luxuriösen Preissegment fertigt. Das Unternehmen mit Sitz in La Chaux-de-Fonds befindet sich seit 1999 im Besitz des französischen Luxusgüter-Herstellers Moët Hennessy Louis Vuitton S. A. (LVMH). ...
Ru. text: TAG Heuer (ТАГ Хо́йер) — швейцарская часовая компания, выпускающая люксовые наручные часы, хронографы, смартфоны и очки. Компания является подразделением крупнейшего в мире холдинга по производству предметов роскоши LVMH (полное наименование LVMH Moët Hennessy — Louis Vuitton S.A. — Луи Виттон-Моэт-Хеннесси). ...
above: NEW+! HiRes! Hu. text: Ilyen képet se lehetett eddig sokszor látni: a XIII. COSPAR alkalmával Armstrongnak megmutatták egy Szojuz űrhajó műszerfalát, vezérlőegységét is, a kép tanúsága szerint az amerikai űrhajós érdeklődve figyelte a szovjet technikát. (Fotó: The Armstrong Family Collection / HERITAGE AUCTIONS) source: www.index.hu https://index.hu/techtud/2018/10/31/amikor_neil_armstrong_szojuz_urhajo_kormanyanal_ult/
Hu. text: Amikor Neil Armstrong Szojuz űrhajó kormányánál ült: Meglovagolva Az első ember című életrajzi mozifilm körülötti hírverést, november 1-3 között űrhajózási relikviák nagyszabású árverését tartja a dallasi Heritage Auctions aukciósház. Az aukció különlegessége, hogy java részben Neil Armstrong családi hagyatékából kikerült tételek szerepelnek benne. ...
above: Juci'bacsi's scanned collection: MedRes! Hu. text
NEW! NoHigher! above: Juci'bacsi's repro slide-copy collection: Apollo - Soyuz mission: from left: Donald Slayton, Thomas Stafford, ? Brand, - Aleksey Leonov, Valery Kubasov. 

above: NEW! NoHigher! Apollo - Soyuz OMEGA watch
above: Juci'bacsi's repro slide-copy collection: Exercise in Soyuz cab: Donald Slayton & Nikolay Rukavishnikov
above: NEW! NoHigher! Russian retro Pin-Up artist: Valery Barykin: "Be it work or leisure - a book is the best girlfriend! - Legyen munka vagy szabadidő - a könyv a legjobb barátnő!" translated by: ret.arty. Lt.Col. Salgó "Artyman" Béla ny.tü.alez. source: Pinterest.com
The Russian artist Valery Barykin draws pictures in the Pin-Up style, mixing the American classic with Russian ordinariness. Now Valery has lots of great works in his portfolio, but the most popular project is the series of drawings called Soviet Pin-Up where he combined the famous style with the socialist posters. And, we must say they look very nice with the pretty girls you could never imagine on the real posters from the USSR. ... https://russianambience.com/pictures-and-soviet-posters-in-the-pin-up-style-by-valery-barykin/
above: new! HiResBig!
above; Neil Armstrong's space suit in museum - below; Edwin "Buzz" Aldrin
above: NEW! HiRes! Second Human on the Moon, "Buzz" from Apollo-11 source: index.hu
above & below: MedRes! Mooncrackers
above: HiRes! 2. (origin Cropped!) Buzz Aldrin poses on the Moon, allowing Neil Armstrong to photograph both of them using the visor's reflection. - Aldrin is a Holdon. source: Wikipedia
above: NEW! MedRes! Apollo-15 source: facebook/Angyal László AVIATOR
above: new!! Apollo-17 on the Moon
above: NEW! NoHigher! The extravehicular space suit
above: NEW! NoHigher! Apollo, an astronaut's Moonsuit

above: NEW! Left: MedRes! Apollo-7 Fa pre-flight CT-scan of a NASA A7L spacesuit, the type of suit worn during the-missions Right: MedRes! Apollo-7 Fashioning.
above: NEW! NoHigher! Apollo-11: Neil Armstrong's Spacesuit 1969, Air & Space Museum, one of 19 different museums at the 'Smithsonian in Washington, D.C.
Hu. text article by: index.hu - Ma is tanultam valamit: Mr. Hanula Zsolt 2019.07.20. 08:16
Az űrhajós, aki allergiás volt a Holdra: A holdra szállás egyik komoly kockázati tényezője volt, hogy senki nem tudhatta előre, milyen egészségügyi hatásokkal találkoznak majd odafenn az űrhajósok. Arról persze a NASA-nak már elég sok tapasztalata volt, hogy úgy általában az űrutazás milyen hatással van az emberi testre, és ez nem volt épp pozitív: az immunrendszer súlytalanságban gyengébben működik, a különféle kórokozók viszont jól alkalmazkodnak és erősebbé válnak. Ezért az űrhajósokat indulás előtt alaposan kivizsgálják, és jó pár napig karanténban is tartják, nehogy valami lappangó fertőzést vigyenek magukkal. (Persze ez sem használ mindig: az Apollo–8 kapitánya, Frank Borman például hasmenéssel és hányással küzdötte végig a küldetést egy, még lenn a Földön összeszedett influenza miatt.) ... https://index.hu/tudomany/til/2019/07/20/az_urhajos_aki_allergias_volt_a_holdra/
above: NEW! MedRes! Apollo: The Moon Watch Swiss 'Omega' "Speedmaster" E. Aldrin
http://www.omegawatches.com/stores/storedetails/6384/
En. text: Omega SA is a Swiss luxury watchmaker based in Biel/Bienne, Switzerland. Founded by Louis Brandt in La Chaux-de-Fonds in 1848, the company formally operated as the La Generale Watch Co. until incorporating the name Omega in 1903, becoming Louis Brandt et Frère - Omega Watch & Co. In 1982, the company officially changed its name to Omega SA, which is currently a subsidiary of the Swiss Swatch Group. Omega opened its museum to the public in Biel/Bienne in January 1984.
Britain's Royal Flying Corps chose Omega watches in 1917 as its official timekeepers for its combat units, as did the U.S. Army in 1918. Omega watches were the choice of NASA and the first watch on the Moon in 1969. In addition, Omega has been the official timekeeping device of the Olympic Games since 1932. James Bond has worn it in films since 1995; other famous Omega wearers, past and present, include Buzz Aldrin, George Clooney, John F. Kennedy, Mao Zedong (Chairman Mao), Elvis Presley and Prince William. ... https://en.wikipedia.org/wiki/Omega_SA
De. text: Omega ist ein Schweizer Uhrenhersteller, der hochwertige Armbanduhren im gehobenen Preissegment fertigt. Das Unternehmen wurde im Jahre 1848 gegründet und ist heute eine Tochtergesellschaft der Swatch Group mit Sitz in Biel/Bienne. ...
above & below: NEW! NoHigher! original OMEGA Moonwatches
NEW! above: NoHigher! Sheets below: MedRes! User
above & below: NEW! NoHigher! OMEGAs
above & below: NEW! NoHigher! Hu. text! The Solar system - A Naprendszer source: index.hu
above: NEW! HiRes! (Crop!) The Solar System - A Naprendszer

NEW! HiRes! Apollo Lunar Vehicle - Holdjáró
above: NEW! NoHigher! Hungarian retro tin-battery toy: Moonwalker from 1960's - Győri Tin-Toy Factory - Lemezárúgyár - Retró Elemes Holdjáró autó lemezjáték
above: NEW! MedRes! Last man on the Moon Eugene Cernan Apollo-17 parancsnoka egyben az utolsó ember a Holdon. source: Wikipedia
above: NEW! MedRes! Apollo-15 descends to splashdown. The capsule of Apollo 15 descends under only two good parachutes. - Leszálláskor a három fékezőernyőből csak kettő nyílt ki teljesen. source: Wikipedia
above five: New Pics! below: new!
above: NEW! MedRes! Last Apollo mission commander: #Eugene Cernan 1972. december 14-én felemelte a bal lábát és rálépett az Apollo 17 ... source: lastampa/index.hu-Nagy Attila Károly
Eugene Andrew Cernan (/ˈsɜːrnən/; March 14, 1934 – January 16, 2017) was an American astronaut, naval aviator, electrical engineer, aeronautical engineer, and fighter pilot. During the Apollo 17 mission, Cernan became the eleventh person to walk on the Moon. Since he re-entered the lunar module after Harrison Schmitt on their third and final lunar excursion, he is the last person to have walked on the Moon.
Cernan traveled into space three times; as pilot of Gemini 9A in June 1966, as lunar module pilot of Apollo 10 in May 1969, and as commander of Apollo 17 in December 1972, the final Apollo lunar landing. Cernan was also a backup crew member of the Gemini 12, Apollo 7 and Apollo 14 space missions. ... https://en.wikipedia.org/wiki/Gene_Cernan
above: new! MedRes! After mission in quarantine
Story: NEW! I have heard, that upon standing on the moon, Neil Armstrong at some point said "Good luck Mr. Gorsky". The story being that while a child, playing baseball, through an open window he heard Mrs. Gorsky yell at her husband: "Oral sex, you want oral sex? When the kid next door walks on the Moon!"
Is that just made up, or real?
En. text: On July 20, 1969, commander of the Apollo 11 Lunar Module, Neil Armstrong was the first person to set foot on the moon. His first words after stepping on the moon, “That’s one small step for a man, one giant leap for mankind”, were televised to Earth and heard by millions. But just before he re-entered the lander, he made the enigmatic remark:
“Good luck, Mr. Gorsky.” Many people at NASA thought it was a casual remark concerning some rival Soviet Cosmonaut. However, upon checking, there was no Gorsky in either the Russian or American space programs. Over the years many people questioned Armstrong as to what the “Good luck Mr. Gorsky” statement meant, but Armstrong always just smiled. On July 5, 1995, in Tampa Bay, Florida, while answering questions following a speech, a reporter brought up the 26 year old question to Armstrong. This time he finally responded. Mr. Gorsky had died and so Neil Armstrong felt he could answer the question.
In 1938 when he was a kid in a small Midwest town, he was playing baseball with a friend in the backyard. His friend hit a fly ball, which landed in his neighbor’s yard by the bedroom windows. His neighbors were Mr. and Mrs. Gorsky.
As he leaned down to pick up the ball, young Armstrong heard Mrs. Gorsky shouting at Mr. Gorsky. “Sex! You want sex?! You’ll get sex when the kid next door walks on the moon!” True story
Good Luck Mr Gorsky
Neil Armstrong's famous "One Small step for (a) man .." was preceded by ..
Hu. text: Amikor az Apolló-program során Neil Armstrong asztronauta először lépett a Holdra, nemcsak a híressé vált mondás hangzott el a szájából: “Kis lépés az embernek, hatalmas ugrás az emberiségnek”, hanem több más megjegyzés is, miközben az űrhajósok egymással és a központtal kommunikáltak. Mielőtt visszamászott volna az űrhajóba, Armstrong még a következő rejtélyes megjegyzést tette: “Sok szerencsét, Mr. Gorsky!”
A NASA-nál többen úgy gondolták, hogy ez valamelyik rivális szovjet kozmonautának szólhat, utánajártak tehát, van-e Gorsky nevű ember az orosz vagy az amerikai űrprogramban. Nem volt. Az évek során nagyon sokan feltették a kérdést Armstrongnak, ugyan mit jelenthet ez a “Sok szerencsét, Mr. Gorsky”, de ő mindig csak mosolygott, és nem felelt.
Végül aztán öt évvel ezelőtt (1995. július 5-én, a floridai Tampa Bay-ben) tartott egy beszédet, utána pedig riportereknek válaszolt. Egyikük ismét feltette az immár 26 éve megválaszolatlan kérdést. Ezúttal nem hiába. Mr. Gorsky eltávozott az élők sorából, így Neil Armstrongot többé nem kötötte a tapintat. A következőket mesélte:
– Gyerekkorában egyszer baseball-t játszott egyik barátjával az udvaron. A labda a szomszéd fürdőszobaablakához repült. A szomszédban Mr. és Mrs. Gorsky lakott. Amint a gyermek Armstrong lehajolt az ablak előtt, hogy felvegye a labdát, a következő mondatok ütötték meg a fülét: – Orális szex! – kiabálta Mrs. Gorsky. – Orális szexet akarsz?! Majd akkor, ha a szomszéd kölyök felmegy a holdra!”
A NASA Headquarters honlapja szerint a történet kamu, Armstrong a Holdra szállás során nem ejtette ki a száján a Gorsky nevet. Az űrhajós bevallása során az anekdotát Buddy Hackett komikustól hallotta először. A Snopes szerint a sztori valamikor 1995 környékén jelent meg, és eredetileg inkább lehetett vicc, mint legenda.
above: new!! MedRes! The crew of Apollo-11 in old age (Left from left: Aldrin, Collins, Armstrong) and and visit at Washington White House USA president Barcak Obama. Right: from left: Maj. Gen. Michael Collins, Neil Armstrong, Dr. Edwin "Buzz" Aldrin in Washington national Air & Aerospace Museum.
CINEMATRIX: Klág Dávid és Nagy Attila Károly; Hu. text: Tudjuk, mi lesz a vége, de így is visszatartjuk a levegőt: ... Ha engem kérdezne bárki, Chazelle rendezőként már a második játékfilmjével, a Whiplash-sel besorolt a generációja zsenijei közé, a Kaliforniai álommal bemutatta, hogy tud egyszerre néző-, és Oscar-díjakat vonzó melodrámát készíteni, és Az első ember sem töri meg ezt a szériát. A szemcsés, 16 mm-es filmre, valamint bizonyos részeit IMAX-kamerákkal forgatott filmje tökéletesen rendezett, egy rossz lépés nélküli bravúr, amiben maximum elfáradni lehet, de unatkozni aligha. Egy nyaktörő tempóban haladó, minden egyes konfliktust teljes erővel kifacsaró, autentikus, és a személytelennek tűnő témája ellenére egy megható dráma, székhez szegező jelenetekkel, amik tényleg annak ellenére működnek, hogy pontosan tisztában vagyunk Armstrong és a NASA sikerével. Én egyszerűen nem tudok elképzelni az űrprogramról szóló hitelesebb filmet Az első embernél. ... https://index.hu/kultur/cinematrix/2018/10/18/az_elso_ember_first_man_neil_armstrong_kritika_hold_nasa/
above: NEW! Juci'bacsi's collect: MedRes! Hollywood star actor Bruce Willis in Space Shuttle movie: HBO
Armageddon is a 1998 American science fiction disaster thriller film directed by Michael Bay, produced by Jerry Bruckheimer, and released by Touchstone Pictures. The film follows a group of blue-collar deep-core drillers sent byNASA to stop a gigantic asteroid on a collision course with Earth. It features an ensemble cast including Bruce Willis,Ben Affleck, Billy Bob Thornton, Liv Tyler, Owen Wilson, Will Patton, Peter Stormare, William Fichtner, Michael Clarke Duncan, Keith David, and Steve Buscemi.Armageddon opened in theaters only two and a half months after the similar asteroid impact-based film Deep Impact, which starred Robert Duvall and Morgan Freeman. Armageddon fared better at the box office, while astronomers described Deep Impact as being more scientifically accurate.Armageddon was an international box-office success despite generally negative reviews from critics, becoming the highest-grossing film of 1998 worldwide.... en.wikipedia.org/Armageddon_1998
En. text: Walter Bruce Willis (born March 19, 1955) is an American actor, producer, and singer. Born to a German mother and American father in Idar-Oberstein, Germany, he moved to the United States with his family in 1957. His career began on the Off-Broadway stage in the 1970s. He later achieved fame with his leading role on the hit television series Moonlighting (1985–89). He has since appeared in over 70 films and is widely regarded as an "action hero", due to his portrayal of John McClane in the Die Hard franchise (1988–2013), and other such roles.
His credits also include Death Becomes Her (1992), Pulp Fiction (1994), 12 Monkeys (1995), The Fifth Element (1997), Armageddon (1998), The Sixth Sense (1999), Sin City (2005), Red (2010), Moonrise Kingdom (2012), The Expendables 2 (2012), Looper (2012), and as David Dunn in the Unbreakable film series: Unbreakable (2000), Split (2016) and Glass (2019). He made his Broadway debut in the stage adaptation of Misery in 2015. As a musician, Willis released his debut album, The Return of Bruno, in 1987. He has since released two more solo albums, in 1989 and 2001.
Willis is the recipient of several accolades, including a Golden Globe, two Primetime Emmy Awards, and two People's Choice Awards. He received a star on the Hollywood Walk of Fame in 2006. ... https://en.wikipedia.org/wiki/Bruce_Willis
Hu. text: Walter Bruce Willis (Baumholder, Idar-Oberstein, NSZK, 1955. március 19. –) Golden Globe-díjas és Emmy-díjas, német-amerikai színész és énekes. Az 1980-as évek végén vált ismertté, s azóta hollywoodi karriert futott be első számú sztárként és karakteres mellékszereplőként is; legismertebb szerepe John McClane a Die Hard-filmekből. Willis felesége Demi Moore színésznő volt tizenhárom éven át egészen 2000-ig, ezen idő alatt három lányuk született. Több zenei albumot jelentetett meg és feltűnt televíziós sorozatokban is. Filmográfiája több mint hatvan címet számlál, közöttük is olyan jól ismert, nagy sikerű produkciókat, mint a Ponyvaregény, Az ötödik elem, az Armageddon és a Hatodik érzék. Állandó magyar hangja Dörner György.
A filmek, melyekben Willis szerepelt, az észak-amerikai mozipénztáraknál 2,64 / 3,05 milliárd dollárt hoztak, amivel főszereplőként a kilencedik legnagyobb bevételt elérő színész, kisebb szerepeit is számlálva pedig a tizenkettedik. Több díjat is elnyert karrierje során, és a nyilvánosság előtt adott hangot az amerikai hadsereg iránt érzett rokonszenvének. ...
above: NEW! NoHigher! Cosmic womens, orange astronaut costume
NEW! above: NoHigher! Apollo XIII movie poster below: MedRes! Classic Trailer - Bemutató
NEW! above: NoHigher! Apollo XIII movie poster below: MedRes! Classic Trailer - Bemutató
En. text: Apollo 13 is a 1995 American space docudrama film directed by Ron Howard and starring Tom Hanks, Kevin Bacon, Bill Paxton, Gary Sinise, and Ed Harris. The screenplay by William Broyles Jr., and Al Reinert dramatizes the aborted 1970 Apollo 13 lunar mission and is an adaptation of the book Lost Moon: The Perilous Voyage of Apollo 13 by astronaut Jim Lovell and Jeffrey Kluger. The film depicts astronauts Lovell, Jack Swigert, and Fred Haise aboard Apollo 13 for America's third Moon landing mission. En route, an on-board explosion deprives their spacecraft of most of its oxygen supply and electric power, forcing NASA's flight controllers to abort the Moon landing, and turning the mission into a struggle to get the three men home safely.
Howard went to great lengths to create a technically accurate movie, employing NASA's technical assistance in astronaut and flight controller training for his cast, and obtaining permission to film scenes aboard a reduced gravity aircraft for realistic depiction of the "weightlessness" experienced by the astronauts in space.
Cast:
Tom Hanks as Apollo 13 Commander Jim Lovell: Jim Lovell stated that before his book Lost Moon was even written, the movie rights were being shopped to potential buyers and that his first reaction was that Kevin Costner would be a good choice to play him. However, by the time Howard acquired the director's position, Costner's name never came up in serious discussion, and Hanks had already been interested in doing a film based on Apollo 13. When Hanks' representative informed him that a script was being passed around, he had the script sent to him. John Travolta was initially offered the role of Lovell, but declined.
Kevin Bacon as Apollo 13 backup Command Module Pilot Jack Swigert
Bill Paxton as Apollo 13 Lunar Module Pilot Fred Haise
Gary Sinise as Apollo 13 prime Command Module Pilot Ken Mattingly: Sinise was invited by Howard to read for any of the characters, and chose Mattingly.
Ed Harris as White Team Flight Director Gene Kranz: Harris described the film as "cramming for a final exam." Harris described Gene Kranz as "corny and like a dinosaur", but respected by the crew. Apollo 13 would be Harris' second space travel-themed movie; he had starred as pioneering astronaut John Glenn in 1983's The Right Stuff.
Released to cinemas in the United States on June 30, 1995, Apollo 13 was nominated for nine Academy Awards, including Best Picture (winning for Best Film Editing and Best Sound). In total, the film grossed over $355 million worldwide during its theatrical releases. The film was very positively received by critics. ... https://en.wikipedia.org/wiki/Apollo_13_(film)
Hu. text: Az Apolló 13 (Apollo 13) egy 1995-ben bemutatott filmdráma Ron Howard rendezésében. Annak a három asztronautának a történetét meséli el, akik az Apollo–13 küldetésen a Holdra szálltak volna.
Szereplők:
Szereplő Színész / Eredeti hang
Jim Lovell Tom Hanks
Jack Swigert Kevin Bacon
Fred Haise Bill Paxton
Gene Kranz Ed Harris
Ken Mattingly Gary Sinise
Marilyn Lovell Kathleen Quinlan
Barbara Lovell Mary Kate Schellhardt
Susan Lovell Emily Ann Lloyd
Jim Lovell, Jack Swigert és Fred Haise asztronauták. Életük nagy lehetősége áll előttük: az Apollo–11 és –12 sikere után ők is Holdra szállhatnak. Családjuk támogatja őket, a kiképzőközpontban minden rendben folyik: indulhatnak. Az űrutazás első pár napja még csodálatos: vidámak, életerősek, még a TV-ben is leközlik a képüket. Ám mielőtt a céljukat elérnék, váratlan esemény történik: egy robbanás után ismeretlen anyag szivárog az űrhajó testéből. Nem sokkal később kiderül, hogy megsérült az oxigéntartály, leállt az elektromos energia termelése és nem működik az űrhajó meghajtása. Most már nem a Holdra szállás, hanem az életben maradás és a hazajutás a tét…
Quotes - Idézetek:
Real - A valóságban is elhangzott:
Houston, we have a problem.
Houston, egy kis baj van.
We just lost the moon.
Épp most vesztettük el a Holdat.
Real correct - A valóságban ez az idézet pontosan így hangzott el:
Swigert: 'Okay, Houston, we've had a problem here.'
Duke: 'This is Houston. Say again please.'
Lovell: 'Houston, we've had a problem. We've had a main B bus undervolt.'
Apollo 13 Official Trailer #1 - Tom Hanks Movie (1995) HD
above: NEW! HiRes! Nie zyje scenarzysta-Apollo-13. Al-Reinert-mial
above: NEW! NoHigher! Apollo 13 - the oh so handsome Ed Harris as Gene Kranz - "Failure is NOT an option!" source: Pinterest.com
Edward Allen Harris (born November 28, 1950) is an American actor, producer, director, and screenwriter. His performances in Apollo 13 (1995), The Truman Show (1998), Pollock (2000) and The Hours (2002) earned him critical acclaim in addition to Academy Award nominations. Harris has appeared in several leading and supporting roles, such as in The Right Stuff (1983), The Abyss (1989), State of Grace (1990), Glengarry Glen Ross (1992), Nixon (1995), The Rock (1996), Stepmom (1998), A Beautiful Mind (2001), Enemy at the Gates (2001), A History of Violence (2005), Gone Baby Gone (2007), Snowpiercer (2013), and Mother! (2017). In addition to directing Pollock, Harris also directed the western Appaloosa (2008).
In television, Harris is notable for his roles as Miles Roby in the miniseries Empire Falls (2005) and as United States Senator John McCain in the television movie Game Change (2012), the latter of which earned him the Golden Globe Award for Best Supporting Actor – Series, Miniseries or Television Film. He currently stars as the Man in Black in the HBO science fiction-western series Westworld (2016–present), for which he earned a nomination for the Primetime Emmy Award for Outstanding Lead Actor in a Drama Series. ... https://en.wikipedia.org/wiki/Ed_Harris
above: NEW! NoHigher! Kevin Bacon as Jack Swigert
Kevin Norwood Bacon (born July 8, 1958. -age 61-
Philadelphia, Pennsylvania, U.S.) is an American actor and musician. His films include musical-drama film Footloose (1984), the controversial historical conspiracy legal thriller JFK (1991), the legal drama A Few Good Men (1992), the historical docudrama Apollo 13 (1995), and the mystery drama Mystic River (2003). Bacon is also known for taking on darker roles such as that of a sadistic guard in Sleepers (1996) and troubled former child abuser in a critically acclaimed performance in The Woodsman (2004). He is equally prolific on television, having starred in the Fox drama series The Following (2013–2015). For the HBO original film Taking Chance (2009), Bacon won a Golden Globe Award and a Screen Actors Guild Award, also receiving a Primetime Emmy Award nomination. The Guardian named him one of the best actors never to have received an Academy Award nomination. In 2003, Bacon received a star on the Hollywood Walk of Fame for his contributions to the motion pictures industry.
Bacon has become associated with the concept of interconnectedness (as in social networks), having been popularized by the game "Six Degrees of Kevin Bacon". In 2007, he created SixDegrees.org, a charitable foundation. ... https://en.wikipedia.org/wiki/Kevin_Bacon
above: NEW! HiRes! Tom Hanks as commander Jim Lovell
above: NEW! MedRes! Heroes - Hősök
Apollo 13 is a 1995 American docudrama film directed by Ron Howard. The film stars Tom Hanks, Kevin Bacon, Bill Paxton, Gary Sinise, Kathleen Quinlan and Ed Harris. The screenplay by William Broyles, Jr. and Al Reinert, that dramatizes the 1970 Apollo 13 lunar mission, is an adaptation of the book Lost Moon: The Perilous Voyage of Apollo 13 by astronaut Jim Lovell and Jeffrey Kluger.
The film depicts astronauts Lovell, Jack Swigert and Fred Haise aboard Apollo 13 for America's third Moon landing mission. En route, an on-board explosion deprives their spacecraft of most of its oxygen supply and electric power, forcing NASA's flight controllers to abort the Moon landing, and turning the mission into a struggle to get the three men home safely.
Howard went to great lengths to create a technically accurate movie, employing NASA's technical assistance in astronaut and flight controller training for his cast, and even obtaining permission to film scenes aboard a reduced gravity aircraft for realistic depiction of the "weightlessness" experienced by the astronauts in space.
Released in the United States on June 30, 1995, Apollo 13 garnered critical acclaim and was nominated for many awards, with nine Academy Awards including Best Picture; it won for Best Film Editing and Best Sound. In total, the film grossed over $355 million worldwide during its theatrical releases. ... https://movies.fandom.com/wiki/Apollo_13_(film)
NEW! above: MedRes! '#Apollo 13' Facts You Didn't Know To Celebrate The Film's 20th Anniversary. from Left: Fred Haise- #Bill Paxton, Jack Swigert- #Kevin Bacon, Jim Lovell- #Tom Hanks source: Bustle below: NoHigher! Pol. text: Oparty na faktach film o misji kosmicznej Apollo 13 w roku 1970, podczas której problemy techniczne zagroziły życiu astronauty Jima Lovella i jego załogi. source: netflix.com
We all know the story — but there’s something uniquely terrifying about the real-time audio and video between NASA officials and the stranded Apollo 13 crew stuck in space. source: syfy.com
above: NEW! HiRes! Apollo-13 LM with Mailbox retouche
An interior view of the Apollo 13 Lunar Module and the "mailbox." The "mailbox" was a jury-rigged arrangement which the Apollo 13 astronauts built to use the Command Module lithium hydroxide canisters to purge carbon dioxide from the Lunar Module. Lithium hydroxide is used to scrub CO2 from the spacecraft atmosphere. Since there was a limited amount of lithium hydroxide in the Lunar Module, this arrangement was rigged up using the canisters from the Command Module. The "mailbox" was designed and tested on the ground at the Manned Spacecraft Center before it was suggested to the problem-plagued Apollo 13 crewmen. Because of the explosion of an oxygen tank in the Service Module, the three astronauts had to use the Lunar Module as a "lifeboat." - A kézzel összeállított ideiglenes légszűrő. source: Wikipedia
NEW! above: MedRes! Hollywood source: tollebild.com below: NoHigher! Bild von Universal Studios Hollywood, Los Angeles: Apollo 13 capsule - Schauen Sie sich 50.208 authentische Fotos und Videos von Universal Studios Hollywood an, die von TripAdvisor-Mitgliedern ... source: tripadvisor.at
Hu. text: Az Apollo program Filmművészeti alkotások
Apolló 13 (1995):
Hollywoodi nagyjátékfilm Ron Howard rendező tolmácsolásában, amely az Apollo–13 veszélybe sodródott űrhajósainak történetét meséli el. A forgatókönyv Jim Lovell Lost Moon: The Perilous Voyage of Apollo 13 (Az elveszett Hold: Az Apollo–13 veszélyes utazása) című könyvének adaptációja. A mű készítésének koncepciója meglehetősen egyedi volt, a rendező úgy döntött, hogy egyetlen eredeti dokumentumfelvételt sem használ és a lehető legvalósabb körülmények között veszi fel a jeleneteket. Ennek érdekében az eredetiekkel megegyező Apollo parancsnoki egység és holdkomp belsőket gyártattak, ezekben forgatták az űrbeli jeleneteket. Emellett a súlytalanságot sem akarták imitálni, a forgatás valódi súlytalanságban történt. Az egyik készlet űrhajó-belső díszletet egy Boeing KC-135 repülőgép belsejébe építették, amely parabolaíveket repülve fél perces időtartamokra súlytalanságot hozott létre a repülő belsejében. A rendező a forgatókönyvbeli jeleneteket 30 másodperces snittekre osztotta, így a film űrjelenetei úgy tűnnek, mintha végig a valós környezetben játszódnának. Az élethűséget fokozta, hogy valódi fagypont körüli hideget is teremtettek az utazás utolsó harmadának bemutatásához. source: Wikipedia
Főbb szereplők:
Tom Hanks – Jim Lovell
Gary Sinise – Ken Mattingly
Bill Paxton – Fred Haise
Ed Harris – Gene Kranz
Kathleen Quinlan – Marilyn Lovell
A végtelen szerelmesei - Az Apollo-program (From the Earth to the Moon) (1998), (tv-sorozat)
Az Apolló–13 c. mozifilm készítése közben a témához szenvedélyes közelségbe került Tom Hanks és Ron Howard elhatározásából és produceri munkájával, az HBO csatorna megbízásából készült 11 részes tévésorozat, amely az egész Apollo-program történetét öleli fel. A sorozat alapjául Andrew Chaikin: A Man on the Moon című könyve szolgálta, amely legfőképpen a holdutazások emberi oldalát, az űrhajósok életét, érzéseit dolgozta fel. A filmben sem a dokumentarizmus, hanem a teljesítmény emberi oldala volt a fő alkotói szempont. Érdekes technikai újítás volt a holdfelszíni műveleteket bemutató jeleneteknél, hogy az űrhajósokat alakító színészek űrruha jelmezét héliummal töltötték fel, a holdi gyenge gravitáció miatti könnyed mozgás illúziójának megteremtésére.
A filmsorozat Emmy-díjat és Golden Globe díjat nyert 1998-ban. source: Wikipedia
above: NEW! HiRes! Original photo: Apollo-13 demaged Service Module
NEW! above: NoHigher! Apollo 13 Anniversary: How true to real life was the movie? - Story | KSAZ source: FOX 10 Phoenix below: MedRes! The crew of the Apollo 13 mission -- Lunar Module Pilot Fred Haise, Commander Jim Lovell, and Command Module Pilot Jack Swigert -- aboard the USS Iwo Jima ... source: The Denver Post
The Apollo program, also known as Project Apollo, was the third United States human spaceflight program carried out by the National Aeronautics and Space Administration (NASA), which succeeded in landing the first humans on the Moon from 1969 to 1972. First conceived during Dwight D. Eisenhower's administration as a three-man spacecraft to follow the one-man Project Mercury which put the first Americans in space, Apollo was later dedicated to President John F. Kennedy's national goal of "landing a man on the Moon and returning him safely to the Earth" by the end of the 1960s, which he proposed in an address to Congress on May 25, 1961. It was the third US human spaceflight program to fly, preceded by the two-man Project Gemini conceived in 1961 to extend spaceflight capability in support of Apollo.
Kennedy's goal was accomplished on the Apollo 11 mission when astronauts Neil Armstrong and Buzz Aldrin landed their Apollo Lunar Module (LM) on July 20, 1969, and walked on the lunar surface, while Michael Collins remained in lunar orbit in the command and service module (CSM), and all three landed safely on Earth on July 24. Five subsequent Apollo missions also landed astronauts on the Moon, the last in December 1972. In these six spaceflights, twelve men walked on the Moon.
Astronaut Buzz Aldrin stands on the Moon
Buzz Aldrin (pictured) walked on the Moon with Neil Armstrong, on Apollo 11, July 20–21, 1969
Earthrise, an iconic image from the 1968 Apollo 8 mission, taken by astronaut William Anders
Apollo ran from 1961 to 1972, with the first manned flight in 1968. It achieved its goal of manned lunar landing, despite the major setback of a 1967 Apollo 1 cabin fire that killed the entire crew during a prelaunch test. After the first landing, sufficient flight hardware remained for nine follow-on landings with a plan for extended lunar geological and astrophysical exploration. Budget cuts forced the cancellation of three of these. Five of the remaining six missions achieved successful landings, but the Apollo 13 landing was prevented by an oxygen tank explosion in transit to the Moon, which destroyed the service module's capability to provide electrical power, crippling the CSM's propulsion and life support systems. The crew returned to Earth safely by using the lunar module as a "lifeboat" for these functions. Apollo used Saturn family rockets as launch vehicles, which were also used for an Apollo Applications Program, which consisted of Skylab, a space station that supported three manned missions in 1973–74, and the Apollo–Soyuz Test Project, a joint US-Soviet Union Earth-orbit mission in 1975.
Apollo set several major human spaceflight milestones. It stands alone in sending manned missions beyond low Earth orbit. Apollo 8 was the first manned spacecraft to orbit another celestial body, while the final Apollo 17 mission marked the sixth Moon landing and the ninth manned mission beyond low Earth orbit. The program returned 842 pounds (382 kg) of lunar rocks and soil to Earth, greatly contributing to the understanding of the Moon's composition and geological history. The program laid the foundation for NASA's subsequent human spaceflight capability and funded construction of its Johnson Space Center and Kennedy Space Center. Apollo also spurred advances in many areas of technology incidental to rocketry and manned spaceflight, including avionics, telecommunications, and computers. ... https://en.wikipedia.org/wiki/Apollo_program
above: NEW! MedRes! US Navy. The multi-purpose amphibious assault ship, USS 'Iwo Jima' (LHD-7) transits the Atlantic Ocean source: Wikipedia
U.S. Navy photo by Mass Communication Specialist 2nd Class Jason R. Zalasky - This Image was released by the United States Navy with the ID 080906-N-1082Z-015 (next). This tag does not indicate the copyright status of the attached work. A normal copyright tag is still required. See Commons:Licensing. বাংলা | Deutsch | English | español | euskara | فارسی | français | italiano | 日本語 | 한국어 | македонски | മലയാളം | Plattdüütsch | Nederlands | polski | پښتو | português | svenska | Türkçe | українська | 中文 | 中文(简体) | +/−
ATLANTIC OCEAN (Sept. 6, 2008) The multi-purpose amphibious assault ship USS Iwo Jima (LHD 7) transits the Atlantic Ocean. Iwo Jima is deployed as part of the Iwo Jima Expeditionary Strike Strike Group, which is supporting maritime security operations in the U.S. Navy's 5th and 6th Fleet areas of responsibility. (U.S. Navy photo by Mass Communication Specialist 2nd Class Jason R. Zalasky/Released)
The Iwo Jima-class amphibious assault ships of the United States Navy were the first amphibious assault ships designed and built as dedicated helicopter carriers, capable of operating up to 20 helicopters to carry up to 1,800 marines ashore. They were named for battles featuring the United States Marine Corps, starting with the Battle of Iwo Jima. The first ship of the class was commissioned in 1961, and the last was decommissioned in 2002. Because these ships bore the hull classification of LPH they have often been referred to as "Landing Platform, Helicopter".
USS Iwo Jima (LHD-7) is a Wasp-class amphibious assault ship of the United States Navy. The ship was named for the Battle of Iwo Jima of World War II. The ship was commissioned in 2001 and is currently in service. ... https://en.wikipedia.org/wiki/USS_Iwo_Jima_(LHD-7)
above: NEW! HiRes! Apollo CSM lunar orbit. The Apollo 15 Service Module as viewed from the Apollo Lunar Module. (Image has been cropped and rotated.) - Az Apollo űrhajórendszer parancsnoki és műszaki egysége Hold körüli pályán (Apollo–15). source: Wikipedia
above: NEW! MedRes! ISS - International Space Station configuration
above: new! MedRes! the dog space suit
above: NEW! Kate Upton american Sport Illustrated Magazine's famous star photomodel prepare training for '0'-G force.
http://nationassgifgraphics.com/
above: NEW! NoHigher! Kate Upton - Sport Illustrated magazine - CELEBUZZ!
Katherine Elizabeth Upton (born June 10, 1992) is an American model and actress. Upton was named the Sports Illustrated Swimsuit Issue Rookie of the Year following her appearance in the magazine in 2011, and was the cover model for the 2012, 2013 and 2017 issues. She was also the subject of the 100th-anniversary Vanity Fair cover. Upton has also appeared in the films Tower Heist (2011), The Other Woman (2014) and The Layover (2017). ...
above: NEW! NoHigher! Airbus A320 'Zero-G'
above: new! Hajime Sorayama Word famous Japanese airbushing artist: 'Gynoid' helmet
En. text: Hajime Sorayama (空山 基 Sorayama Hajime, born February 22, 1947) is a Japanese illustrator known for his precisely detailed, erotic portrayals of feminine robots, along with his design work on the original Sony AIBO. He describes his highly detailed style as "superrealism", which he says "deals with the technical issue of how close one can get to one's object." Modern English-language editions of Soryama's art books give his name as Hajime Sorayama, using conventional Western order, with given name followed by surname. Some older publications give his name as Sorayama Hajime, using native Japanese name order, which reverses Western order. ... https://en.wikipedia.org/wiki/Hajime_Sorayama
Ja. text: 出典: フリー百科事典『ウィキペディア(Wikipedia)』ナビゲーションに移動検索に移動 空山 基(そらやま はじめ、1947年(昭和22年)2月22日 - )は、日本のイラストレーター。愛媛県今治市出身。
above: NoHigher! French supermodel & actress, Laetitia Casta as rocket-woman
En. text: Laetitia Marie Laure Casta (French: [lɛtisja kasta]; born 11 May 1978) is a French actress and supermodel.
Casta became a "GUESS? Girl" in 1993 and gained further recognition as a Victoria's Secret Angel from 1998 to 2000 and as a spokesperson for cosmetics company L'Oréal. She has appeared on over 100 covers of such popular magazines as Cosmopolitan, Vogue, Rolling Stone, Elle and Glamour, and has modeled for designers such as Yves Saint Laurent, Jean-Paul Gaultier, Chanel, Ralph Lauren, Tommy Hilfiger, J. Crew, Louis Vuitton, Givenchy, Roberto Cavalli, Lolita Lempicka, and Vivienne Westwood.
Casta became an established actress, appearing in the films Gainsbourg: A Heroic Life (2010), in which she portrayed sex symbol Brigitte Bardot, Face (2009) and The Blue Bicycle (2000), as well as the play Ondine at the theatre Antoine. ... https://en.wikipedia.org/wiki/Laetitia_Casta
Fr. text: Laetitia Casta, née le 11 mai 1978 à Pont-Audemer, dans l'Eure, est une actrice, mannequin et réalisatrice française.
Elle débute dans le mannequinat à l'âge de quinze ans et est rapidement remarquée par photographes et stylistes. Jean Paul Gaultier est le premier à la faire défiler.
En 1999, elle entame une carrière d'actrice de cinéma avec le film Astérix et Obélix contre César puis de théâtre en 2004 dans le rôle-titre d'Ondine.
Elle est, en 2000, le modèle d'un des bustes de Marianne. Elle est faite chevalier des Arts et des Lettres en 2012.
En 2016, elle dévoile la réalisation de son premier court métrage En moi à la Semaine de la critique au festival de Cannes. ...

above: MedRes! Air Art's Spacegirls by Juci'bácsi's designed Space-Bra collection Left: #Candice Swanepoel supermodel
Candice Swanepoel (/ˈswɒnəpuːl/; Afrikaans: [svanɛˈpul]; born 20 October 1988) is a South African supermodel and philanthropist. She is known for her work with Victoria's Secret. In 2016, she was listed 8th on the Forbes top-earning models list. ... https://en.wikipedia.org/wiki/Candice_Swanepoel
above: NEW! NoHigher! Swiss Made: Vulcain-Aviator Instrument Chronograph as Apollo style
above: NEW! HiRes! "You have to carry to home button for walking spacemens" ... Hu. text: "Vigyél haza gomb" megmentheti az elveszett űrhajósokat ... NAK 2017.12.06. source: index.hu
Hu. text: Olyan szkafandert szabadalmaztattak amerikai mérnökök, ami automatikusan vissza tudja navigálni az űrsétán lévő űrhajóst, ha az valami okból elszakadt volna az űrhajótól, vagy űrállomástól. A space.com cikke szerint a vészhelyzeti rendszer akkor is meg tudná menteni egy elsodródott űrhajós életét, amikor társai már nem tudnának rajta segíteni. A kutatásfejlesztést az amerikai űrkutatási hivatal, a NASA támogatja. ...
Video © Seán Doran / Music © Phaeleh Unauthorized use prohibited. NASA / ESRSU / Phaeleh / Seán Doran Meditate on the beauty of our home. Orbit is a real time reconstruction of time lapse photography taken on board the International Space Station by NASA's Earth Science & Remote Sensing Unit. The structure of the film is built around a nested selection of Phaeleh's last three albums; Lost Time, Illusion of the Tale & Somnus. The tone & pacing of each track influenced the choice of material used. The length of the film is exactly the length of time it takes ISS to orbit the Earth once, 92 minutes & 39 seconds. Seán Doran, February 5th, 2018 Twitter: @_TheSeaning
above: NEW! HiRes! (Little Crop from left!) Moon and Earth (Himalaya?)
above: NEW! NoHigher! (Crop Hz.!) model Naomi Scott for 'Vogue' magazine Uk. by nick knight april 2019. source: www.CelebsDump.com
Hu. text article by: index.hu: Mr. Molnár Csaba
Az Apollo–11 küldetése Magyarországon is valóságos holdlázat indított el, az országjárásra induló űrkutatókat tömegek fogadták mindenütt. Almár Iván űrkutató-csillagász, a Nemzetközi Asztronautikai Akadémia tiszteleti tagja ötven évvel ezelőtt élőben közvetítette a holdkomp landolását a televízióban, majd hazaküldték őket, mert az űrhajósok kiszállása valamikor éjszaka volt magyar idő szerint, és az MTV vezetése azt nem tartotta olyan fontosnak, hogy élőben adják. Fél évszázaddal ezelőtti élményeiről beszélgettünk vele. ...
above: NEW! MedRes! Siugnoury Weaver source: tumblr_lwon3
Susan Alexandra "Sigourney" Weaver (born October 8, 1949) is an American actress and film producer. Following her film debut as a minor character in Annie Hall (1977), she quickly came to prominence in 1979 with her first lead role as Ellen Ripley in Alien. She reprised the role in three sequels: Aliens (1986), for which she was nominated for the Academy Award for Best Actress; Alien 3 (1992), and Alien: Resurrection (1997). She is also known for her starring roles in the box-office hits Ghostbusters (1984), Ghostbusters II (1989), and Avatar (2009). ... wiki/Sigourney_Weaver
above: new!! Star Trek Into Darkness - Woman in Alice Eve Blue Bikini Underwear Bra Officer's UniformSo here's the thing about 33 different places reporting "Alice Eve admits to eating nothing but spinach to get in shape for Star Trek: Into Darkness!" But here's the thing: It isn't true.
Star Wars MF: http://szextant.blogspot.hu/2016/01/172-star-wars-7-force-awakens-movies.html
above: NEW! MedRes! (Crop Hz.!) Hu. text: Nem ő az első amerikai elnök (#Donald Trump), aki a Holdra szállásra (is) akarja alapozni az örökségét. source: index.hu/csillagvizsgalo.blog.hu
Hu. text article: Hogyan lesz ebből újra-holdraszállás?: PFreddy
2019. május 28., kedd 14:45 |
Közeledik az Apollo 11 küldetésének 50. évfordulója, mostanság még sem emiatt szolgáltatott témát a holdraszállás. Sokkal inkább az új amerikai Hold-program került reflektorfénybe, az utóbbi hetekben ugyanis igencsak felkavarodott az állóvíz a NASA tervei körül - igaz, ez egyaránt jelent jót és rosszat. A mérleg pozitív serpenyőjében ott a friss elnöki támogatás, a beígért pénzügyi átcsoportosítás, és az új beszállítók sora; a másik oldalon viszont a csúszásban lévő fejlesztések, az esetleges kongresszusi elutasítás, és a túlontúl közelinek tűnő határidő ad okot a kétkedésre. Sok tehát a kérdőjel az amerikai Hold-program körül, egy aprócska információt azonban immáron biztosan tudunk, mégpedig hogy mi lesz a küldetés neve. ... https://index.hu/i2/#http://csillagvizsgalo.blog.hu/2019/05/28/hogyan_lesz_ebbol_ujra-holdraszallas
above: NEW! MedRes! 'Orion' SM - service module - Hu. text: Az Orion űrhajó látványterve: a csúcsán lévő űrkapszula (fehér színnel) már gyakorlatilag készen van, csak még ember nem repült vele. A napelemtáblák mögötti ún. parancsnoki egységet még nem láthattuk éles teszten. (Forrás: NASA) source: csillagvizsgalo.blog.hu
18+above: NEW! NoHigher! Space Light in room
above: NEW! MedRes! Boeing 'Starliner' source: index.hu
Vasárnap visszahozzák a Földre az eltévedt űrhajót - Sunday, the lost spaceship is brought back to Earth
Hu. text article: index.hu's author: Mr. Nagy Attila Károly 2019.12.21. 21:52
Szombaton, magyar idő szerint este 8-kor közös telekonferenciát tartott a NASA és a Boeing, hogy beszámoljanak a Boeing CST-100 Starliner űrhajó első, személyzet nélküli útja során kialakult helyzetről. Mint arról péntek délután az Index is beszámolt, nem a tervek szerint alakult a NASA-program, a Commercial Crew Development (CCDev) fontos mérföldkőnek számító tesztrepülése, amelynek során azt vizsgálták volna, hogy képes-e a Boeing saját fejlesztésű űrhajója biztonságban embert vinni Föld körüli pályára, tud-e gond nélkül kapcsolódni a Nemzetközi Űrállomáshoz (ISS), majd rendben vissza tud-e térni a Földre. ...
above: NEW! HiRes! If all goes well, this is how the Starliner will land in the New Mexico Desert on Sunday afternoon (the picture was taken during the start-stop test,
- Ha minden jól megy, akkor vasárnap délután így fog landolni a Starliner az új-mexikói sivatagban (a kép a startmegszakító teszt során készült, november 4-én) -
Fotó: NASA JSC/Boeing source: index.hu
above: NEW! HiRes! Schema - Az Atlas V és a Starliner sematikus rajza Fotó: Boeing source: index.hu
above: NEW! NoHigher! Super heavy lift launch vehicles - Hu. text: A rakéták világában nem csak a méret a lényeg, de azért képhet kaphatunk arról, miért is a Saturn V a valaha épített legerősebb rakétája. Tőle jobbra csak a még fejlesztés alatt álló és kizárólag teherszállításra alkalmas SLS Cargo és a Big Falcon Rocket (hivatalosan Nagy Sólyom Rakéta, bár korábban az F betű másra utalt...) áll - utóbbival a SpaceX már a Marsot célozza meg. (Forrás: Thorenn/Wikipedia) source: csillagvizsgalo.blog.hu
above: NEW! MedRes! Start of the Apollo-11 on Cape Canaveral AFS source: index.hu
Cape Canaveral Air Force Station (CCAFS) (known as Cape Kennedy Air Force Station from 1963 to 1973) is an installation of the United States Air Force Space Command's 45th Space Wing.
CCAFS is headquartered at the nearby Patrick Air Force Base, and located on Cape Canaveral in Brevard County, Florida, CCAFS. The station is the primary launch head of America's Eastern Range[3] with three launch pads currently active (Space Launch Complexes 37B, 40, and 41). Popularly known as "Cape Kennedy" from 1963 to 1973, and as "Cape Canaveral" from 1949 to 1963 and from 1973 to the present, the facility is south-southeast of NASA's Kennedy Space Center on adjacent Merritt Island, with the two linked by bridges and causeways. The Cape Canaveral Air Force Station Skid Strip provides a 10,000-foot (3,000 m) runway[4] close to the launch complexes for military airlift aircraft delivering heavy and outsized payloads to the Cape.
A number of American space exploration pioneers were launched from CCAFS, including the first U.S. Earth satellite in 1958, first U.S. astronaut (1961), first U.S. astronaut in orbit (1962), first two-man U.S. spacecraft (1965), first U.S. unmanned lunar landing (1966), and first three-man U.S. spacecraft (1968). It was also the launch site for all of the first spacecraft to (separately) fly past each of the planets in the Solar System (1962–1977), the first spacecraft to orbit Mars (1971) and roam its surface (1996), the first American spacecraft to orbit and land on Venus (1978), the first spacecraft to orbit Saturn (2004), and to orbit Mercury (2011), and the first spacecraft to leave the Solar System (1977). Portions of the base have been designated a National Historic Landmark for their association with the early years of the American space program. ... https://en.wikipedia.org/wiki/Cape_Canaveral_Air_Force_Station
above: NEW! MedRes! Looking to future
Hu. text: "Jön a nő! Mindig így kezdődik! Vigyázat! Figyelem! A férfi mindent kiszámít alaposan, előrelátóan, precízen, véglegesen. És erre jön a nő! Másodpercenként százhúsz kilométeres hazugságokkal, lihegve, hadarva, szemlesütve, ájuldozva vagy mosolyogva; egyszer csak jön, és mindent halomra dönt! Aztán leül e halomra, és kipúderezi magát. És őszinte részvétét fejezi ki. Óvakodjunk a nőtől! A legegyszerűbb mindennapi fogalmak is zavarosak lesznek, ha nővel kapcsolatban akarjuk tisztázni őket."
"Mi pasik." ;) Mi pasik rakétákat építünk, hogy meghódítsuk az űr végtelen mélységeit. Alkotó elmével dolgozunk éjt nappallá téve, hogy jobbá tegyük a világot. Rafinált eszmerendszerekkel próbáljuk megérteni létünk elvont síkjait.
Aztán jön egy csinos nő az Ő formás hátsójával, mi pedig szemétdombra vágjuk az összes hülyeséget amit összehordtunk. És megyünk megbabonázva a nő után. source: facebook . "Bilux"
above: NEW! NoHigher! Campari' glass CM cone cup after space explore
above: NEW! NoHigher! United Artists' vintage Movie Poster from 1979: in Ian Flemming's, "Moonraker" Sir Roger Moore ✟ as 'James Bond 007th Agent' from MI 6 source: Pinterest.com
above: NEW+! HiRes! Danska "Apollonia" by: Danish photographer Egon Hye via: Hu. Google G+ collector: Mr. Bányiczki Zoltán Pin-Up expert source: https://500px.com/hyen
above: NEW! NoHigher! Richard Avedon for Harper's Bazaar, April, 1965 source: www.pincelebs.net
above: NEW! NoHigher! the past's future
above: NEW! NoHigher! "Shit" source: facebook/Andrey Bogdanov
above: NEW! HiRes! 1969. backup Apollo-11 commander Jim Lovell reading a newspaper source: index.hu - Rég nem látott történelem blog.hu
"Jeee!!"
above: NEW! NoHigher! "The Psycho-Terapeuta" Hungarian World Star Model from Victoria's Secret fashion studio: Miss. Palvin Barbara in space under-suit source: mellbimbo.eu
Barbara Palvin (pronounced [ˈbɒrbɒrɒ ˈpɒlvin]; born 8 October 1993) is a Hungarian model. She was the 2016 Sports Illustrated Swimsuit Issue "Rookie of the Year". In 2019, she became a Victoria’s Secret Angel. ... https://en.wikipedia.org/wiki/Barbara_Palvin
below: new!! Joke! from Left: He had gone on Moon, 5 photos created about him and She went out to toilet (WC) She make 37 selfie photos.
FIN!














































































































































































































































%2Bd.jpg)





































































































































































































































I have read so many articles concerning the blogger lovers however this article is really a
VálaszTörlésgood article, keep it up.
Nagyon széles spektrumú összeállítás, a kezdetektől a napjainkig USA perspektívából.Sok munka és leköti a figyelmet (különösen kitekintéssel az 1-l kezdődő személyi számúakét.)Sok olyan kép vagy történet van, amit legfeljebb csak anno hallottunk illetve az elmúlt évtizedek a homályába vesztek.Remélem értékelik mind a munkát, mind a szándékot -ami komolyságát a humor esetenként oldja.
VálaszTörlés